ГОСТ 35222-2024 Правила проведения тепловых приемочных испытаний паровых турбин. Часть 0. Широкий диапазон точности для различных типов и размеров турбин
ГОСТ
Скачать ГОСТ в PDF или DOC бесплатно
Основная информация
Обозначение:
ГОСТ 35222-2024
Статус:
Действует
Тип:
ГОСТ
Название русское:
Правила проведения тепловых приемочных испытаний паровых турбин. Часть 0. Широкий диапазон точности для различных типов и размеров турбин
Название английское:
Rules for steam turbine thermal acceptance tests. Part 0. Wide range of accuracy for various types and sizes of turbines
Даты и сроки
Дата регистрации:
09-30-24
Дата издания:
11-08-24
Дата введения в действие:
01-01-25
Дата завершения срока действия:
-
Применение и описание
Область и условия применения:
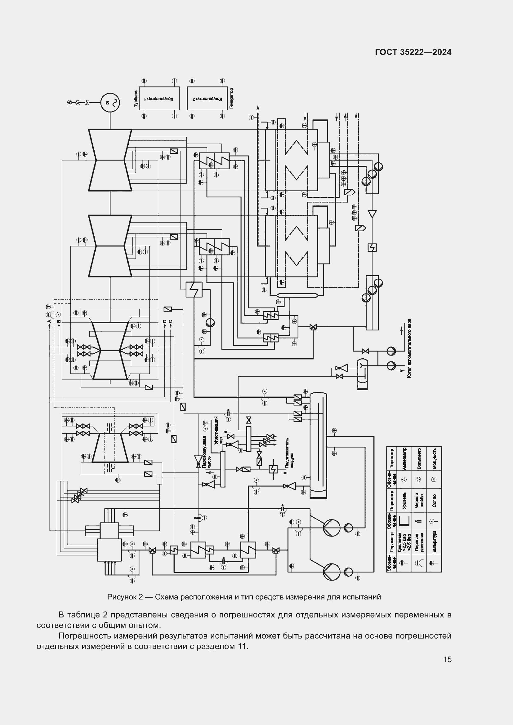
Настоящий стандарт распространяется на паровые стационарные турбины для тепловых электростанций. Стандарт устанавливает правила проведения тепловых гарантийных испытаний, охватывающие широкий диапазон точности на паровых турбинах разного типа. Настоящий стандарт применяется при проведении испытаний турбин, работающих на перегретом и насыщенном паре. В настоящем стандарте определены основные правила подготовки, проведения и оценки результатов испытаний, сравнения с гарантийными показателями и расчета погрешности измерений
Связи и замены
Заменяющий:
-
Описание стандарта
ГОСТ 35222-2024 Правила проведения тепловых приемочных испытаний паровых турбин. Часть 0. Широкий диапазон точности для различных типов и размеров турбин
Страницы стандарта














































