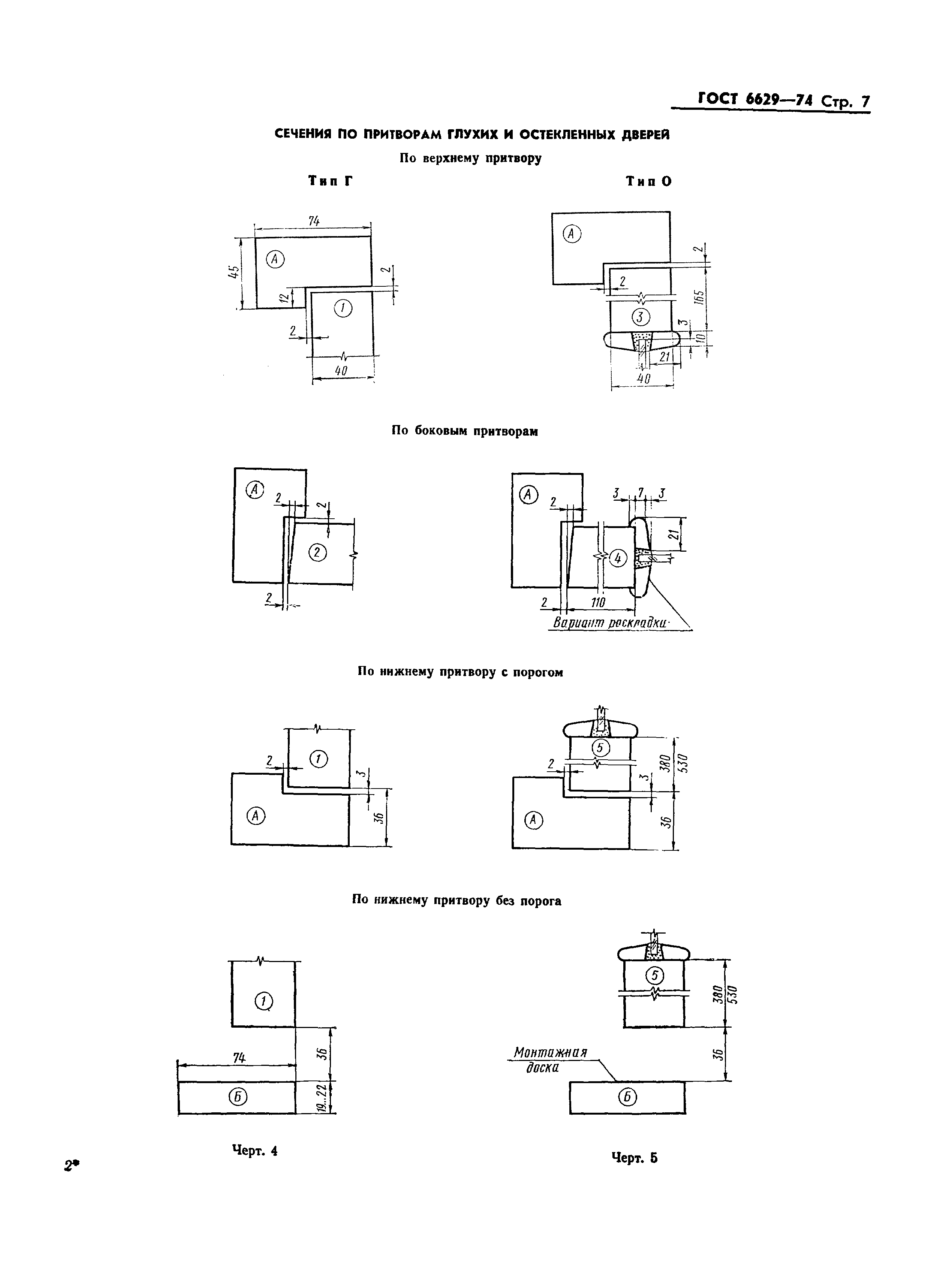
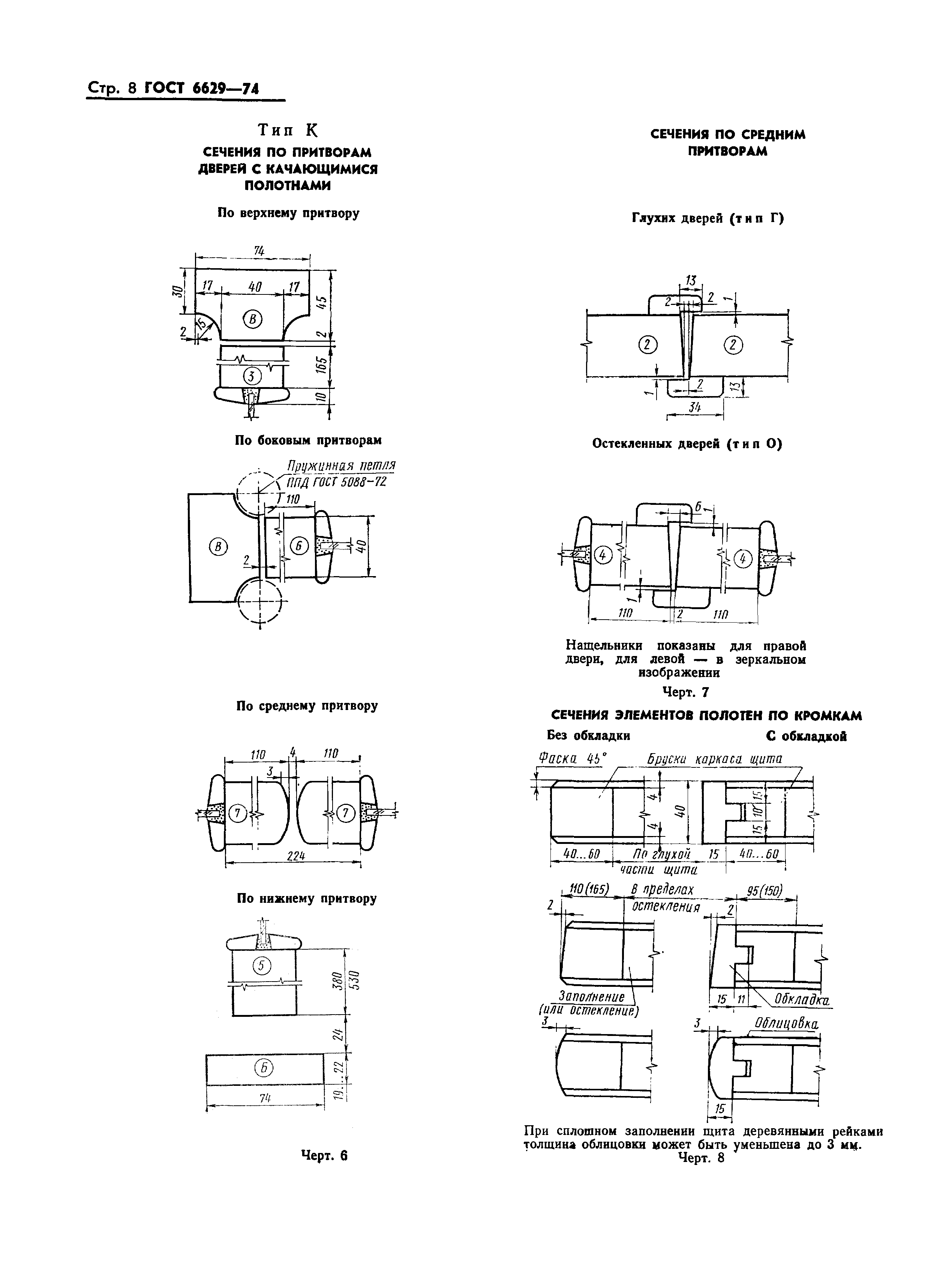
ГОСТ 6629-74 Двери деревянные внутренние для жилых и общественных зданий. Типы и размеры
ГОСТ
Основная информация
Обозначение:
ГОСТ 6629-74
Статус:
утратил силу в РФ
Тип:
ГОСТ
Название русское:
Двери деревянные внутренние для жилых и общественных зданий. Типы и размеры
Даты и сроки
Дата введения в действие:
01-01-76
Описание стандарта
ГОСТ 6629-74 Двери деревянные внутренние для жилых и общественных зданий. Типы и размеры
Страницы стандарта
















