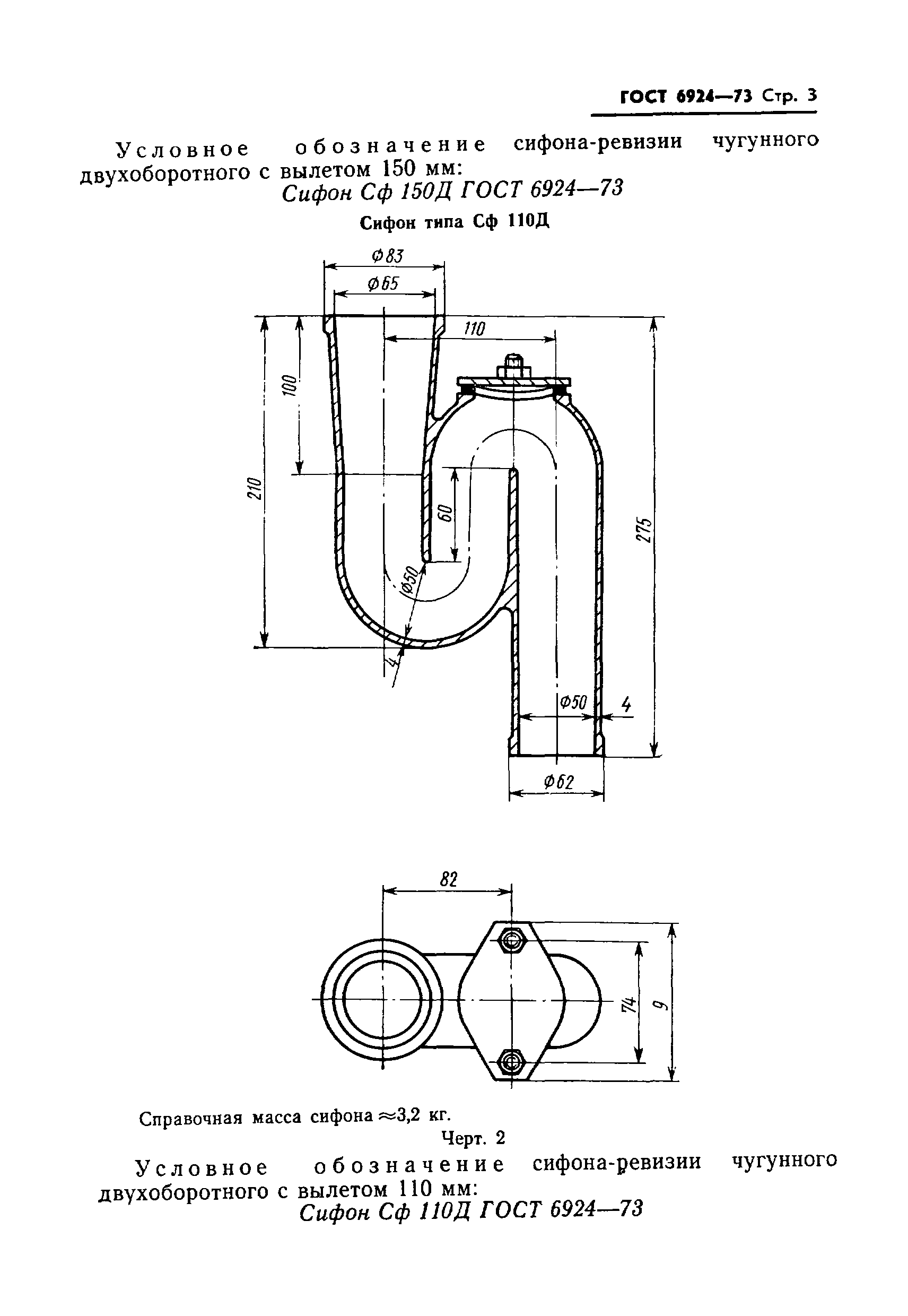
ГОСТ 6924-73 Сифоны-ревизии чугунные. Типы и основные размеры
ГОСТ
Основная информация
Обозначение:
ГОСТ 6924-73
Статус:
утратил силу в РФ
Тип:
ГОСТ
Название русское:
Сифоны-ревизии чугунные. Типы и основные размеры
Даты и сроки
Дата введения в действие:
01-01-74
Описание стандарта
ГОСТ 6924-73 Сифоны-ревизии чугунные. Типы и основные размеры
Страницы стандарта







