ГОСТ 7387-82 Наконечники кабельные из алюминиевого сплава для оконцевания алюминиевых жил проводов и кабелей сваркой. Конструкция и размеры
ГОСТ
Скачать ГОСТ в PDF или DOC бесплатно
Основная информация
Обозначение:
ГОСТ 7387-82
Статус:
Действует
Тип:
ГОСТ
Название русское:
Наконечники кабельные из алюминиевого сплава для оконцевания алюминиевых жил проводов и кабелей сваркой. Конструкция и размеры
Название английское:
Aluminium alloy cable shoes for tipping of aluminium wire conductors and cables by welding. Construction and sizes
Даты и сроки
Дата издания:
11-01-97
Дата введения в действие:
01-01-84
Дата завершения срока действия:
-
Применение и описание
Область и условия применения:
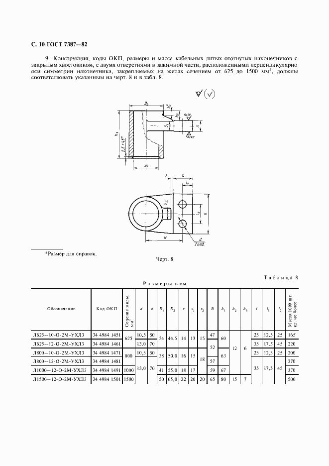
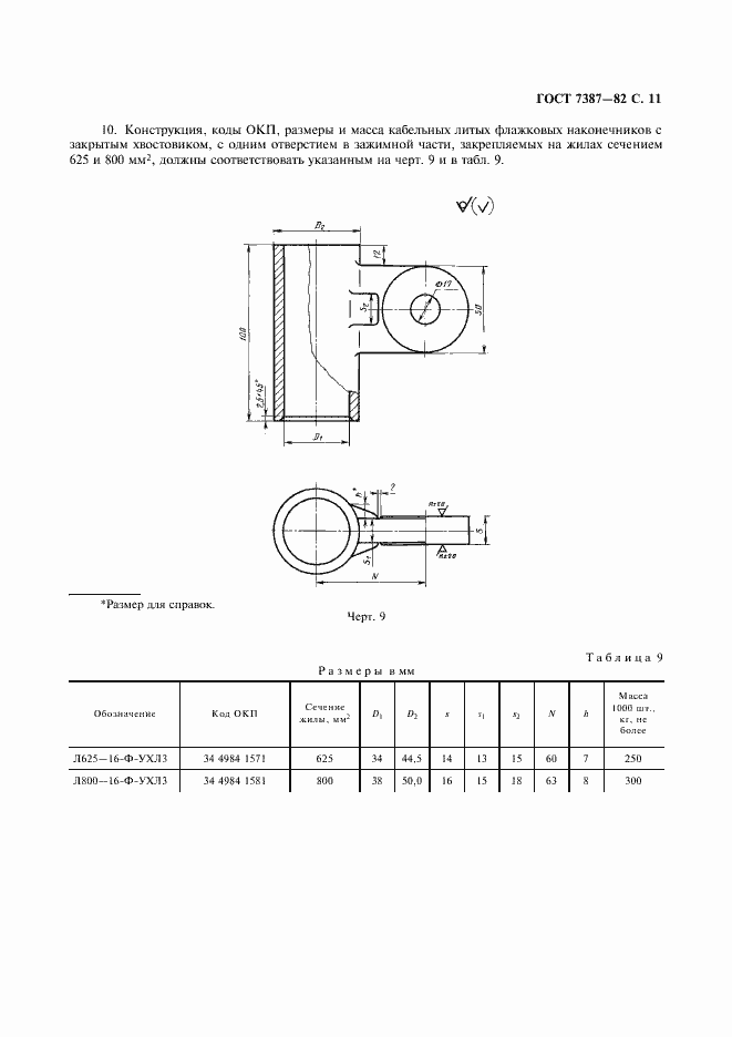
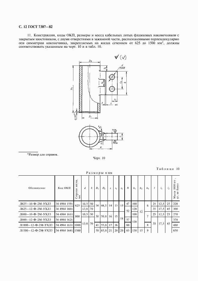
Настоящий стандарт устанавливает конструкцию и размеры глухих кабельных наконечников из алюминиевого сплава, закрепляемых на жилах сваркой и предназначенных для оконцевания кабелей и изолировнных проводов с алюминиевыми жилами сечением от 16 до 1500 мм кв на напряжение до 10 кВ, климатического исполнения УХЛ3
Связи и замены
Заменяющий:
-
Взамен:
ГОСТ 7387-77
Изменения и переиздания
Список изменений:
№0 от (рег. ) «Срок действия продлен» №1 от (рег. ) «Срок действия продлен»
Описание стандарта
ГОСТ 7387-82 Наконечники кабельные из алюминиевого сплава для оконцевания алюминиевых жил проводов и кабелей сваркой. Конструкция и размеры
Страницы стандарта





















