ГОСТ 8.558-93 Государственная система обеспечения единства измерений. Государственная поверочная схема для средств измерений температуры
ГОСТ
Скачать ГОСТ в PDF или DOC бесплатно
Основная информация
Обозначение:
ГОСТ 8.558-93
Статус:
Заменен
Тип:
ГОСТ
Название русское:
Государственная система обеспечения единства измерений. Государственная поверочная схема для средств измерений температуры
Название английское:
State system for ensuring the uniformity of measurements. State verification schedule for means measuring temperature
Даты и сроки
Дата регистрации:
02-17-93
Дата издания:
08-26-94
Дата введения в действие:
01-01-95
Дата завершения срока действия:
07-01-12
Применение и описание
Область и условия применения:
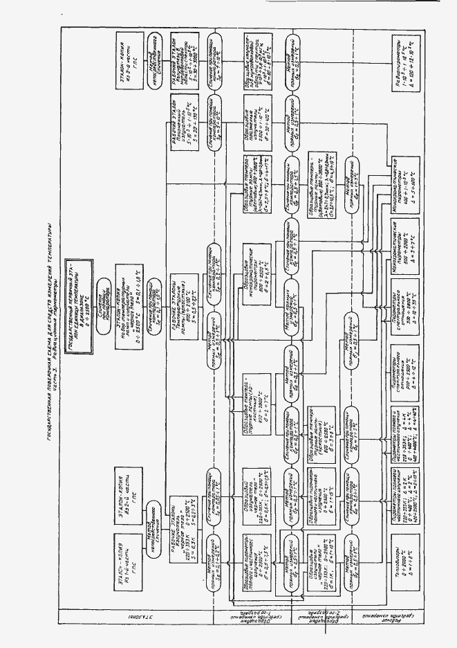
Настоящий стандарт распространяется на государственную поверочную схему для средств измерений температуры и устанавливает порядок передачи размера единицы температуры - кельвина (К) [градуса Цельсия (град. С) ] от первичного эталона единицы температуры при помощи вторичных эталонов и образцовых средств измерений рабочим средствам измерений с указанием погрешностей и основных методов поверки
Связи и замены
Заменяющий:
ГОСТ 8.558-2009
Взамен:
ГОСТ 8.080-80;ГОСТ 8.168-75;ГОСТ 8.185-76;ГОСТ 8.186-83;ГОСТ 8.421-81;МИ 2161-91
Изменения и переиздания
Список изменений:
№0 от (рег. ) «Дата введения перенесена»
Описание стандарта
ГОСТ 8.558-93 Государственная система обеспечения единства измерений. Государственная поверочная схема для средств измерений температуры
Страницы стандарта















