ГОСТ 9.909-2023 Единая система защиты от коррозии и старения. Покрытия металлические и неметаллические неорганические, металлы и сплавы. Методы испытаний на климатических испытательных станциях
ГОСТ
Скачать ГОСТ в PDF или DOC бесплатно
Основная информация
Обозначение:
ГОСТ 9.909-2023
Статус:
Действует
Тип:
ГОСТ
Название русское:
Единая система защиты от коррозии и старения. Покрытия металлические и неметаллические неорганические, металлы и сплавы. Методы испытаний на климатических испытательных станциях
Название английское:
Unified system of corrosion and ageing protection. Metal and non-metal inorganic coatings, metals and alloys. Test methods at climatic test stations
Даты и сроки
Дата регистрации:
07-28-23
Дата издания:
09-13-23
Дата введения в действие:
04-01-24
Применение и описание
Область и условия применения:
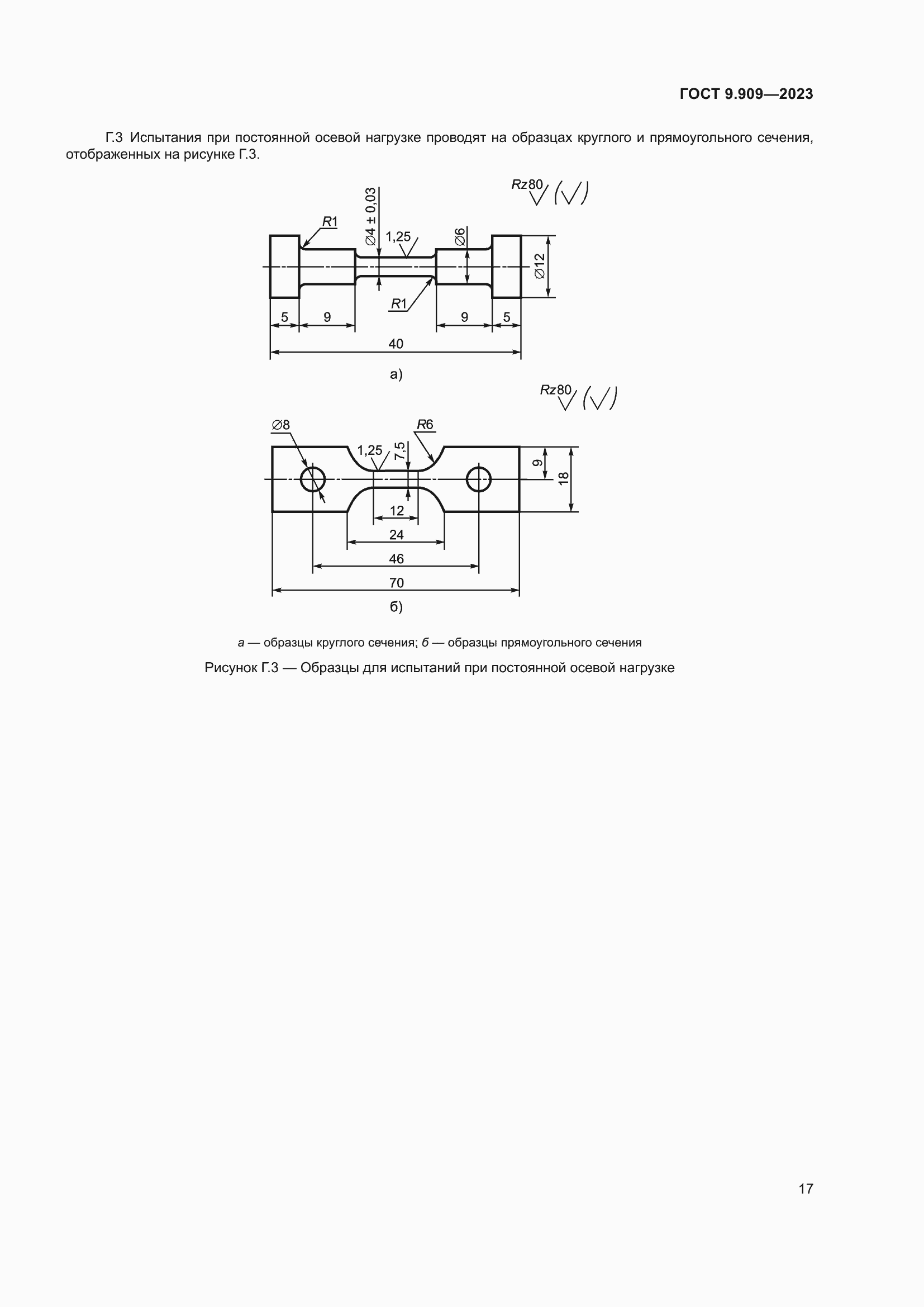
Настоящий стандарт распространяется на металлы, сплавы, металлические и неметаллические неорганические покрытия и устанавливает методы их испытаний на климатических испытательных станциях (далее – станциях)
Связи и замены
Взамен:
ГОСТ 9.909-86
Описание стандарта
ГОСТ 9.909-2023 Единая система защиты от коррозии и старения. Покрытия металлические и неметаллические неорганические, металлы и сплавы. Методы испытаний на климатических испытательных станциях
Страницы стандарта

































Приложение №1: Поправка к ГОСТ 9.909-2023 Обозначение: Поправка к ГОСТ 9.909-2023 Дата введения в действие: 28.03.2024
