ГОСТ EN 50561-1-2022 Аппаратура передачи информации по электрическим сетям, используемая в низковольтных установках. Характеристики радиопомех. Пределы и методы измерений. Часть 1. Аппаратура для бытового использования
ГОСТ ЕН
Скачать ГОСТ в PDF или DOC бесплатно
Основная информация
Обозначение:
ГОСТ EN 50561-1-2022
Статус:
Действует
Тип:
ГОСТ ЕН
Название русское:
Аппаратура передачи информации по электрическим сетям, используемая в низковольтных установках. Характеристики радиопомех. Пределы и методы измерений. Часть 1. Аппаратура для бытового использования
Название английское:
Power line communication apparatus used in low-voltage installations. Radio disturbance characteristics. Limits and methods of measurement. Part 1. Apparatus for in-home use
Даты и сроки
Дата регистрации:
05-16-22
Дата издания:
09-09-24
Дата введения в действие:
09-01-25
Применение и описание
Область и условия применения:
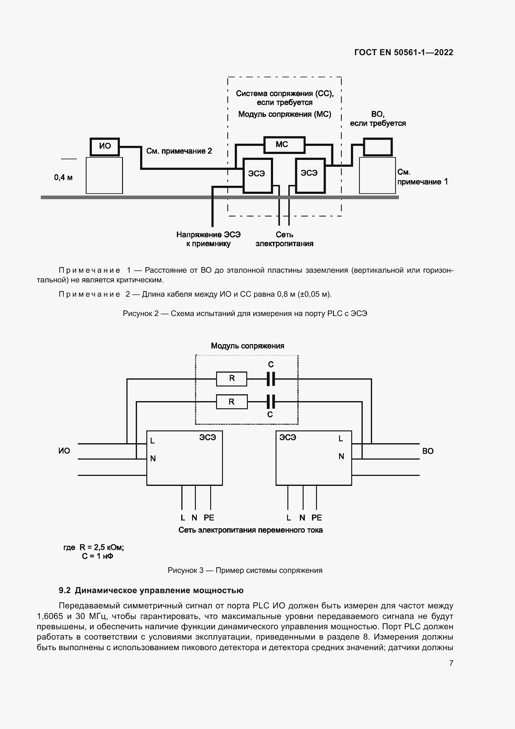
Настоящий стандарт определяет предельные значения и методы измерений характеристик радиопомех для бытовой аппаратуры связи, которая использует низковольтную сеть электропитания в качестве среды передачи. Настоящий стандарт применяют к оборудованию, которое осуществляет электросвязь по этой среде передачи в диапазоне частот от 1,6065 до 30 МГц. Изложены процедуры измерения сигналов, генерируемых оборудованием, и определены предельные значения для диапазона частот от 9 кГц до 400 ГГц. На частотах, для которых не установлены предельные значения, не требуются никакие измерения
Описание стандарта
ГОСТ EN 50561-1-2022 Аппаратура передачи информации по электрическим сетям, используемая в низковольтных установках. Характеристики радиопомех. Пределы и методы измерений. Часть 1. Аппаратура для бытового использования
Страницы стандарта























