ГОСТ EN 521-2016 Технические требования к приборам, работающим на сжиженном нефтяном газе. Приборы газовые переносные, работающие на сжиженном нефтяном газе
ГОСТ ЕН
Скачать ГОСТ в PDF или DOC бесплатно
Основная информация
Обозначение:
ГОСТ EN 521-2016
Статус:
Заменен
Тип:
ГОСТ ЕН
Название русское:
Технические требования к приборам, работающим на сжиженном нефтяном газе. Приборы газовые переносные, работающие на сжиженном нефтяном газе
Название английское:
Specification for dedicated liquefied petroleum gas appliances. Portable vapour pressure liquefied petroleum gas appliances
Даты и сроки
Дата регистрации:
06-28-16
Дата издания:
09-28-21
Дата введения в действие:
01-01-22
Применение и описание
Область и условия применения:
Настоящий стандарт устанавливает требования безопасности, требования к конструкции и эксплуатационным характеристикам переносных приборов, работающих на сжиженном нефтяном газе при рабочем давлении газа в баллоне, а также требования к рациональному использованию энергии. Настоящий стандарт также устанавливает методы испытаний переносных приборов, требования к маркировке и информации, которая должна быть указана в эксплуатационных документах
Описание стандарта
ГОСТ EN 521-2016 Технические требования к приборам, работающим на сжиженном нефтяном газе. Приборы газовые переносные, работающие на сжиженном нефтяном газе
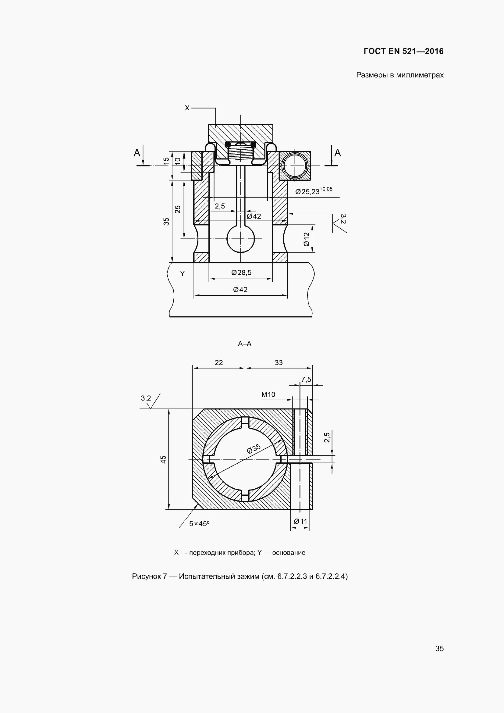
Страницы стандарта
























































Приложение №1: Поправка к ГОСТ EN 521-2016 Обозначение: Поправка к ГОСТ EN 521-2016 Дата введения в действие: 03.08.2022

Приложение №2: Поправка к ГОСТ EN 521-2016 Обозначение: Поправка к ГОСТ EN 521-2016 Дата введения в действие: 28.07.2023
