ГОСТ IEC 60335-2-40-2016 Бытовые и аналогичные электрические приборы. Безопасность. Часть 2-40. Частные требования к электрическим тепловым насосам, воздушным кондиционерам и осушителям
ГОСТ МЭК
Скачать ГОСТ в PDF или DOC бесплатно
Основная информация
Обозначение:
ГОСТ IEC 60335-2-40-2016
Статус:
Утратил силу в РФ
Тип:
ГОСТ МЭК
Название русское:
Бытовые и аналогичные электрические приборы. Безопасность. Часть 2-40. Частные требования к электрическим тепловым насосам, воздушным кондиционерам и осушителям
Название английское:
Household and similar electrical appliances. Safety. Part 2-40. Particular requirements for electrical heat pumps, air-conditioners and dehumidifiers
Даты и сроки
Дата регистрации:
03-29-16
Дата издания:
12-02-16
Дата введения в действие:
07-01-17
Дата завершения срока действия:
06-01-20
Применение и описание
Область и условия применения:
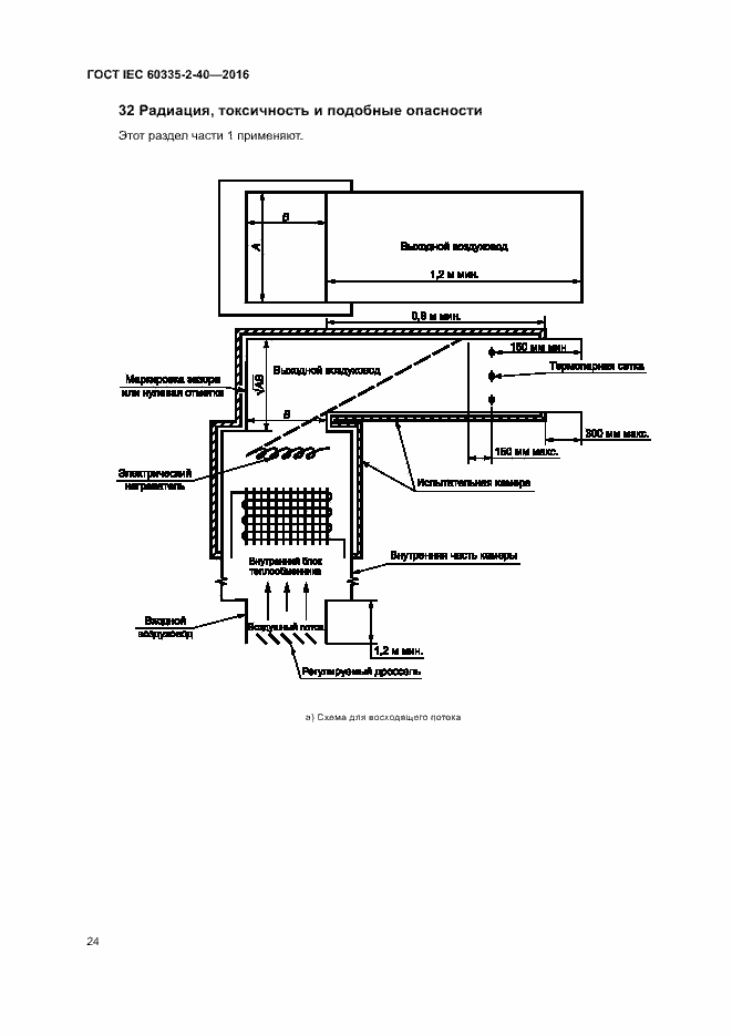
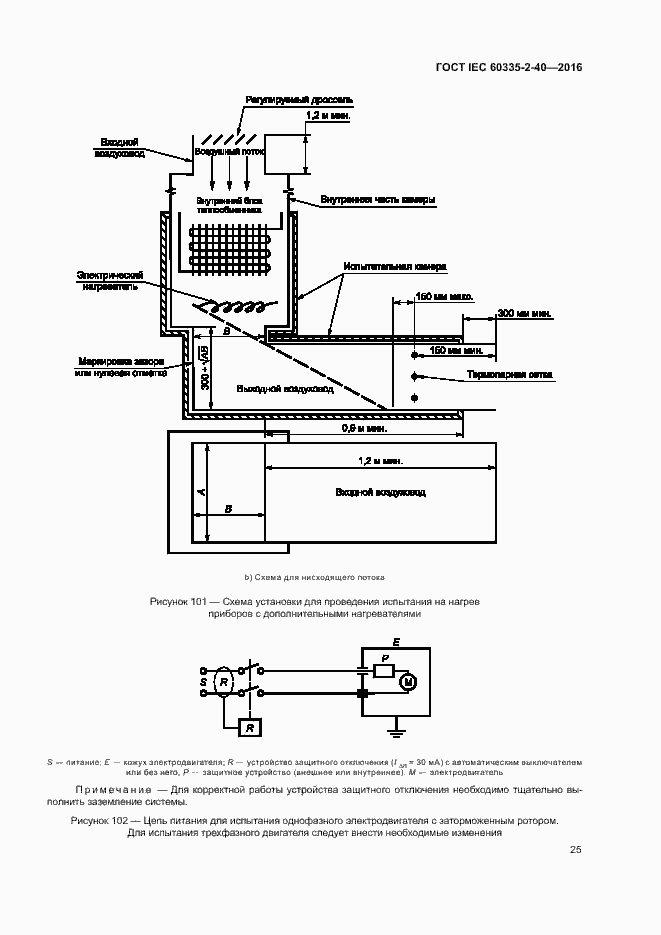
Настоящий стандарт устанавливает требования безопасности электрических тепловых насосов, в том числе тепловых насосов для горячей воды коммунального водоснабжения, воздушных кондиционеров и осушителей, оснащенных мотор-компрессорами и жидкостными конвективными теплообменниками, бытового и аналогичного применения номинальным напряжением не более: 250 В - для однофазных приборов и 600 В - для других приборов. Приборы, не предназначенные для бытового использования, но которые, тем не менее, могут быть источником опасности для людей, например приборы, используемые неспециалистами в магазинах, в легкой промышленности и на фермах, входят в область распространения настоящего стандарта. В область применения настоящего стандарта также входят электрические тепловые насосы, воздушные кондиционеры и осушители, содержащие воспламеняющийся хладагент. Определение воспламеняющихся хладагентов приведено в 3.121. Настоящий стандарт устанавливает частные требования к использованию воспламеняющихся хладагентов. Требования по безопасности охлаждения рассматриваются в ISО 5149, если они не приведены в настоящем стандарте, включая приложения
Связи и замены
Заменяющий:
-
Взамен:
ГОСТ IEC 60335-2-40-2010
Описание стандарта
ГОСТ IEC 60335-2-40-2016 Бытовые и аналогичные электрические приборы. Безопасность. Часть 2-40. Частные требования к электрическим тепловым насосам, воздушным кондиционерам и осушителям
Страницы стандарта
























































