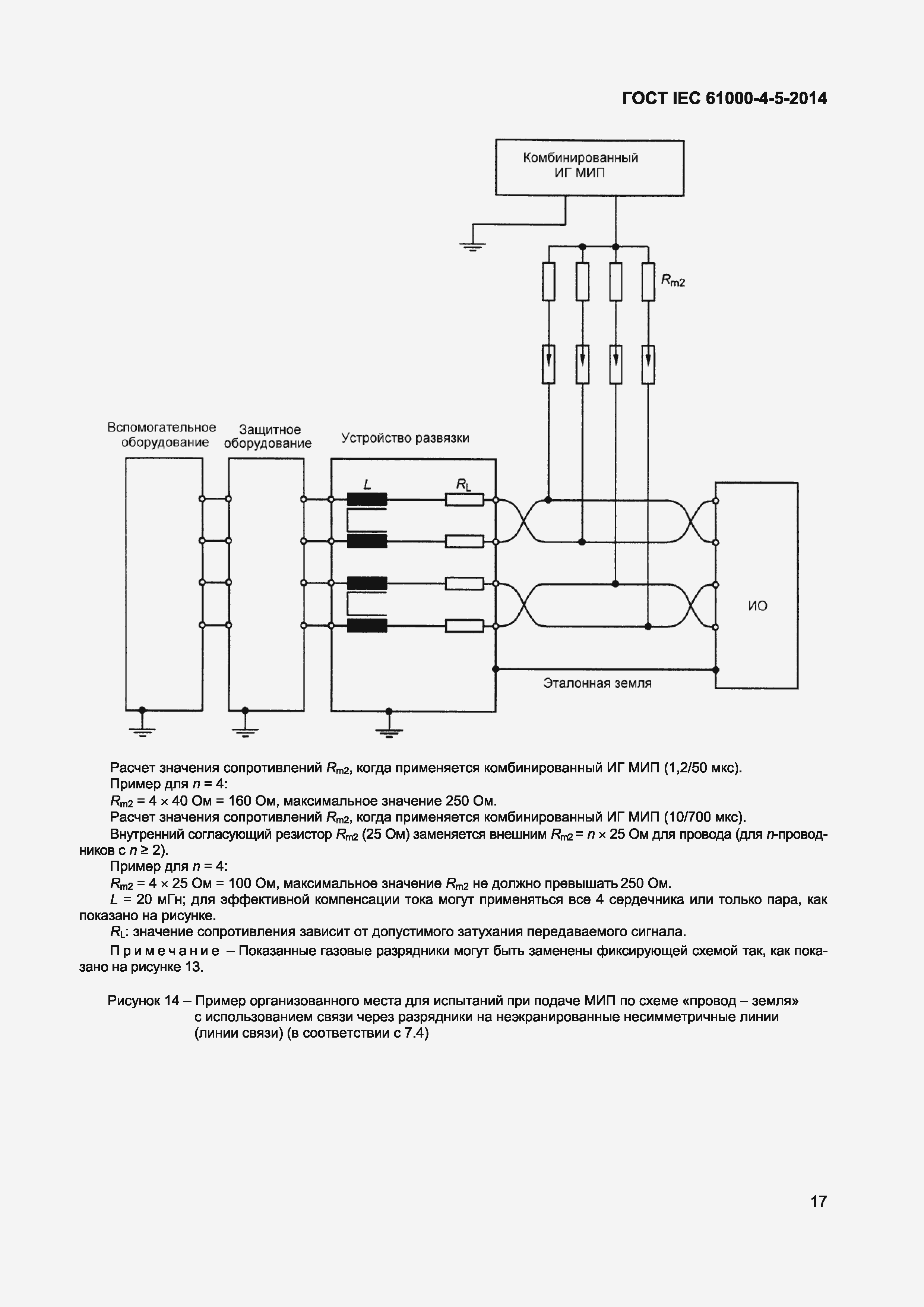
ГОСТ IEC 61000-4-5-2014 Электромагнитная совместимость. Часть 4-5. Методы испытаний и измерений. Испытания на устойчивость к микросекундным импульсам большой энергии
ГОСТ МЭК
Основная информация
Обозначение:
ГОСТ IEC 61000-4-5-2014
Статус:
утратил силу в РФ
Тип:
ГОСТ МЭК
Название русское:
Электромагнитная совместимость. Часть 4-5. Методы испытаний и измерений. Испытания на устойчивость к микросекундным импульсам большой энергии
Даты и сроки
Дата введения в действие:
01-01-15
Описание стандарта
ГОСТ IEC 61000-4-5-2014 Электромагнитная совместимость. Часть 4-5. Методы испытаний и измерений. Испытания на устойчивость к микросекундным импульсам большой энергии
Страницы стандарта










































