ГОСТ IEC 61000-4-6-2022 Электромагнитная совместимость. Часть 4-6. Методы испытаний и измерений. Устойчивость к кондуктивным помехам, наведенным радиочастотными полями
ГОСТ МЭК
Скачать ГОСТ в PDF или DOC бесплатно
Основная информация
Обозначение:
ГОСТ IEC 61000-4-6-2022
Статус:
Действует
Тип:
ГОСТ МЭК
Название русское:
Электромагнитная совместимость. Часть 4-6. Методы испытаний и измерений. Устойчивость к кондуктивным помехам, наведенным радиочастотными полями
Название английское:
Electromagnetic compatibility. Part 4-6. Testing and measurement techniques. Immunity to conducted disturbances, induced by radio-frequency fields
Даты и сроки
Дата регистрации:
11-22-22
Дата издания:
09-10-24
Дата введения в действие:
09-01-25
Дата завершения срока действия:
-
Применение и описание
Область и условия применения:
Настоящий стандарт устанавливает требования устойчивости электрического и электронного оборудования к кондуктивным помехам, наведенным электромагнитными полями от радиопередающих устройств в полосе частот от 150 кГц до 80 МГц. Оборудование, не имеющее хотя бы одного токопроводящего провода и/или кабеля (такого как сетевой шнур, сигнальный провод или провод заземления), на который могут воздействовать радиочастотные поля, исключено из области применения данного стандарта. Целью настоящего стандарта является установление общих подходов к оценке функциональной устойчивости электрического и электронного оборудования, подвергаемого воздействию кондуктивных помех, наводимых радиочастотными полями. Метод испытаний, установленный в настоящем стандарте, представляет собой согласованный метод оценки устойчивости оборудования или системы к определенному явлению
Связи и замены
Заменяющий:
-
Описание стандарта
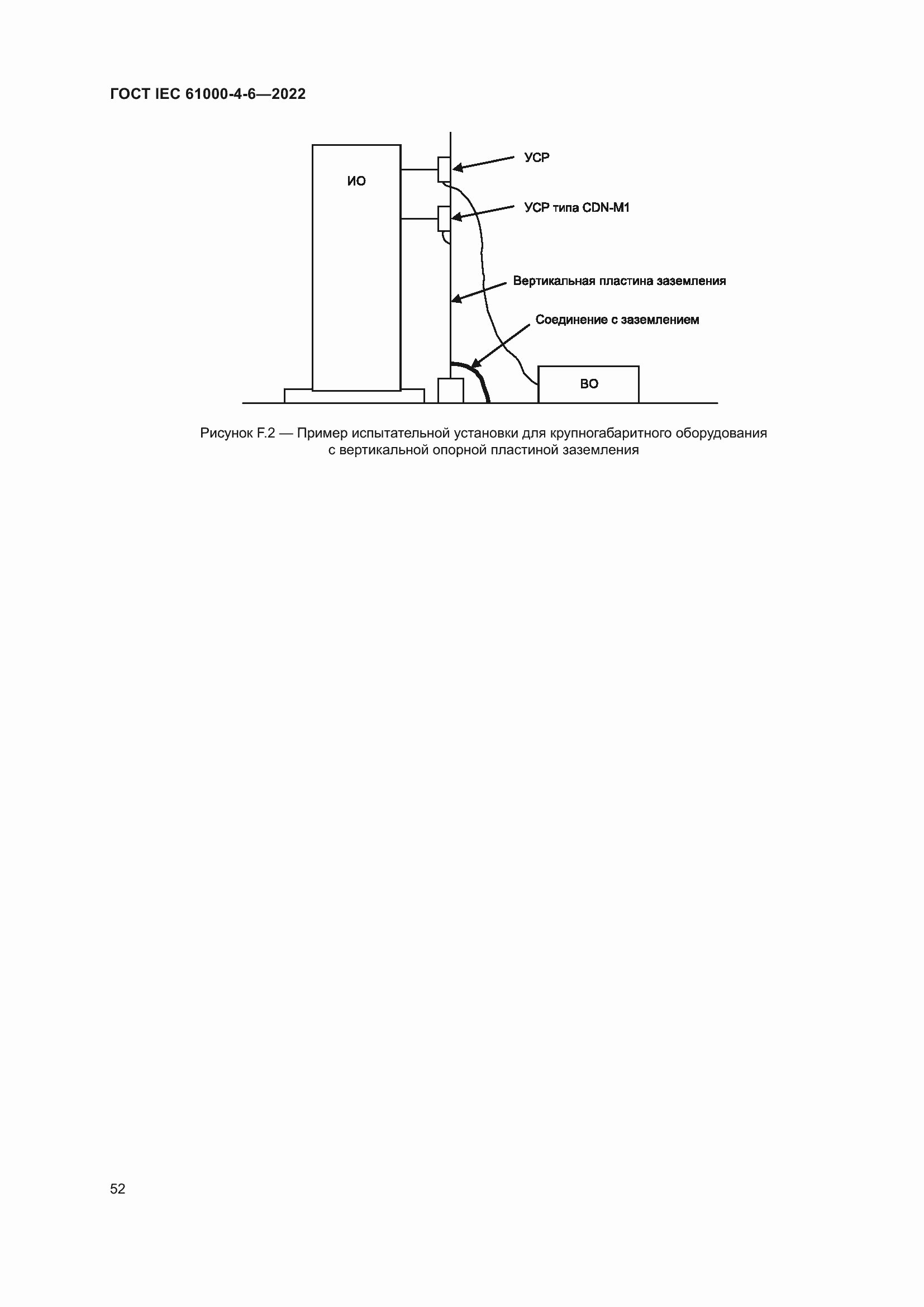
ГОСТ IEC 61000-4-6-2022 Электромагнитная совместимость. Часть 4-6. Методы испытаний и измерений. Устойчивость к кондуктивным помехам, наведенным радиочастотными полями
Страницы стандарта






















































































Приложение №1: Поправка к ГОСТ IEC 61000-4-6-2022 Обозначение: Поправка к ГОСТ IEC 61000-4-6-2022 Дата введения в действие: 13.05.2025
