ГОСТ IEC 62196-6-2024 Вилки, штепсельные розетки, переносные розетки и вводы для транспортных средств. Проводная зарядка для электромобилей. Часть 6. Требования размерной совместимости и взаимозаменяемости для штыревых разъемов и контактных трубок автомобильных соединителей постоянного тока с защитой электрическим разделением
ГОСТ МЭК
Скачать ГОСТ в PDF или DOC бесплатно
Основная информация
Обозначение:
ГОСТ IEC 62196-6-2024
Статус:
Действует
Тип:
ГОСТ МЭК
Название русское:
Вилки, штепсельные розетки, переносные розетки и вводы для транспортных средств. Проводная зарядка для электромобилей. Часть 6. Требования размерной совместимости и взаимозаменяемости для штыревых разъемов и контактных трубок автомобильных соединителей постоянного тока с защитой электрическим разделением
Название английское:
Plugs, socket-outlets, vehicle connectors and vehicle inlets. Conductive charging of electric vehicles. Part 6. Dimensional compatibility requirements for DC pin and contact-tube vehicle couplers intended to be used for DC EV supply equipment where protection relies on electrical separation
Даты и сроки
Дата регистрации:
09-30-24
Дата издания:
10-29-24
Дата введения в действие:
02-01-25
Дата завершения срока действия:
-
Применение и описание
Область и условия применения:
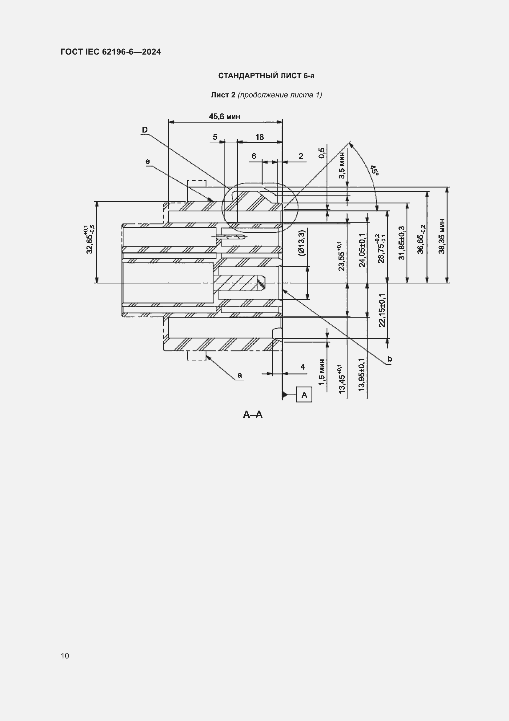
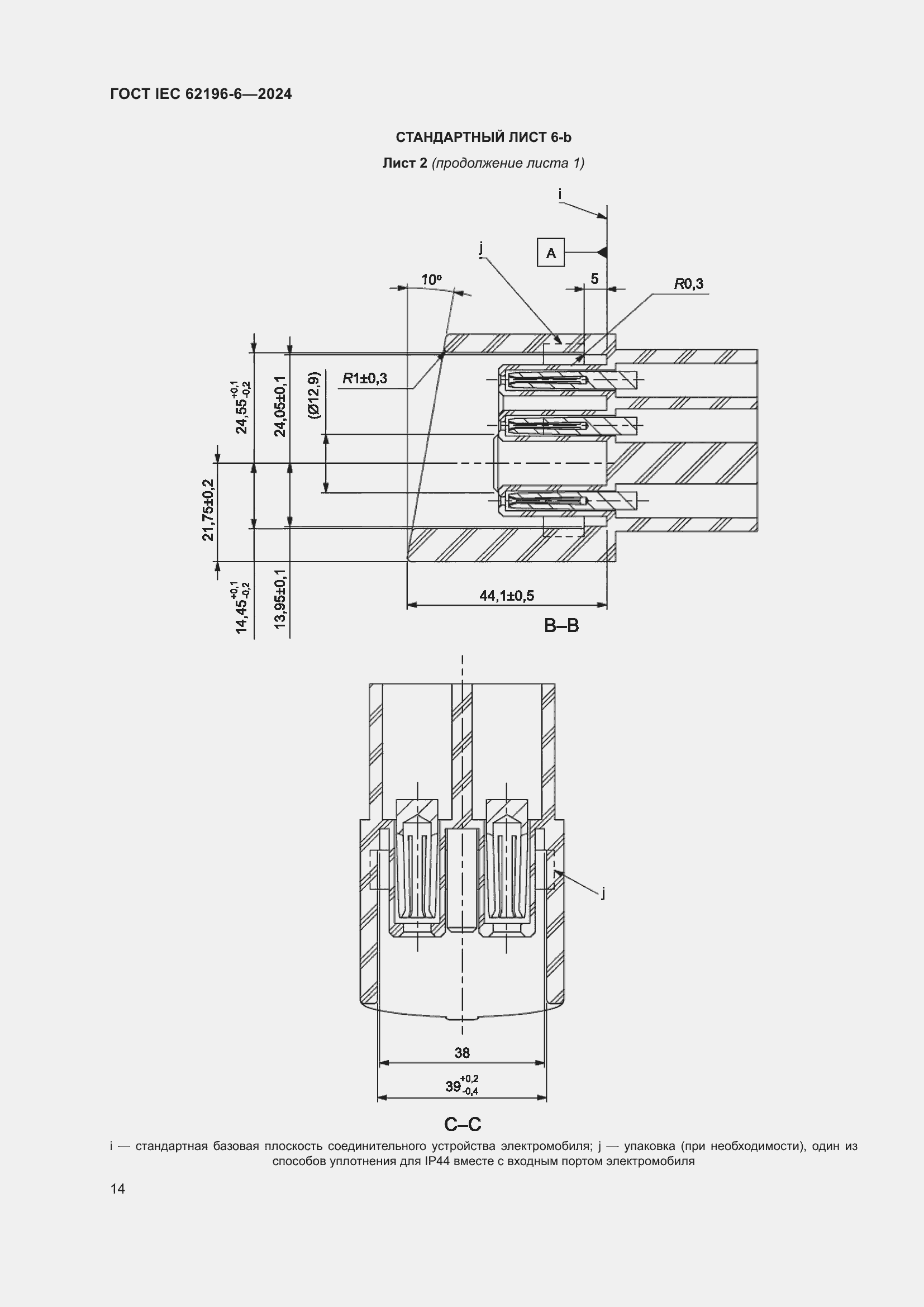
Настоящая часть IEC 62196 применима к соединительным устройствам, вводным портам электромобилей и кабельным сборкам для электромобилей, предназначенным для применения в проводных системах зарядки, включающих средства контроля, на номинальное рабочее напряжение не более 120 В постоянного тока и номинальным током не более 100 А
Связи и замены
Заменяющий:
-
Описание стандарта
ГОСТ IEC 62196-6-2024 Вилки, штепсельные розетки, переносные розетки и вводы для транспортных средств. Проводная зарядка для электромобилей. Часть 6. Требования размерной совместимости и взаимозаменяемости для штыревых разъемов и контактных трубок автомобильных соединителей постоянного тока с защитой электрическим разделением
Страницы стандарта



























