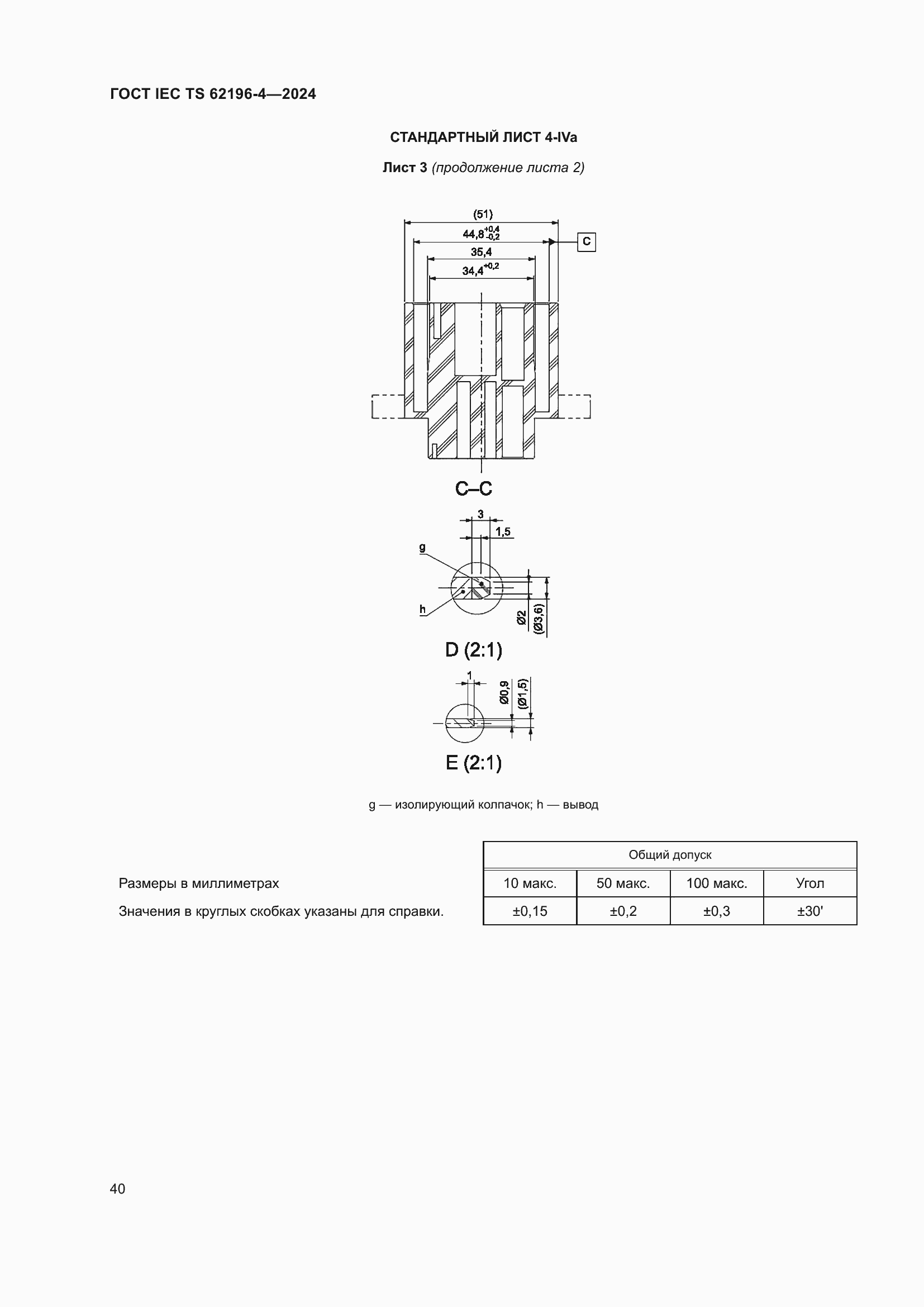
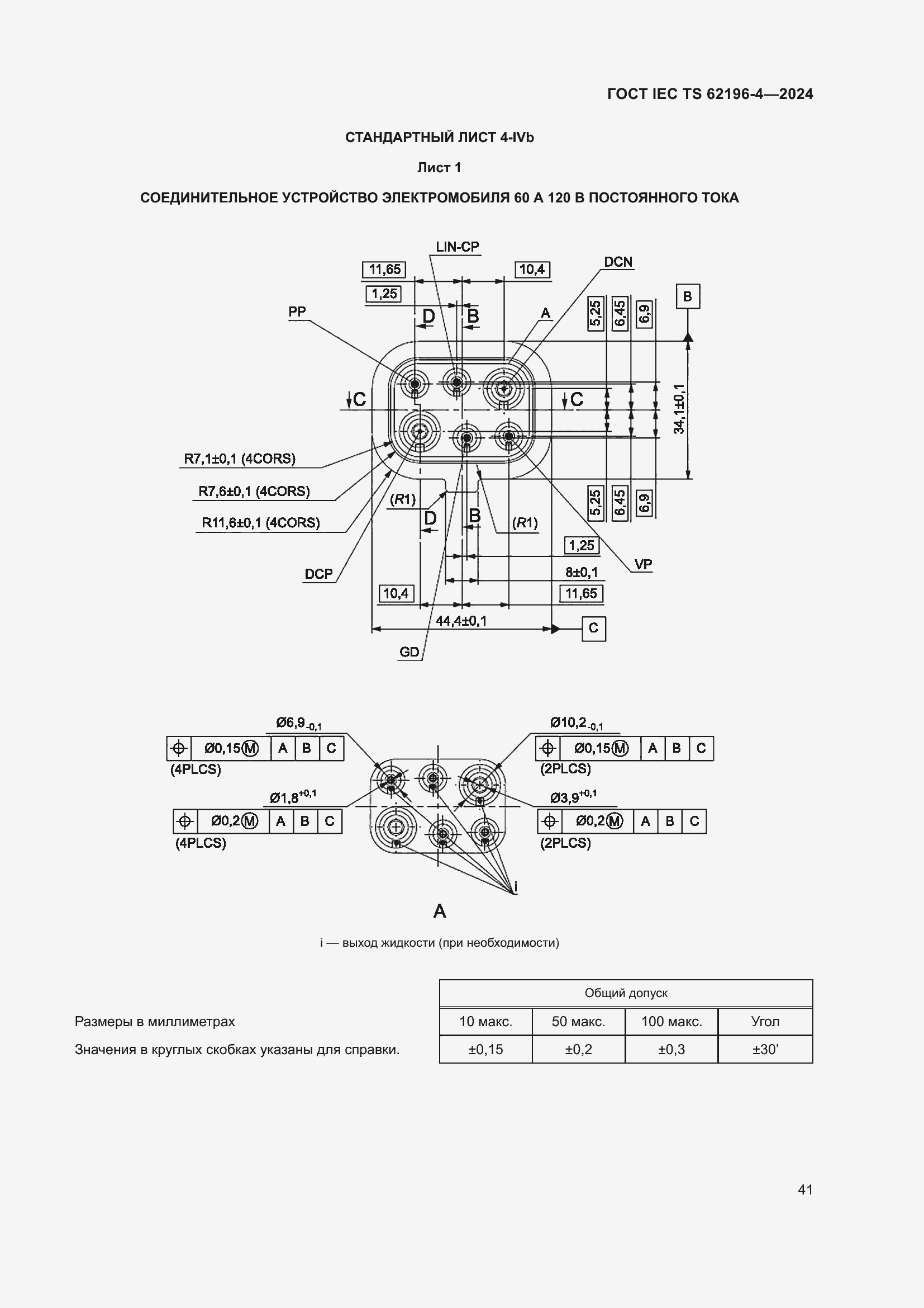
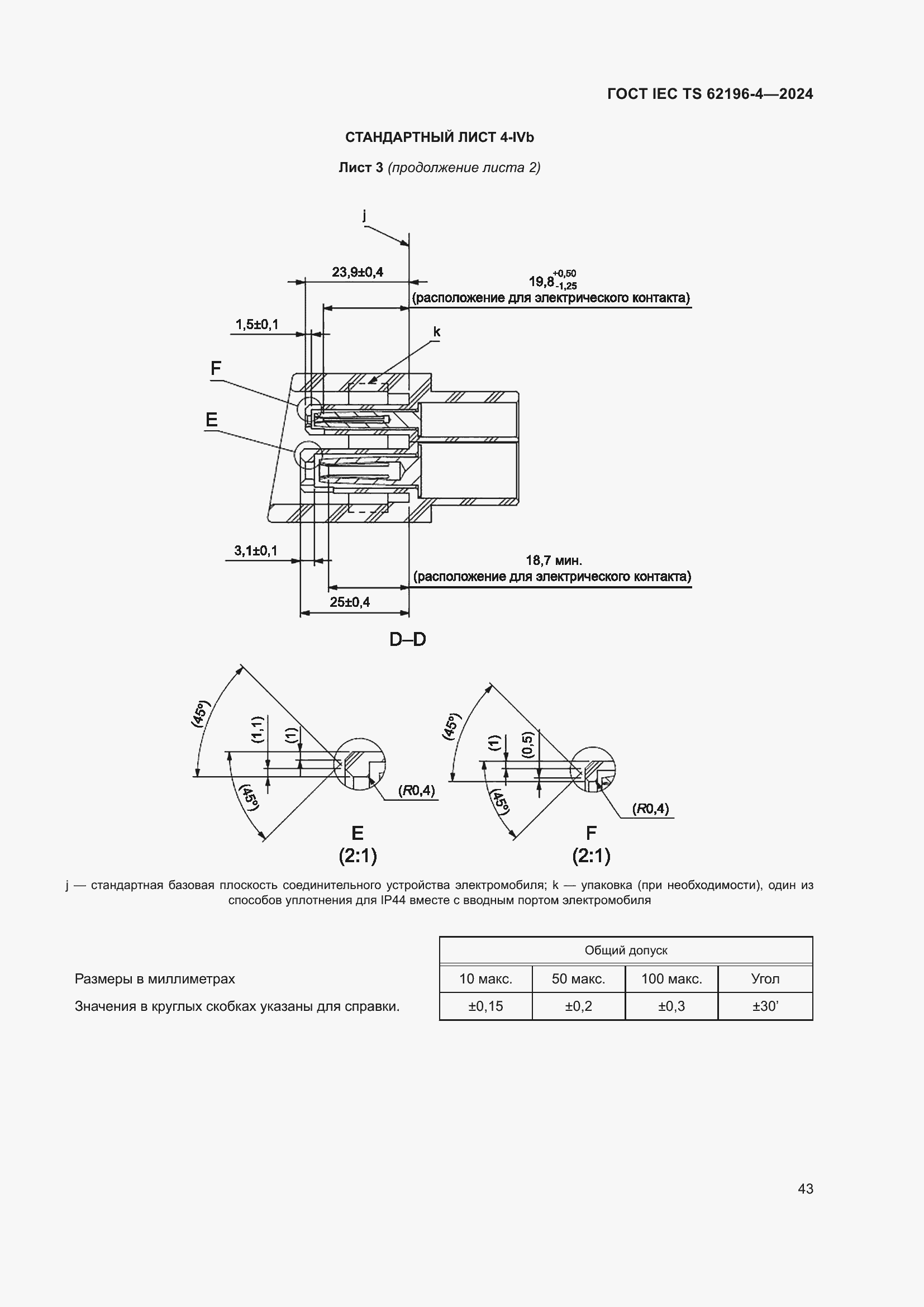
ГОСТ IEC TS 62196-4-2024 Вилки, штепсельные розетки, соединители и вводы для транспортных средств. Проводная зарядка для электромобилей. Часть 4. Требования размерной совместимости и взаимозаменяемости для штыревых разъемов и контактных трубок автомобильных соединителей постоянного и тока применений класса II и класса III
Прочее...
Скачать ГОСТ в PDF или DOC бесплатно
Основная информация
Обозначение:
ГОСТ IEC TS 62196-4-2024
Статус:
Действует
Тип:
Прочее...
Название русское:
Вилки, штепсельные розетки, соединители и вводы для транспортных средств. Проводная зарядка для электромобилей. Часть 4. Требования размерной совместимости и взаимозаменяемости для штыревых разъемов и контактных трубок автомобильных соединителей постоянного и тока применений класса II и класса III
Название английское:
Plugs, socket-outlets, connectors and inlets for vehicle. Conductive charging of electric vehicles. Part 4. Dimensional compatibility and interchangeability requirements for pin connectors and contact tubes of vehicular DC and current connectors for Class II or Class III applications
Даты и сроки
Дата регистрации:
10-31-24
Дата издания:
11-19-24
Дата введения в действие:
01-01-25
Дата завершения срока действия:
-
Применение и описание
Область и условия применения:
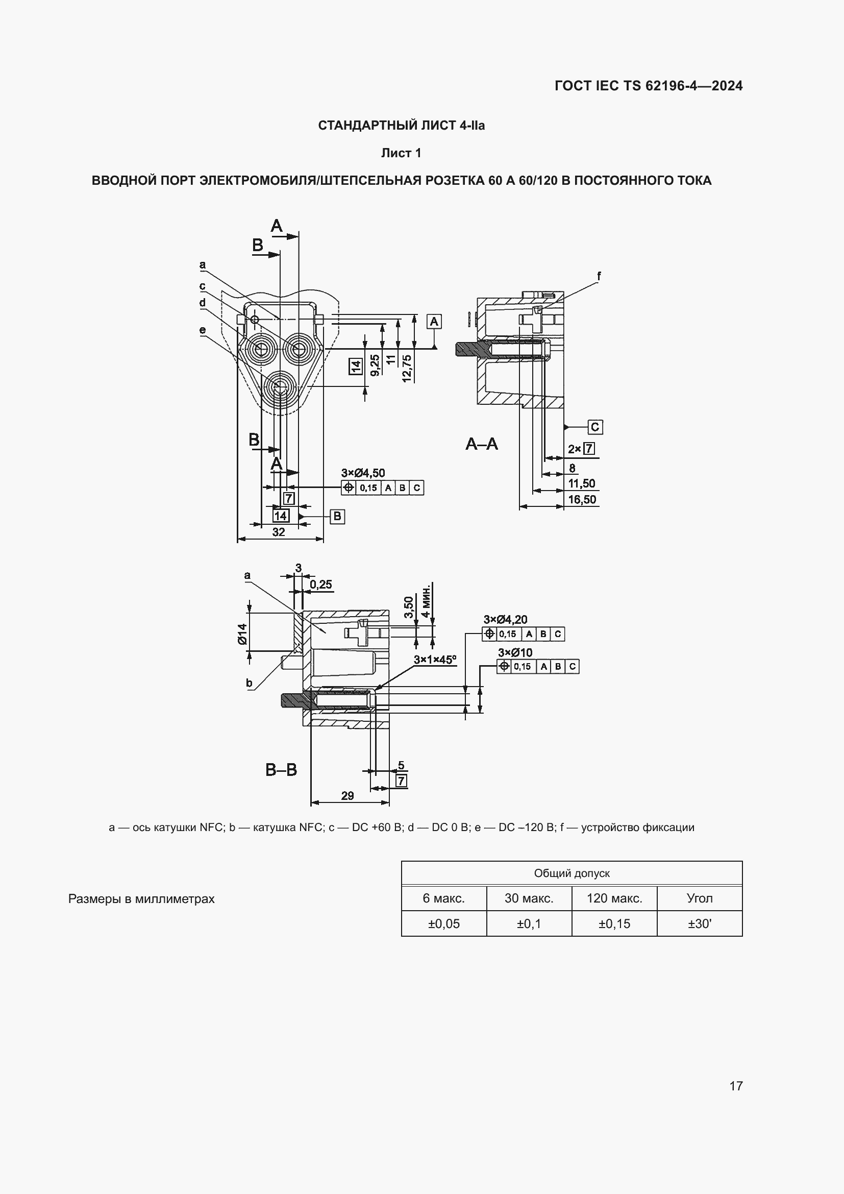
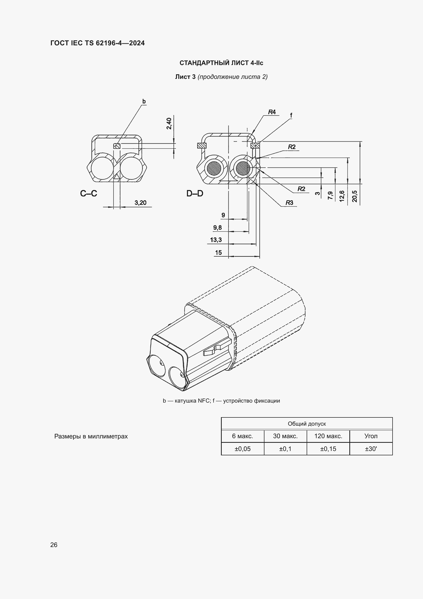
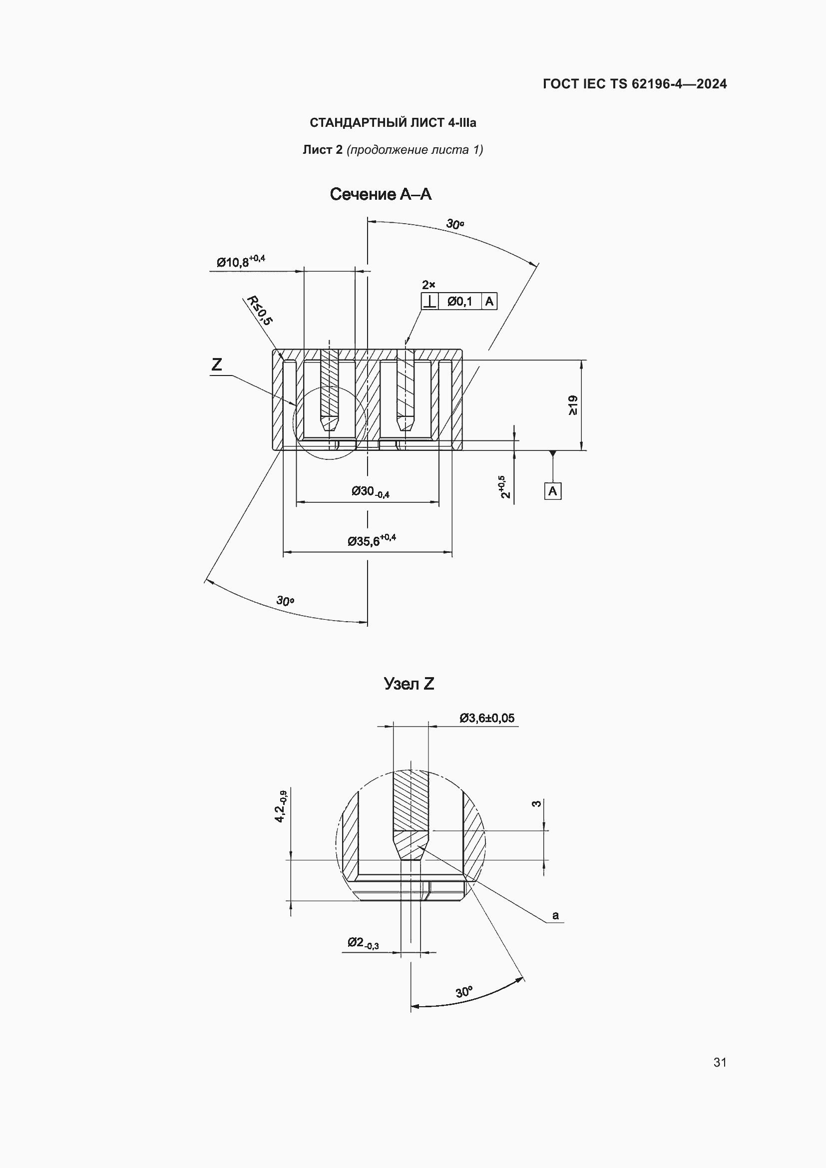
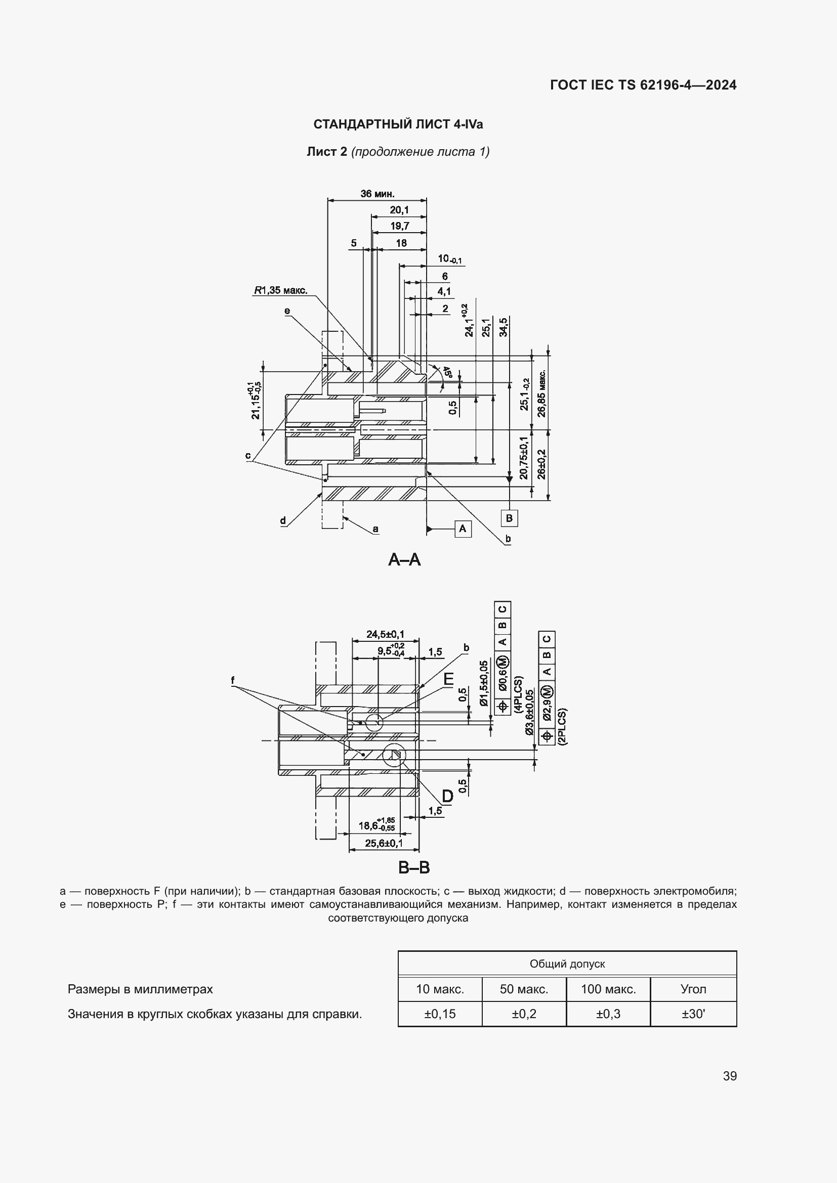
Настоящая часть IEC 62196 применима к вилкам, штепсельным розеткам, соединителям и вводам для транспортных средств, именуемым здесь «устройства», стандартного размера, предназначенным для использования с источником энергии постоянного тока для электрических дорожных транспортных средств, в которых защита от поражения электрическим током обеспечивается двойной или усиленной изоляцией между всеми входами и выходами переменного и постоянного тока оборудования для питания электромобилей, предназначенных для использования в системах проводной зарядки, которые могут включать в себя средства управления с максимальным рабочим напряжением до 120 В постоянного тока с номинальным значением не более 60 А. Эти устройства предназначены для применения в цепях, указанных в IEC 61851-3 (все части). Устройства, описанные в настоящей части IEC 62196, предназначены для применения только с электромобилями, которые обеспечивают цепь электроснабжения с двойной или усиленной изоляцией, или аккумуляторной системой, описанных в IEC 61851-3 (все части). Эти устройства и кабельные сборки предназначены для применения при температуре окружающей среды от минус 30 °C до плюс 50 °С. Устройства предназначены для соединения только с проводниками из меди или медных сплавов
Связи и замены
Заменяющий:
-
Описание стандарта
ГОСТ IEC TS 62196-4-2024 Вилки, штепсельные розетки, соединители и вводы для транспортных средств. Проводная зарядка для электромобилей. Часть 4. Требования размерной совместимости и взаимозаменяемости для штыревых разъемов и контактных трубок автомобильных соединителей постоянного и тока применений класса II и класса III
Страницы стандарта

























































