ГОСТ ISO 6321-2024 Жиры и масла животные и растительные. Определение температуры плавления в открытых капиллярах. Температура скольжения
ГОСТ ИСО
Скачать ГОСТ в PDF или DOC бесплатно
Основная информация
Обозначение:
ГОСТ ISO 6321-2024
Статус:
Действует
Тип:
ГОСТ ИСО
Название русское:
Жиры и масла животные и растительные. Определение температуры плавления в открытых капиллярах. Температура скольжения
Название английское:
Animal and vegetable fats and oils. Determination of melting point in open capillary tubes. Slip point
Даты и сроки
Дата регистрации:
07-31-24
Дата издания:
08-13-24
Дата введения в действие:
04-01-25
Дата завершения срока действия:
-
Применение и описание
Область и условия применения:
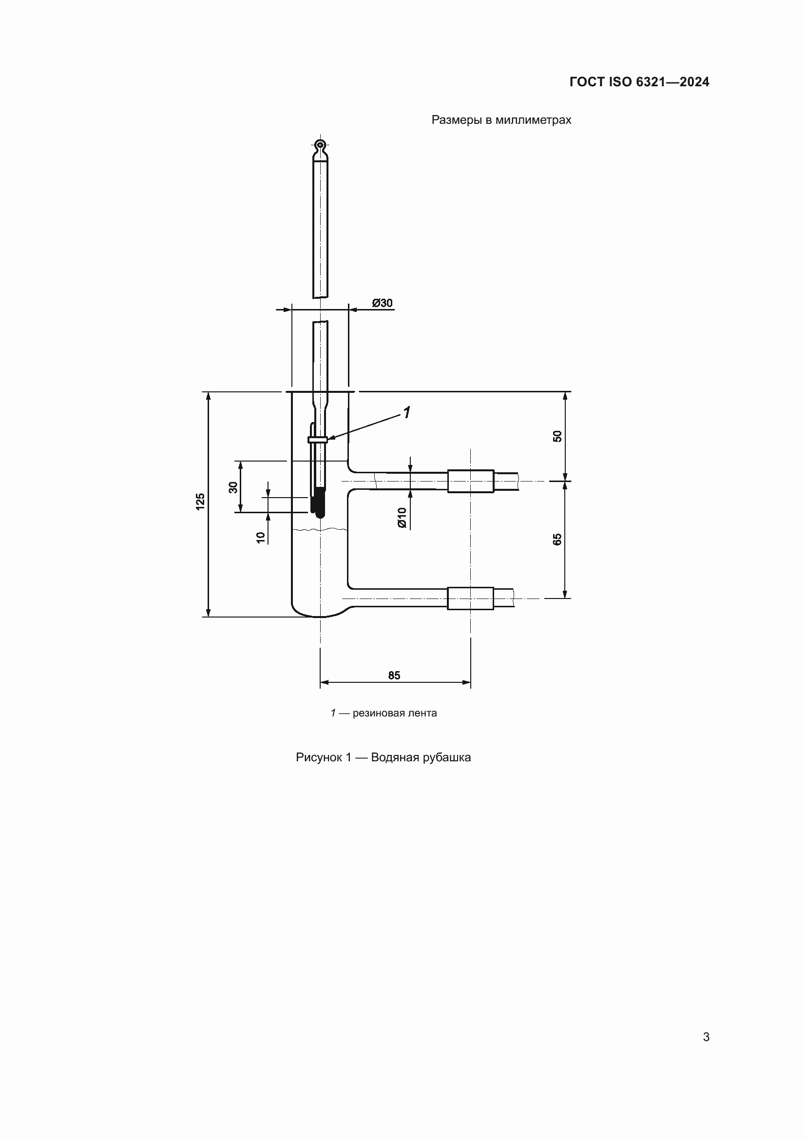
Настоящий стандарт устанавливает два метода определения температуры плавления в открытых капиллярах, широко известной как температура плавления (скольжения), животных и растительных жиров и масел (далее – жиры). Метод А применим только к животным и растительным жирам, которые при комнатной температуре находятся в твердом состоянии и не проявляют выраженного полиморфизма. Метод В применим ко всем животным и растительным жирам, которые при комнатной температуре находятся в твердом состоянии и свойства полиморфизма которых неизвестны. Метод определения температуры плавления проб пальмовогомасла приведен в приложении А
Связи и замены
Заменяющий:
-
Взамен:
ГОСТ ISO 6321-2019
Описание стандарта
ГОСТ ISO 6321-2024 Жиры и масла животные и растительные. Определение температуры плавления в открытых капиллярах. Температура скольжения
Страницы стандарта















