ГОСТ Р 18.3.01-2023 Технологии авиатопливообеспечения. Типовые схемы
ГОСТ Р
Скачать ГОСТ в PDF или DOC бесплатно
Основная информация
Обозначение:
ГОСТ Р 18.3.01-2023
Статус:
Действует
Тип:
ГОСТ Р
Название русское:
Технологии авиатопливообеспечения. Типовые схемы
Название английское:
Technology of the aviation fueling. Typical schemes
Даты и сроки
Дата издания:
08-21-23
Дата введения в действие:
09-01-23
Применение и описание
Область и условия применения:
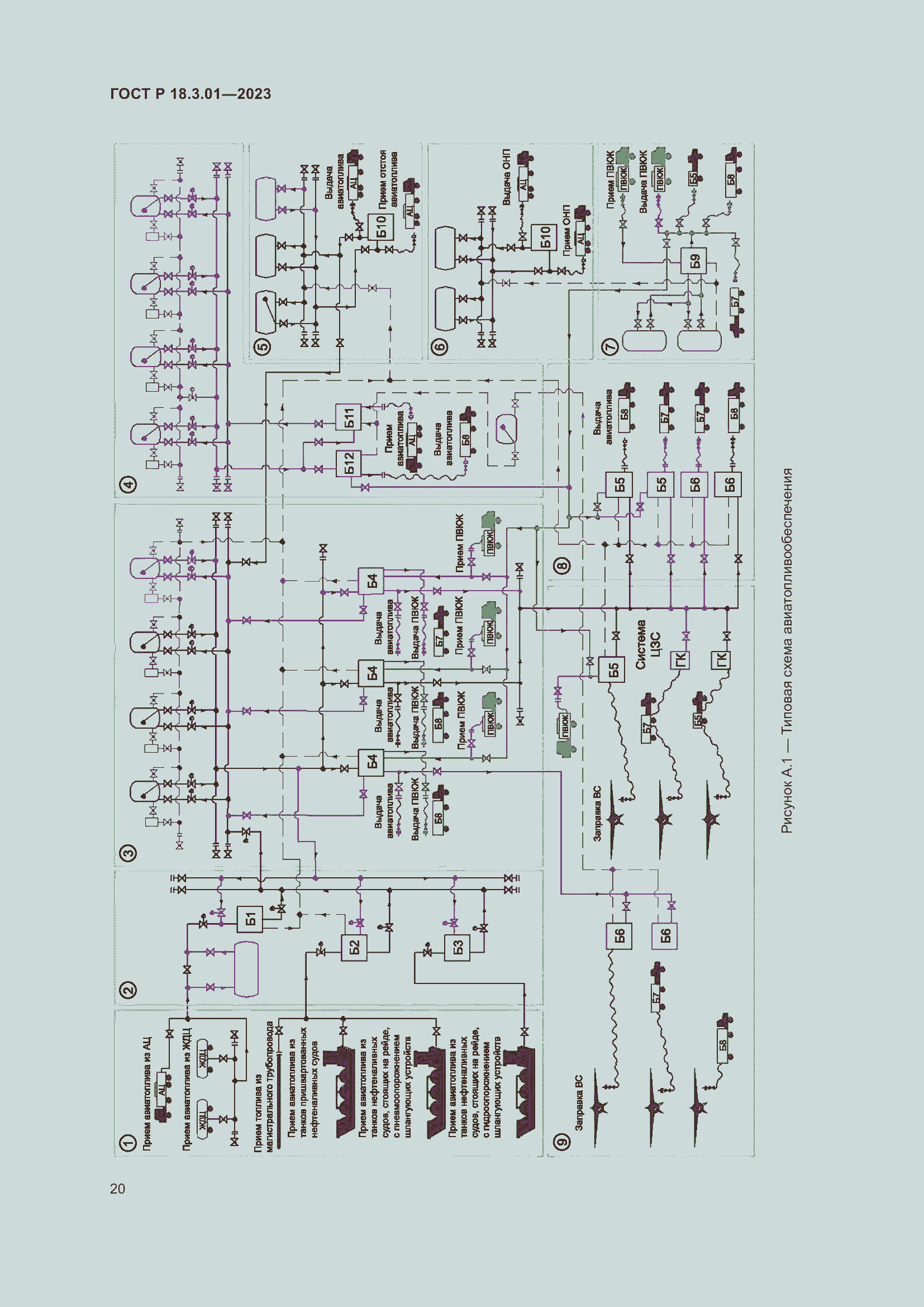
Настоящий стандарт устанавливает требования к типовой схеме авиатопливообеспечения и типовым схемам технологических модулей авиатопливообеспечения. Настоящий стандарт предназначен для использования при проектировании, реконструкции, модернизации и эксплуатации производственных объектов, инфраструктуры и технологического оборудования организаций авиатопливообеспечения на аэродромах и вертодромах государственной, гражданской и экспериментальной авиации, посадочных площадках с соблюдением требований действующих норм охраны труда, правил промышленной, пожарной и экологической безопасности и охраны окружающей среды
Связи и замены
Взамен:
ГОСТ Р 18.3.01-2016
Описание стандарта
ГОСТ Р 18.3.01-2023 Технологии авиатопливообеспечения. Типовые схемы
Страницы стандарта































