ГОСТ Р 2.308-2023 Единая система конструкторской документации. Допуски формы и расположения поверхностей. Правила выполнения
ГОСТ Р
Скачать ГОСТ в PDF или DOC бесплатно
Основная информация
Обозначение:
ГОСТ Р 2.308-2023
Статус:
Действует
Тип:
ГОСТ Р
Название русское:
Единая система конструкторской документации. Допуски формы и расположения поверхностей. Правила выполнения
Название английское:
Unified system for design documentation. Geometric tolerances. Implementation rules
Даты и сроки
Дата издания:
11-29-23
Дата введения в действие:
03-01-24
Дата завершения срока действия:
-
Применение и описание
Область и условия применения:
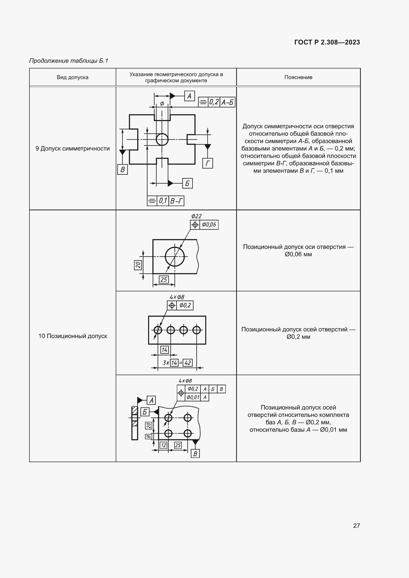
Настоящий стандарт устанавливает правила выполнения допусков формы и расположения поверхностей в графических документах. Настоящий стандарт распространяется на изделия машиностроения всех отраслей промышленности
Связи и замены
Заменяющий:
-
Описание стандарта
ГОСТ Р 2.308-2023 Единая система конструкторской документации. Допуски формы и расположения поверхностей. Правила выполнения
Страницы стандарта




































Приложение №1: Поправка к ГОСТ Р 2.308-2023 Обозначение: Поправка к ГОСТ Р 2.308-2023 Дата введения в действие: 29.04.2025
