ГОСТ Р 42.4.17-2023 Гражданская оборона. Инженерно-техническое оборудование защитных сооружений гражданской обороны. Камеры расширительные. Общие технические требования. Методы испытаний
ГОСТ Р
Скачать ГОСТ в PDF или DOC бесплатно
Основная информация
Обозначение:
ГОСТ Р 42.4.17-2023
Статус:
Отменен
Тип:
ГОСТ Р
Название русское:
Гражданская оборона. Инженерно-техническое оборудование защитных сооружений гражданской обороны. Камеры расширительные. Общие технические требования. Методы испытаний
Название английское:
Civil defense. Engineering and technical equipment of civil defense constructions. Expansion chambers. General technical requirements. Test methods
Даты и сроки
Дата издания:
01-16-24
Дата введения в действие:
05-01-24
Дата завершения срока действия:
07-31-25
Применение и описание
Область и условия применения:
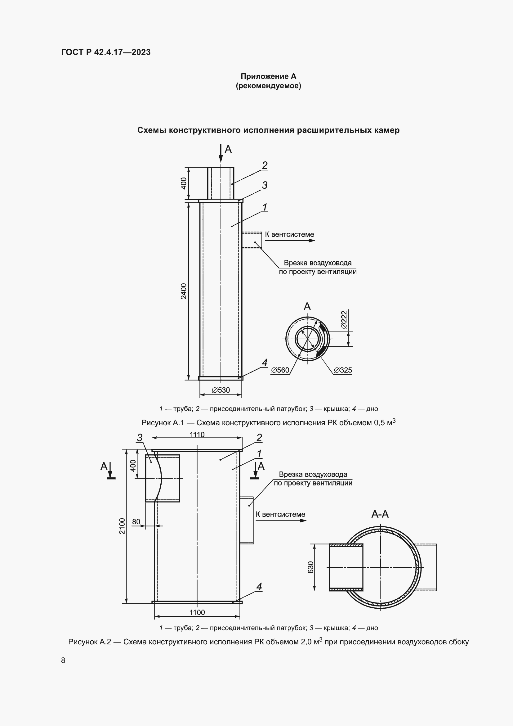
Настоящий стандарт распространяется на металлические расширительные камеры (далее – расширительные камеры, РК), являющиеся элементом систем вентиляции убежищ гражданской обороны (далее – убежищ) и размещаемые после противовзрывных устройств на газовоздушных трактах
Связи и замены
Заменяющий:
-
Описание стандарта
ГОСТ Р 42.4.17-2023 Гражданская оборона. Инженерно-техническое оборудование защитных сооружений гражданской обороны. Камеры расширительные. Общие технические требования. Методы испытаний
Страницы стандарта











