ГОСТ Р 50571.5.54-2024 Электроустановки низковольтные. Часть 5-54. Выбор и монтаж электрического оборудования. Заземляющие устройства и защитные проводники
ГОСТ Р
Скачать ГОСТ в PDF или DOC бесплатно
Основная информация
Обозначение:
ГОСТ Р 50571.5.54-2024
Статус:
Действует
Тип:
ГОСТ Р
Название русское:
Электроустановки низковольтные. Часть 5-54. Выбор и монтаж электрического оборудования. Заземляющие устройства и защитные проводники
Название английское:
Low-voltage electrical installations. Part 5-54. Selection and erection of electrical equipment. Earthing arrangements and protective conductors
Даты и сроки
Дата издания:
07-16-24
Дата введения в действие:
08-01-24
Дата завершения срока действия:
-
Применение и описание
Область и условия применения:
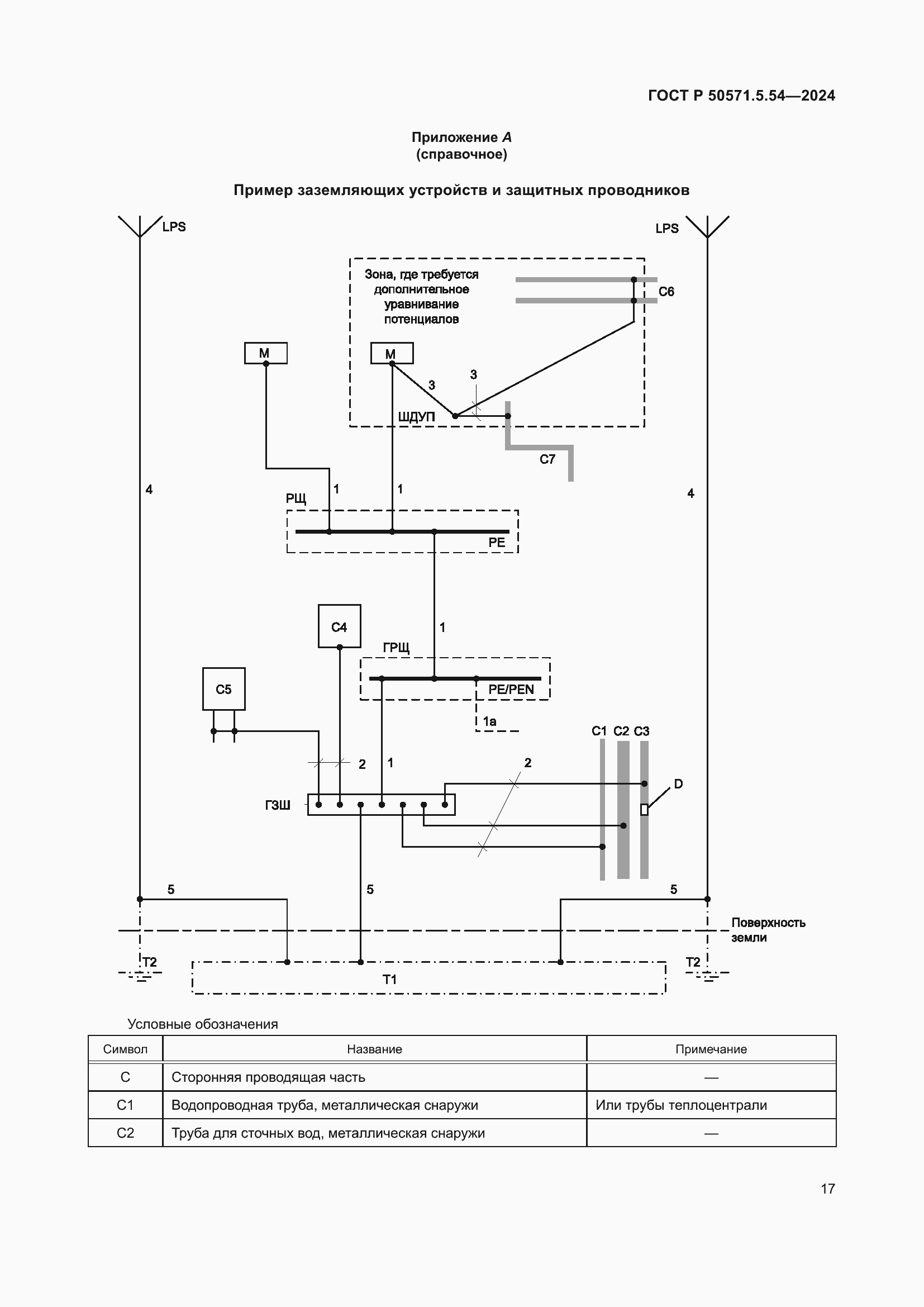
Настоящий стандарт устанавливает требования к заземляющим устройствам, защитным проводникам, включая защитные проводники уравнивания потенциалов, применяемым для обеспечения электрической безопасности в электрических установках. Настоящий стандарт также устанавливает требования к заземлению и выравниванию потенциалов для ИКТ с целью: - снижения риска электрических опасностей для надлежащей эксплуатации этих устройств и электропроводок информационно-коммуникационных технологий; - обеспечения телекоммуникационных систем стабильным опорным потенциалом, необходимым для устойчивости рабочего сигнала при электромагнитных помехах (ЭМП) (см. [1])
Связи и замены
Заменяющий:
-
Взамен:
ГОСТ Р 50571.5.54-2013
Описание стандарта
ГОСТ Р 50571.5.54-2024 Электроустановки низковольтные. Часть 5-54. Выбор и монтаж электрического оборудования. Заземляющие устройства и защитные проводники
Страницы стандарта































