ГОСТ Р ИСО 20160-2019 Имплантаты для хирургии. Материалы металлические. Классификация микроструктуры стержней из альфа+бета-титанового сплава
ГОСТ Р ИСО
Скачать ГОСТ в PDF или DOC бесплатно
Основная информация
Обозначение:
ГОСТ Р ИСО 20160-2019
Статус:
Действует
Тип:
ГОСТ Р ИСО
Название русское:
Имплантаты для хирургии. Материалы металлические. Классификация микроструктуры стержней из альфа+бета-титанового сплава
Название английское:
Implants for surgery. Metallic materials. Classification of microstructures for alpha+beta titanium alloy bars
Даты и сроки
Дата издания:
10-08-19
Дата введения в действие:
05-01-20
Дата завершения срока действия:
-
Применение и описание
Область и условия применения:
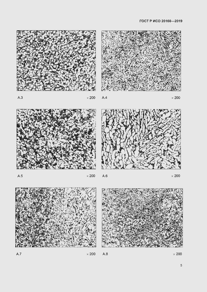
Настоящий стандарт предоставляет каталог металлографических микрофотографических снимков для обозначения микроструктур альфа+бета-титановых сплавов в форме стержней, которые предназначены для производства хирургических имплантатов. Настоящий стандарт применяется для стержней диаметром не более 100 мм или эквивалентных им. Данный каталог микроструктур предназначен для обеспечения поддержки взаимодействия общих типов микроструктур стержней из альфа+бета-титанового сплава. Обозначение микроструктур основано на морфологии внешнего вида. Действительные микроструктуры могут также выглядеть как комбинация микрографических изображений
Связи и замены
Заменяющий:
-
Описание стандарта
ГОСТ Р ИСО 20160-2019 Имплантаты для хирургии. Материалы металлические. Классификация микроструктуры стержней из альфа+бета-титанового сплава
Страницы стандарта














