ГОСТ Р 52850-2007 Автомобильные транспортные средства. Компрессоры одноступенчатого сжатия. Технические требования и методы испытаний
ГОСТ Р
Скачать ГОСТ в PDF или DOC бесплатно
Основная информация
Обозначение:
ГОСТ Р 52850-2007
Статус:
Действует
Тип:
ГОСТ Р
Название русское:
Автомобильные транспортные средства. Компрессоры одноступенчатого сжатия. Технические требования и методы испытаний
Название английское:
Vehicles. Single-stage compressed air pumps. Technical requirements and test methods
Даты и сроки
Дата издания:
05-05-08
Дата введения в действие:
01-01-09
Дата завершения срока действия:
-
Применение и описание
Область и условия применения:
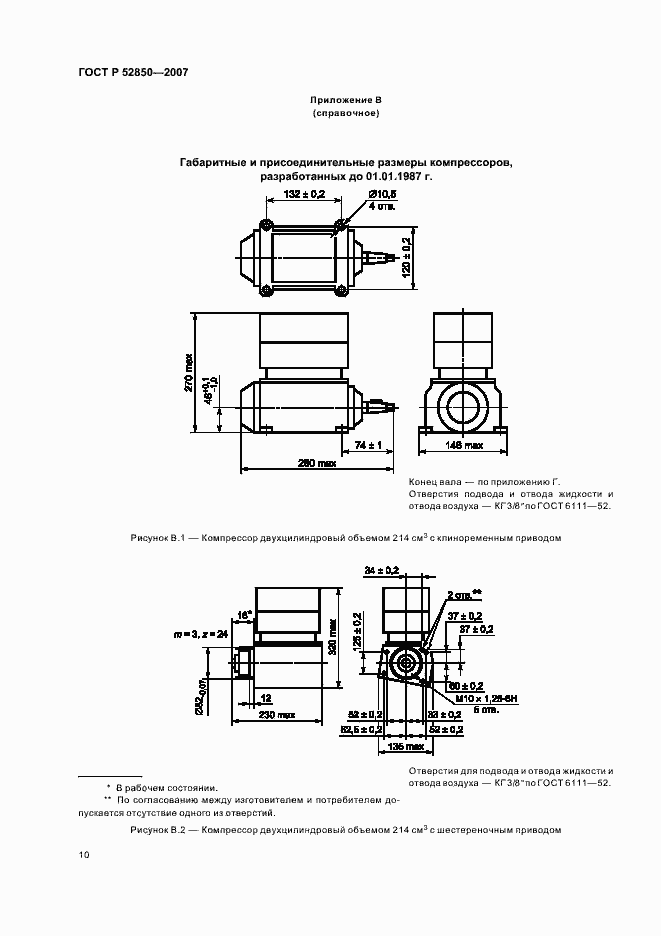
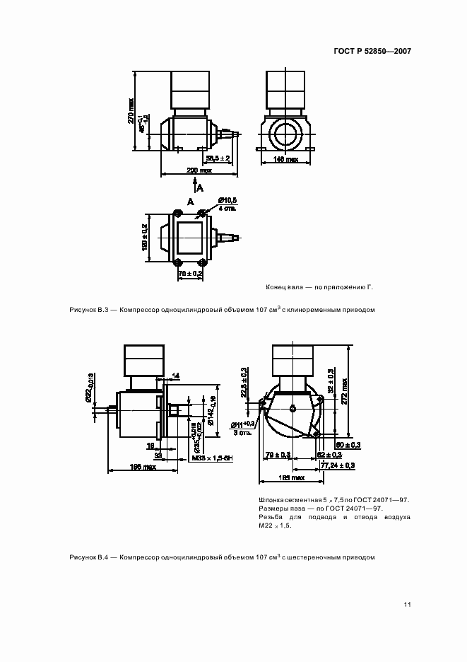
Настоящий стандарт распространяется на воздушные поршневые компрессоры одноступенчатого сжатия, предназначенные для автомобильных транспортных средств, и устанавливает технические требования и методы их испытаний
Связи и замены
Заменяющий:
-
Описание стандарта
ГОСТ Р 52850-2007 Автомобильные транспортные средства. Компрессоры одноступенчатого сжатия. Технические требования и методы испытаний
Страницы стандарта






















