ГОСТ Р 54418.24-2023 Ветроэнергетика. Установки ветроэнергетические. Часть 24. Молниезащита
ГОСТ Р
Скачать ГОСТ в PDF или DOC бесплатно
Основная информация
Обозначение:
ГОСТ Р 54418.24-2023
Статус:
Действует
Тип:
ГОСТ Р
Название русское:
Ветроэнергетика. Установки ветроэнергетические. Часть 24. Молниезащита
Название английское:
Wind power engineering. Wind turbines. Part 24. Lightning protection
Даты и сроки
Дата издания:
01-26-24
Дата введения в действие:
02-01-24
Дата завершения срока действия:
-
Применение и описание
Область и условия применения:
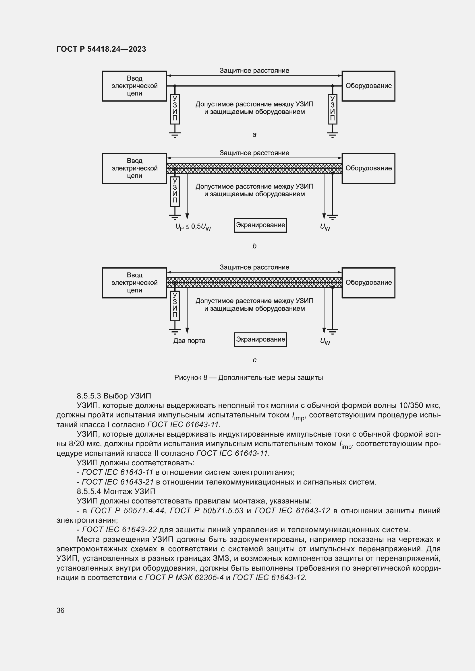
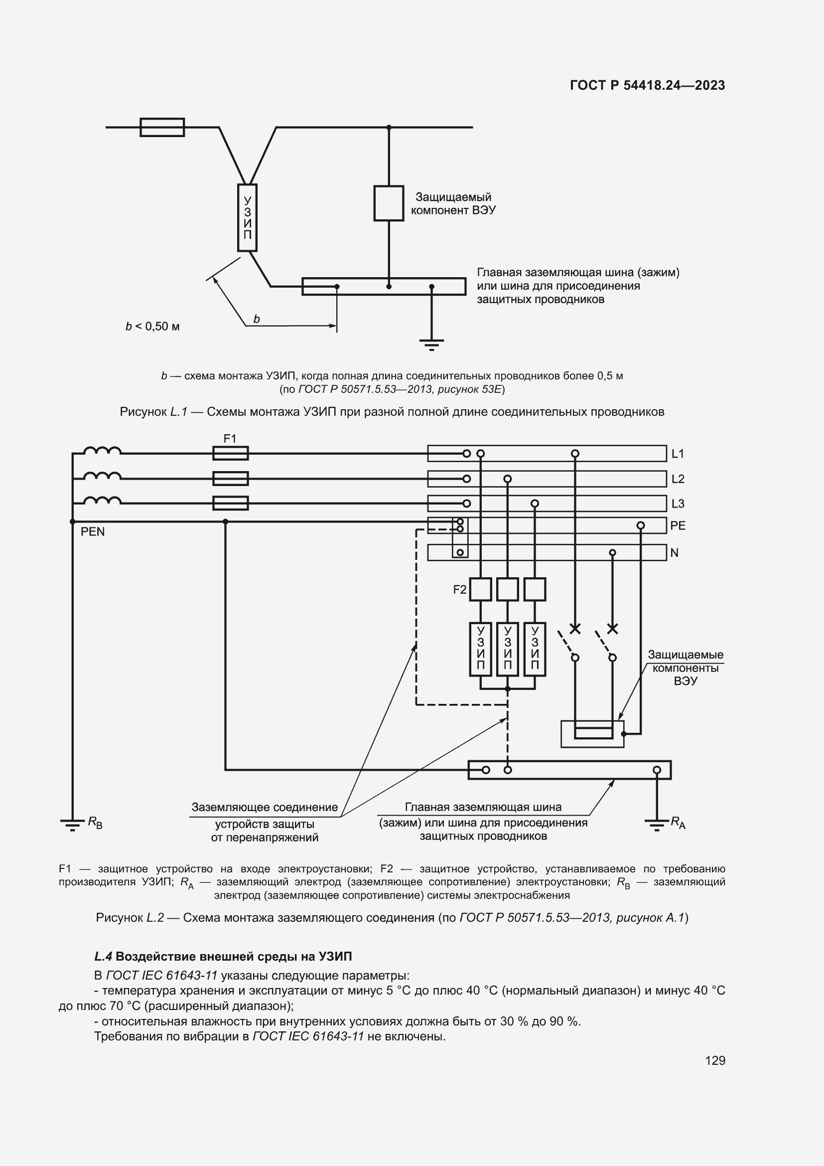
Настоящий стандарт распространяется на ветроэнергетические установки (ВЭУ) и ветроэнергетические станции (ВЭС), кроме малых ВЭУ, и устанавливает требования по их защите от молний. Указания по молниезащите малых ВЭУ приведены в приложении А. В настоящем стандарте установлены правила оценки влияния ударов молнии на ВЭУ и оценки рисков, связанных с такими ситуациями. В стандарте установлены требования по организации молниезащиты ВЭУ, включая заземление, применению промышленных электрических стандартов и стандартов по электромагнитной совместимости (ЭМС). Стандарт устанавливает требования по обеспечению безопасности персонала при ударах молнии и требования по анализу статистки ущерба и отчетности
Связи и замены
Заменяющий:
-
Взамен:
ГОСТ Р 54418.24-2013
Описание стандарта
ГОСТ Р 54418.24-2023 Ветроэнергетика. Установки ветроэнергетические. Часть 24. Молниезащита
Страницы стандарта































































































































































