ГОСТ Р 57904-2017 Двигатели дизельные. Монтажные фланцы для насосов. Часть 1. Топливные насосы высокого давления
ГОСТ Р
Скачать ГОСТ в PDF или DOC бесплатно
Основная информация
Обозначение:
ГОСТ Р 57904-2017
Статус:
Действует
Тип:
ГОСТ Р
Название русское:
Двигатели дизельные. Монтажные фланцы для насосов. Часть 1. Топливные насосы высокого давления
Название английское:
Diesel engines. End-mounting flanges for pumps. Part 1. Fuel injection pumps
Даты и сроки
Дата издания:
11-27-17
Дата введения в действие:
07-01-18
Дата завершения срока действия:
-
Применение и описание
Область и условия применения:
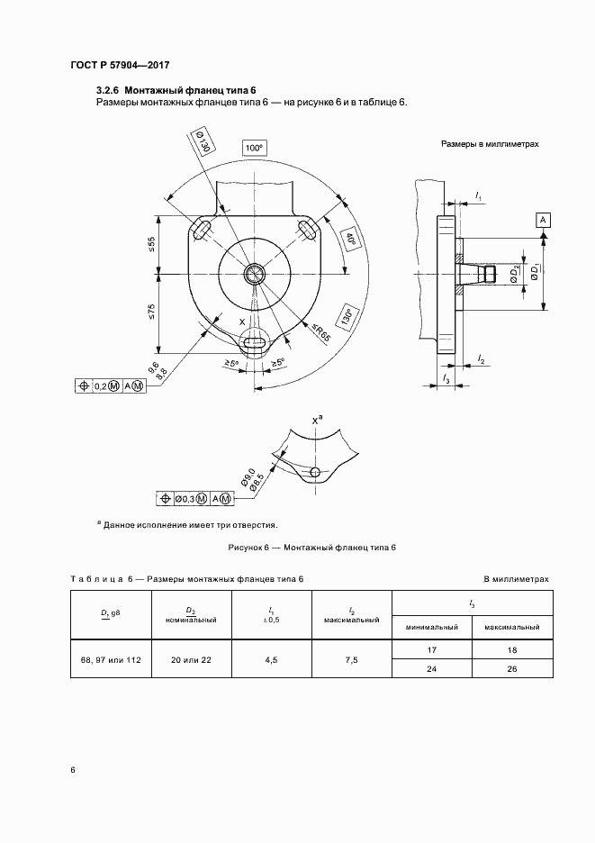
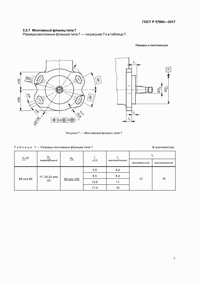
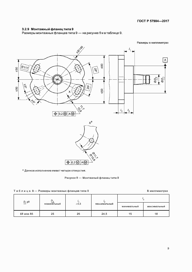
Настоящий стандарт устанавливает требования к размерам монтажных фланцев роторных, распределительных и рядных топливных насосов высокого давления дизельных двигателей
Связи и замены
Заменяющий:
-
Описание стандарта
ГОСТ Р 57904-2017 Двигатели дизельные. Монтажные фланцы для насосов. Часть 1. Топливные насосы высокого давления
Страницы стандарта















