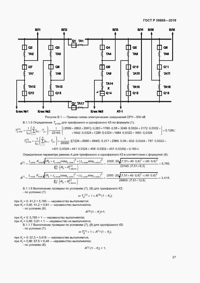
ГОСТ Р 58669-2019 Единая энергетическая система и изолированно работающие энергосистемы. Релейная защита. Трансформаторы тока измерительные индуктивные с замкнутым магнитопроводом для защиты. Методические указания по определению времени до насыщения при коротких замыканиях
ГОСТ Р
Скачать ГОСТ в PDF или DOC бесплатно
Основная информация
Обозначение:
ГОСТ Р 58669-2019
Статус:
Действует
Тип:
ГОСТ Р
Название русское:
Единая энергетическая система и изолированно работающие энергосистемы. Релейная защита. Трансформаторы тока измерительные индуктивные с замкнутым магнитопроводом для защиты. Методические указания по определению времени до насыщения при коротких замыканиях
Название английское:
United power system and isolated power systems. Relay protection. Inductive measuring current transformers for protection with a closed magnetic circuit. Methodology guidelines for determination of time to saturation during short circuits
Даты и сроки
Дата издания:
01-16-20
Дата введения в действие:
01-01-20
Дата завершения срока действия:
-
Применение и описание
Область и условия применения:
Настоящий стандарт устанавливает методы расчета времени до насыщения измерительных индуктивных трансформаторов тока для защиты с замкнутым магнитопроводом при коротких замыканиях (классов точности P, PX и ТРХ), определяет исходные данные, необходимые для применения каждого из методов, устанавливает требования по подготовке к проведению расчетов времени до насыщения измерительных индуктивных трансформаторов тока и порядок выполнения указанных расчетов с использованием каждого из установленных методов. Настоящий стандарт предназначен для применения собственниками и иными законными владельцами объектов электроэнергетики, субъектами оперативно-диспетчерского управления в электроэнергетике, проектными организациями, организациями, осуществляющими создание новых или модернизацию существующих устройств релейной защиты
Связи и замены
Заменяющий:
-
Описание стандарта
ГОСТ Р 58669-2019 Единая энергетическая система и изолированно работающие энергосистемы. Релейная защита. Трансформаторы тока измерительные индуктивные с замкнутым магнитопроводом для защиты. Методические указания по определению времени до насыщения при коротких замыканиях
Страницы стандарта






























































Приложение №1: Поправка к ГОСТ Р 58669-2019 Обозначение: Поправка к ГОСТ Р 58669-2019 Дата введения в действие: 24.04.2020
