ГОСТ Р 70637-2023 Автотранспортные средства. Система контроля состояния водителя (алкозамок). Общие технические требования
ГОСТ Р
Скачать ГОСТ в PDF или DOC бесплатно
Основная информация
Обозначение:
ГОСТ Р 70637-2023
Статус:
Действует
Тип:
ГОСТ Р
Название русское:
Автотранспортные средства. Система контроля состояния водителя (алкозамок). Общие технические требования
Название английское:
Motorvehicles. Driver sobriety monitoring system (alcohol interlock). General technical requirements
Даты и сроки
Дата издания:
02-03-23
Дата введения в действие:
04-01-23
Дата завершения срока действия:
-
Применение и описание
Область и условия применения:
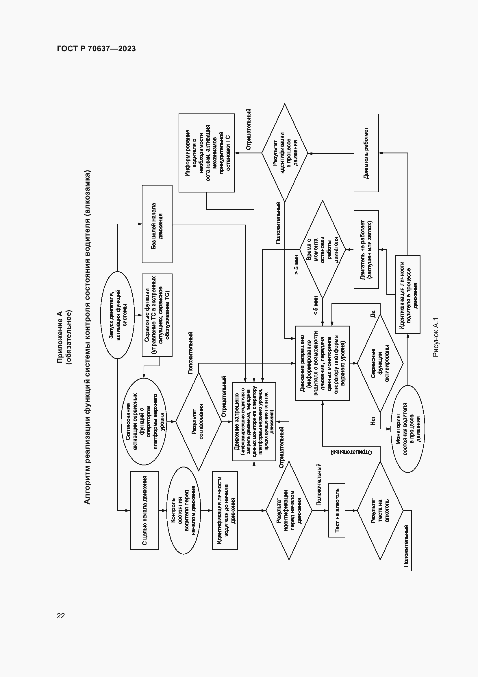
Настоящий стандарт распространяется на систему контроля состояния водителя (алкозамок), предназначенную для установки на транспортные средства (ТС), относящиеся в соответствии с [1] к категориям М1, М2, М3, используемые для коммерческих перевозок пассажиров, а также специально предназначенные для перевозки детей, и к категориям N1, N2, N3, используемые для перевозки опасных, специальных, тяжеловесных и (или) крупногабаритных грузов, твердых бытовых отходов и мусора. Положения настоящего стандарта могут быть применены в отношении системы контроля состояния водителя (алкозамка), установленной на ТС, относящееся к одной из указанных категорий и используемое для иных целей. Стандарт устанавливает общие технические требования к системе контроля состояния водителя (алкозамку)
Связи и замены
Заменяющий:
-
Описание стандарта
ГОСТ Р 70637-2023 Автотранспортные средства. Система контроля состояния водителя (алкозамок). Общие технические требования
Страницы стандарта



























