ГОСТ Р 70436-2022 Изделия медицинские. Метод испытания на совместимость наборов для трансфузии и контейнеров для крови
ГОСТ Р
Скачать ГОСТ в PDF или DOC бесплатно
Основная информация
Обозначение:
ГОСТ Р 70436-2022
Статус:
Действует
Тип:
ГОСТ Р
Название русское:
Изделия медицинские. Метод испытания на совместимость наборов для трансфузии и контейнеров для крови
Название английское:
Medical devices. Transfusion set and blood bag compatibility test method
Даты и сроки
Дата издания:
11-03-22
Дата введения в действие:
10-01-23
Дата завершения срока действия:
-
Применение и описание
Область и условия применения:
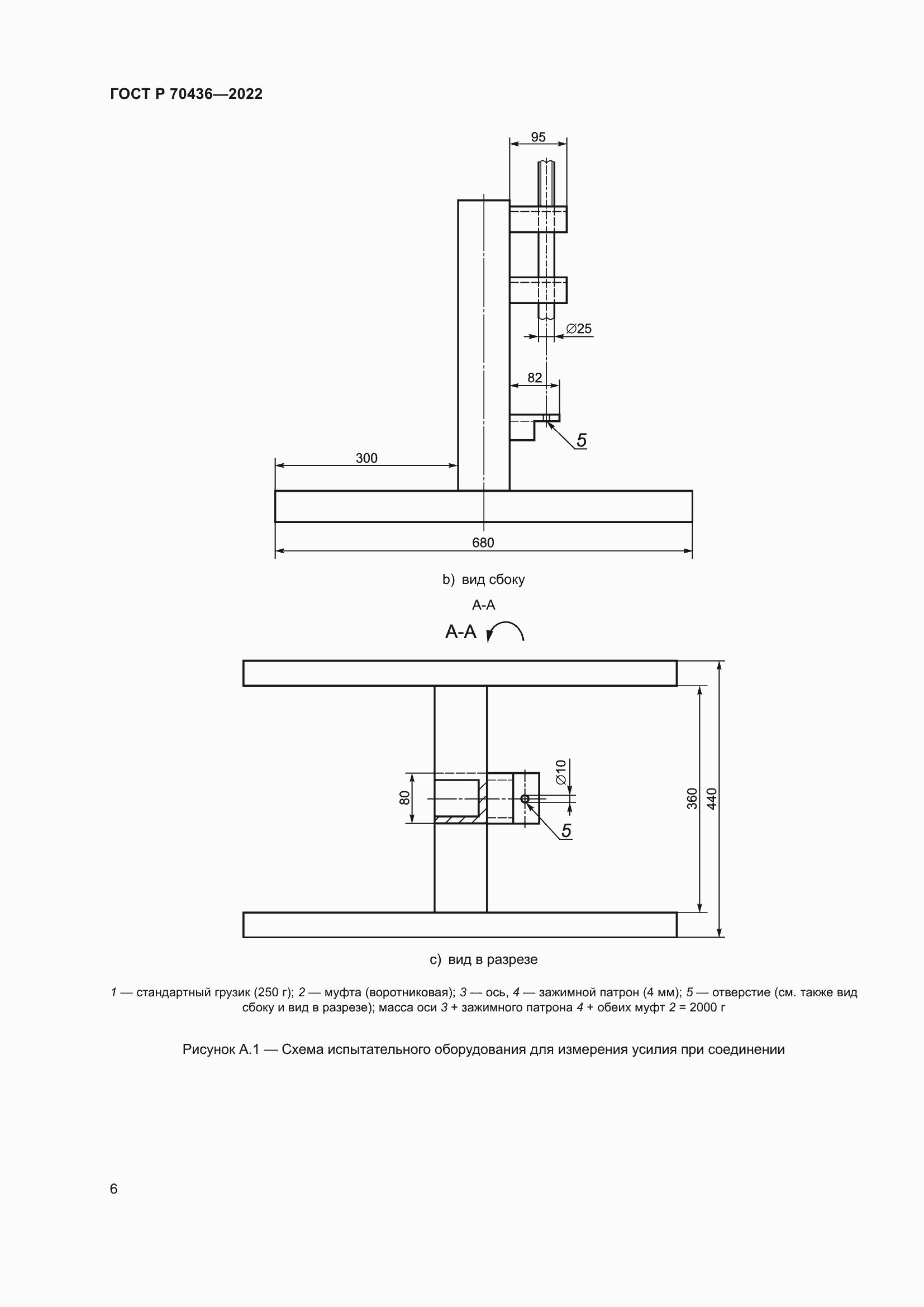
Настоящий стандарт устанавливает необходимое оборудование, метод испытания, критерии приемки и рекомендуемые значения, чтобы помочь обеспечить совместимость (путем измерения усилия при соединении) полимерной иглы трансфузионного набора (обозначаемой в настоящем стандарте наименованием «шип») с выходным портом контейнера для крови. Совокупность процедур при испытании выходит за рамки стандартов, описывающих требования к трансфузионным наборам и контейнерам для крови. Настоящий стандарт был разработан для поддержки внедрения существующих стандартов на контейнеры для крови и трансфузионные наборы
Связи и замены
Заменяющий:
-
Описание стандарта
ГОСТ Р 70436-2022 Изделия медицинские. Метод испытания на совместимость наборов для трансфузии и контейнеров для крови
Страницы стандарта















