ГОСТ 25675-2022 Разъемы высокого напряжения медицинских рентгеновских аппаратов. Типы и основные размеры
ГОСТ
Скачать ГОСТ в PDF или DOC бесплатно
Основная информация
Обозначение:
ГОСТ 25675-2022
Статус:
Действует
Тип:
ГОСТ
Название русское:
Разъемы высокого напряжения медицинских рентгеновских аппаратов. Типы и основные размеры
Название английское:
High-voltage cable plug and socket connections for medical X-ray equipment. Types and basic sizes
Даты и сроки
Дата регистрации:
11-22-22
Дата издания:
12-07-22
Дата введения в действие:
07-01-23
Дата завершения срока действия:
-
Применение и описание
Область и условия применения:
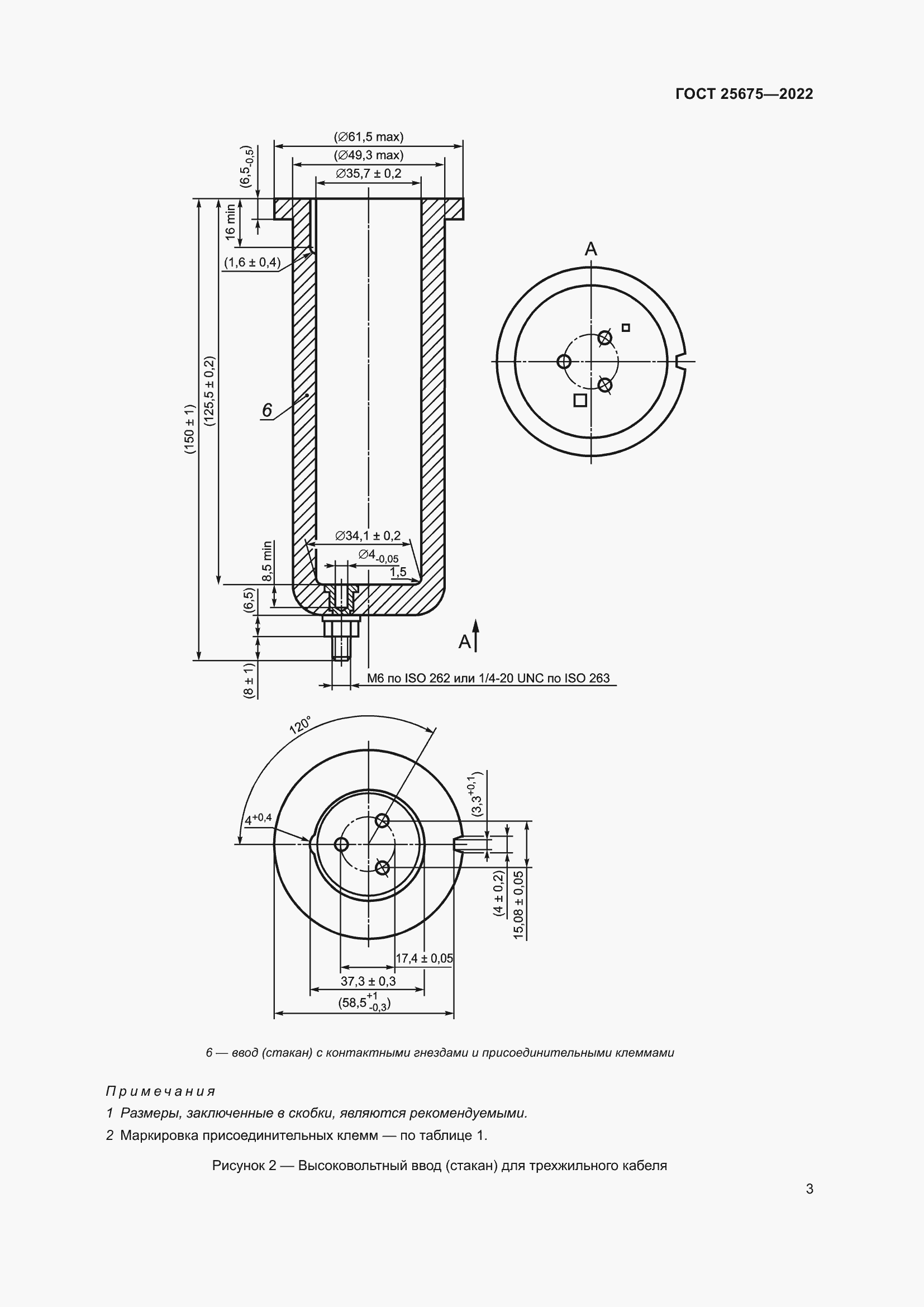
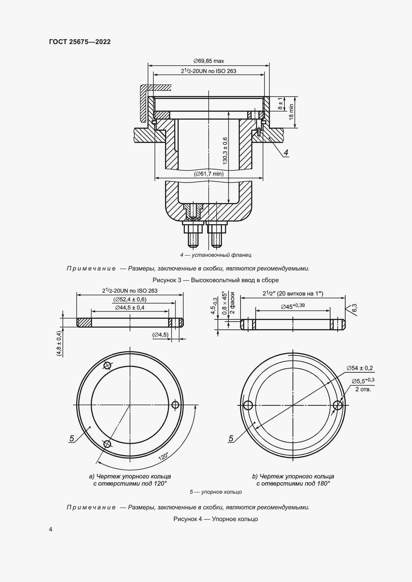
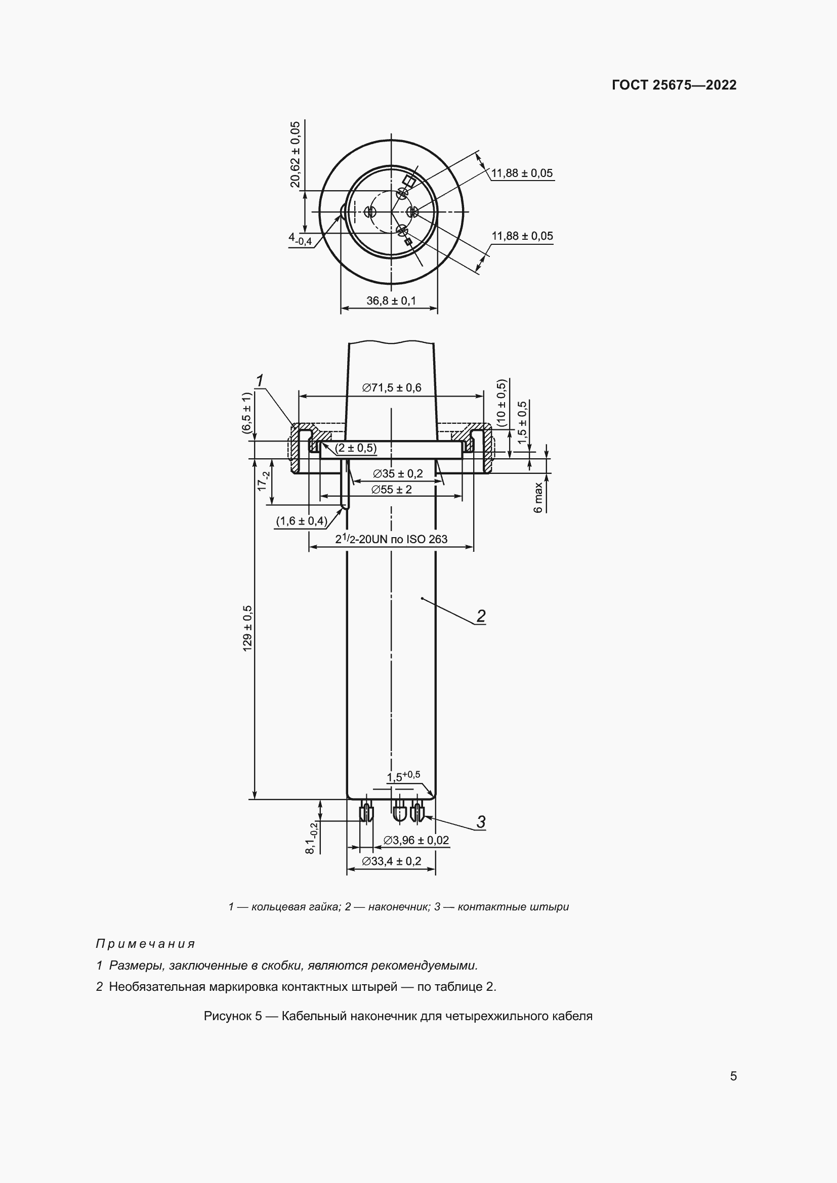
Настоящий стандарт распространяется: - на основные размеры для обеспечения взаимозаменяемости; - рекомендуемые размеры; - схему соединений контактов кабельного наконечника и ввода; - маркировку контактов кабельного наконечника и вводапри использовании трехжильного и четырехжильного высоковольтных кабелей и разъемов в медицинских рентгеновских изделиях
Связи и замены
Заменяющий:
-
Взамен:
ГОСТ 25675-83
Описание стандарта
ГОСТ 25675-2022 Разъемы высокого напряжения медицинских рентгеновских аппаратов. Типы и основные размеры
Страницы стандарта















