ГОСТ Р МЭК 60601-1-2022 Изделия медицинские электрические. Часть 1. Общие требования безопасности с учетом основных функциональных характеристик
ГОСТ Р МЭК
Скачать ГОСТ в PDF или DOC бесплатно
Основная информация
Обозначение:
ГОСТ Р МЭК 60601-1-2022
Статус:
Отменен
Тип:
ГОСТ Р МЭК
Название русское:
Изделия медицинские электрические. Часть 1. Общие требования безопасности с учетом основных функциональных характеристик
Название английское:
Medical electrical equipment. Part 1. General requirements for basic safety and essential performance
Даты и сроки
Дата издания:
12-21-22
Дата введения в действие:
07-01-23
Дата завершения срока действия:
10-01-25
Применение и описание
Область и условия применения:
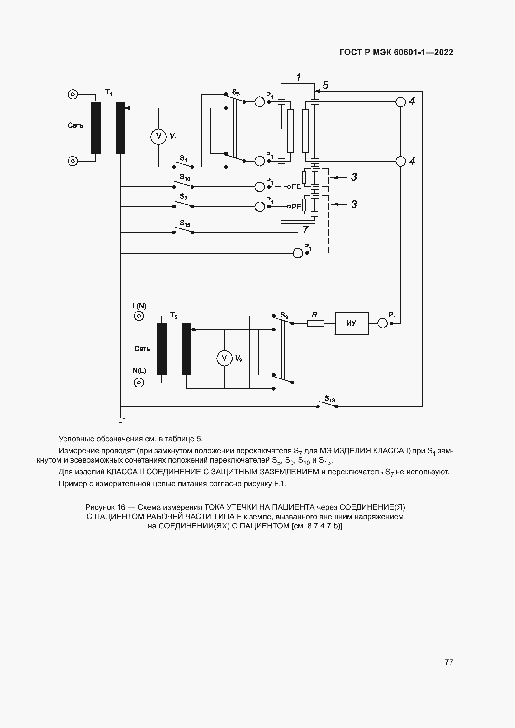
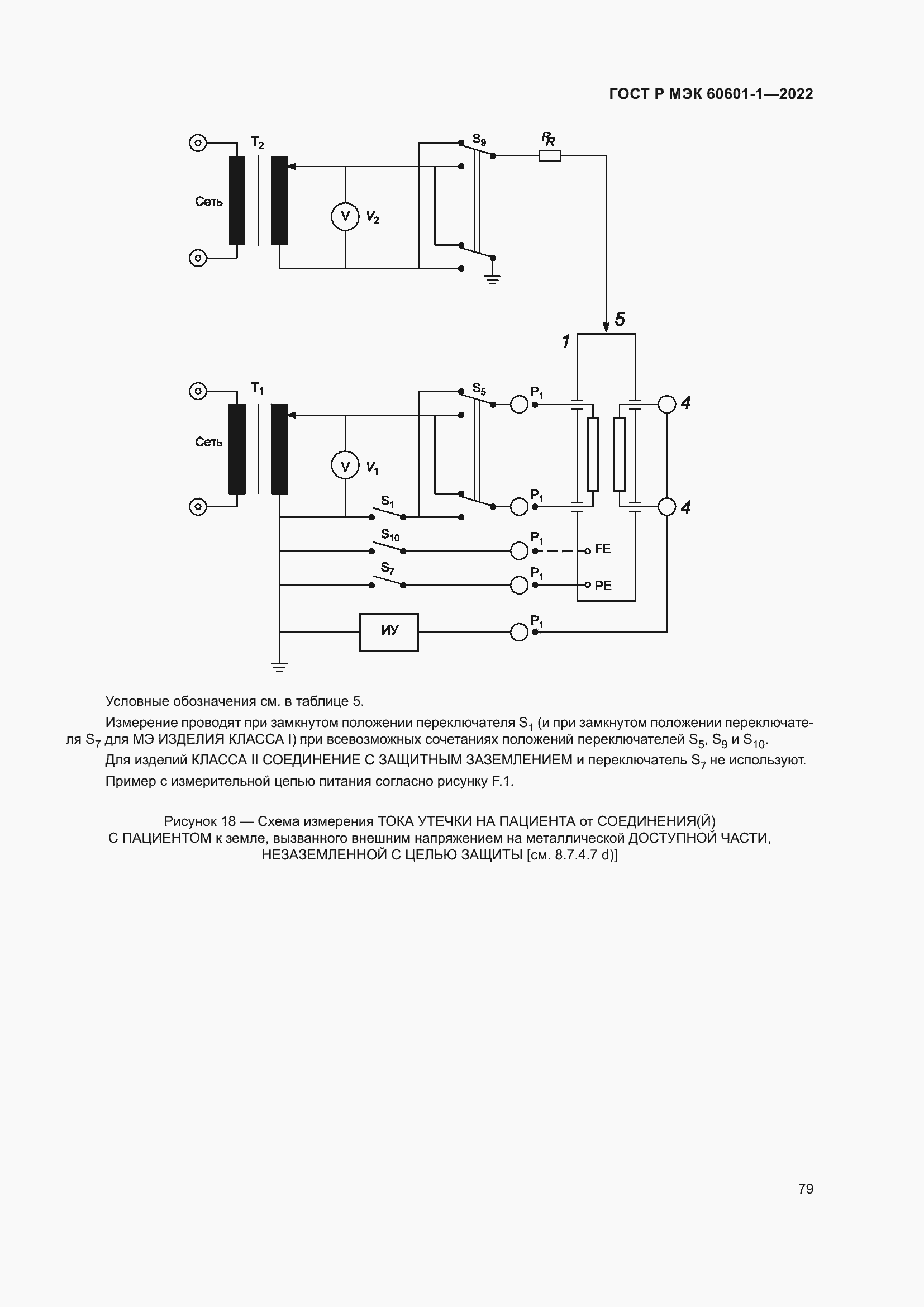
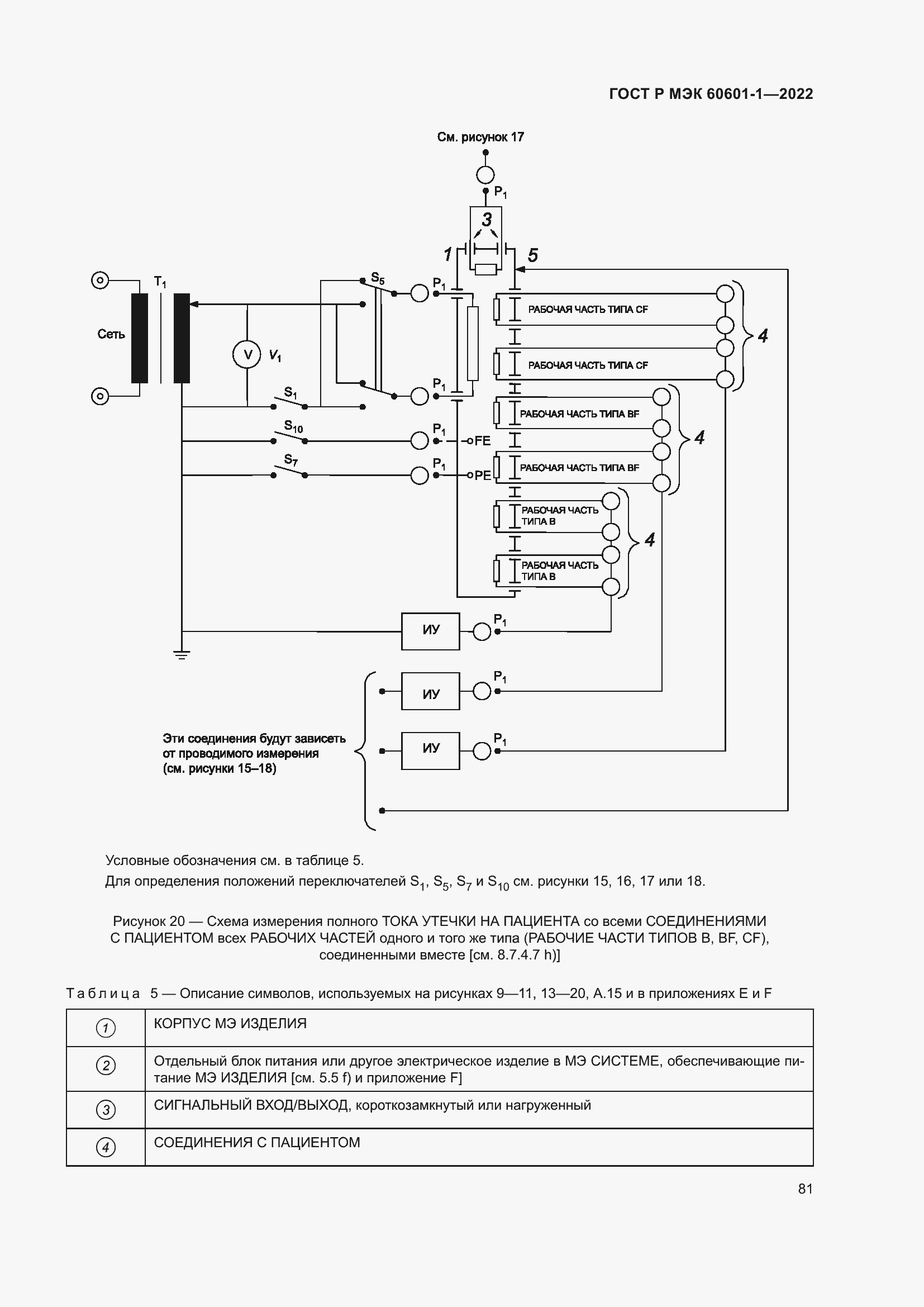
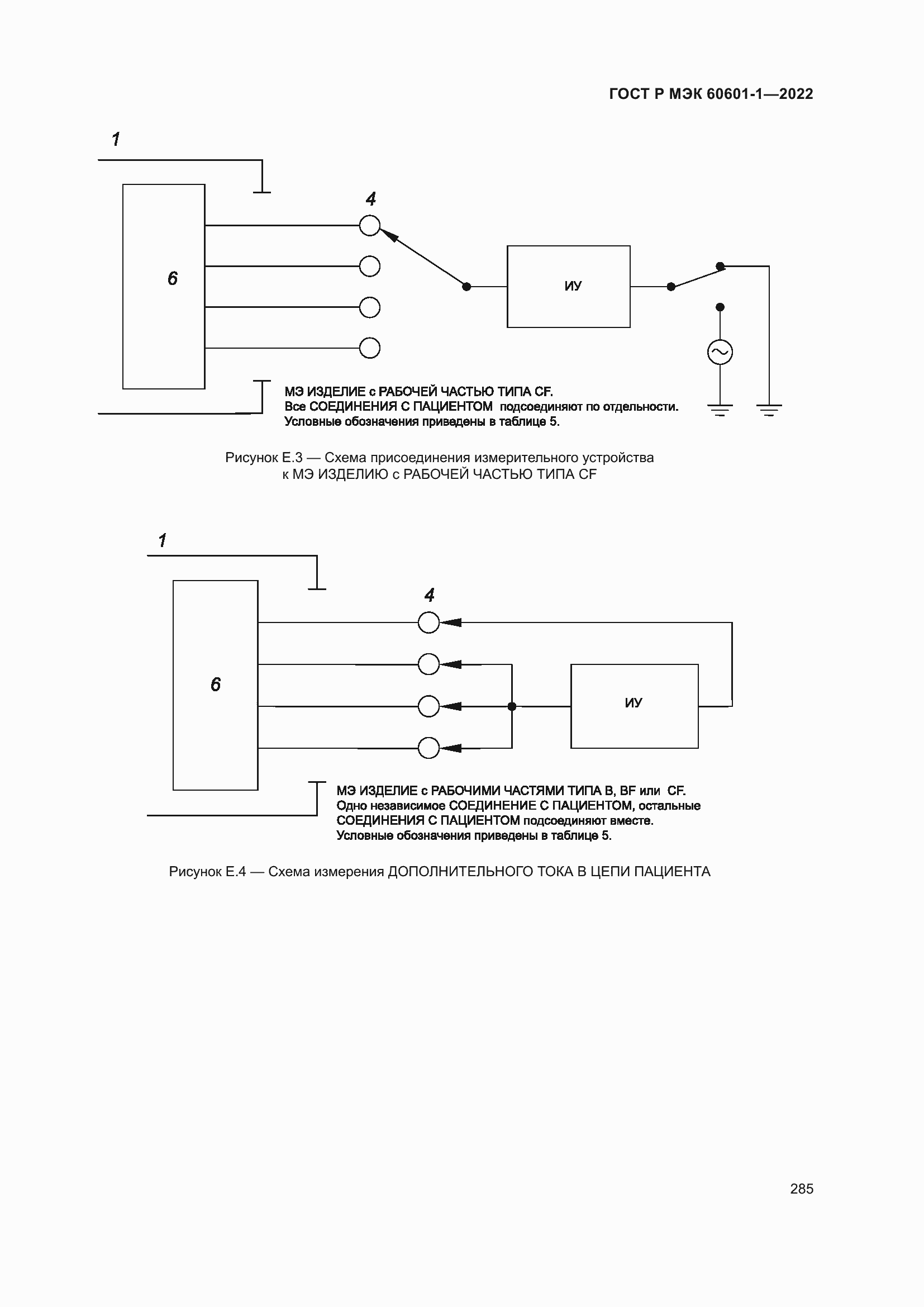
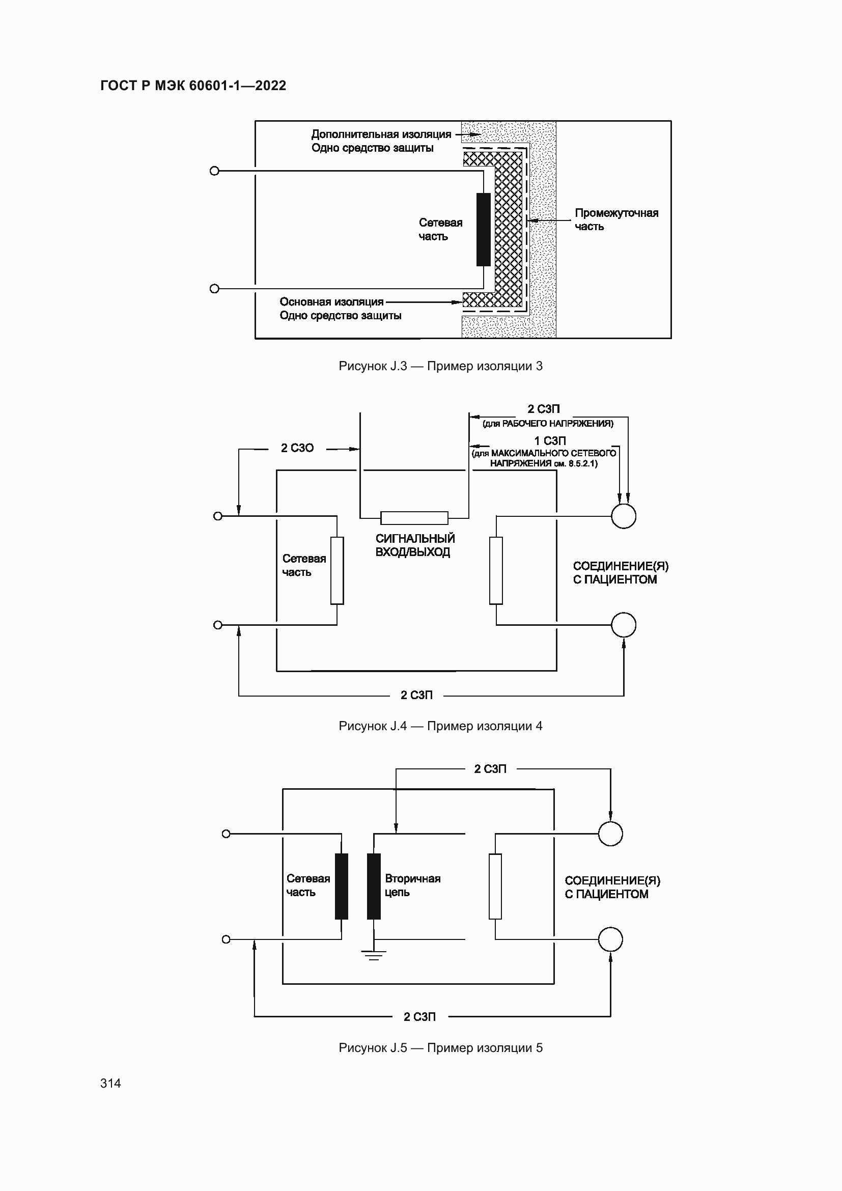
Настоящий стандарт распространяется на общие требования безопасности с учетом основных функциональных характеристик к медицинским электрическим изделиям и медицинским электрическим системам, в дальнейшем именуемым как «MЭ изделия» и «MЭ системы» соответственно
Связи и замены
Заменяющий:
-
Взамен:
ГОСТ Р МЭК 60601-1-2010
Описание стандарта
ГОСТ Р МЭК 60601-1-2022 Изделия медицинские электрические. Часть 1. Общие требования безопасности с учетом основных функциональных характеристик
Страницы стандарта

























































































































































































































































































































































