ГОСТ Р 71054-2023 Транзисторы биполярные. Система параметров
ГОСТ Р
Скачать ГОСТ в PDF или DOC бесплатно
Основная информация
Обозначение:
ГОСТ Р 71054-2023
Статус:
Действует
Тип:
ГОСТ Р
Название русское:
Транзисторы биполярные. Система параметров
Название английское:
Bipolar transistors. Parameters system
Даты и сроки
Дата издания:
11-28-23
Дата введения в действие:
03-01-24
Дата завершения срока действия:
-
Применение и описание
Область и условия применения:
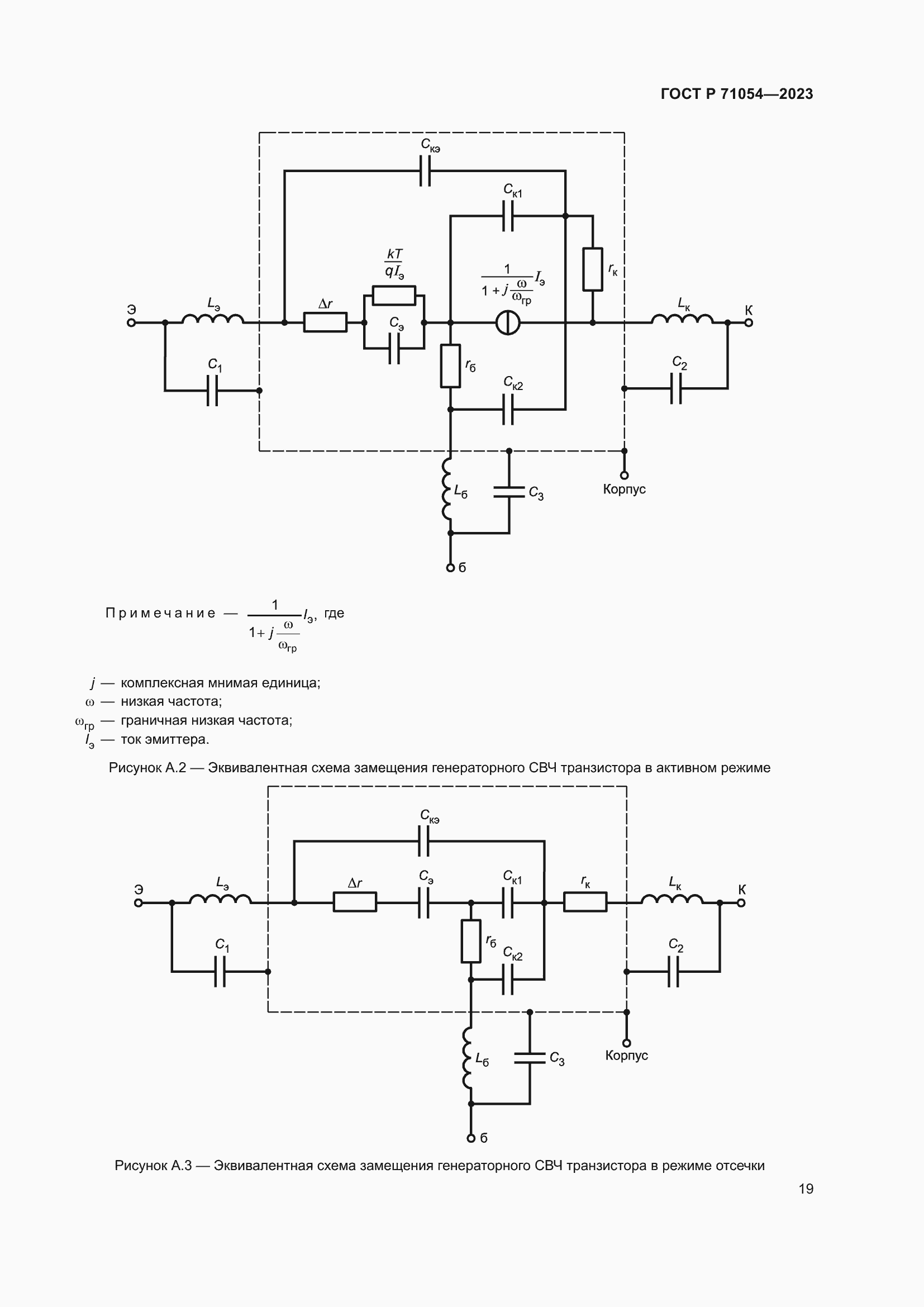
Настоящий стандарт распространяется на вновь разрабатываемые и модернизируемые биполярные транзисторы (далее – транзисторы) и устанавливает состав параметров и типовых характеристик транзисторов, подлежащих включению в общие технические условия и технические условия (ТУ) при их разработке или пересмотре. Настоящий стандарт следует применять для выбора параметров при разработке технических заданий (ТЗ) на научно-исследовательские и опытно-конструкторские работы (ОКР), программ испытаний опытных образцов. Настоящий стандарт предназначен для применения предприятиями, организациями и другими субъектами научной и хозяйственной деятельности независимо от форм собственности и подчинения, а также федеральными органами исполнительной власти Российской Федерации, участвующими в разработке, производстве, эксплуатации транзисторов в соответствии с действующим законодательством
Связи и замены
Заменяющий:
-
Описание стандарта
ГОСТ Р 71054-2023 Транзисторы биполярные. Система параметров
Страницы стандарта























