ГОСТ Р 71176-2023 Высокоэффективные фильтры очистки воздуха ЕРА, HEPA и ULPA. Часть 1. Классификация, методы испытаний, маркировка
ГОСТ Р
Скачать ГОСТ в PDF или DOC бесплатно
Основная информация
Обозначение:
ГОСТ Р 71176-2023
Статус:
Действует
Тип:
ГОСТ Р
Название русское:
Высокоэффективные фильтры очистки воздуха ЕРА, HEPA и ULPA. Часть 1. Классификация, методы испытаний, маркировка
Название английское:
High efficiency air filters ЕРА, HEPA and ULPA. Part 1. Classification, performance testing, marking
Даты и сроки
Дата издания:
01-18-24
Дата введения в действие:
12-30-25
Дата завершения срока действия:
-
Применение и описание
Область и условия применения:
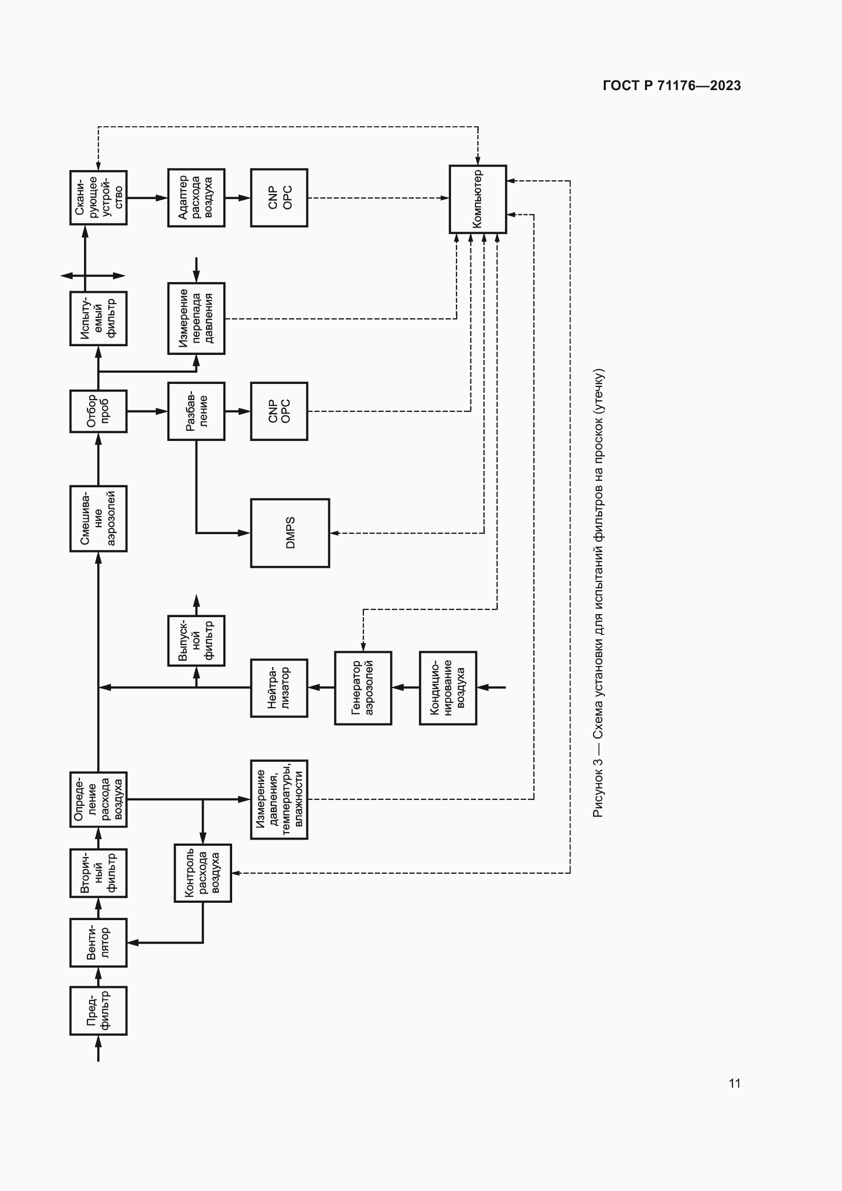
Настоящий стандарт устанавливает требования к высокоэффективным и сверхвысокоэффективным фильтрам очистки воздуха по частицам ЕРА, HEPA и ULPA, применяемым в системах вентиляции и кондиционирования воздуха и в технологических системах, например в чистых помещениях и фармацевтической промышленности. Настоящий стандарт содержит методику определения эффективности фильтров с использованием контрольного аэрозоля с жидкими частицами (или аэрозоля с твердыми частицами) и счетчика частиц и устанавливает классификацию фильтров по показателям эффективности (локальной и интегральной)
Связи и замены
Заменяющий:
-
Взамен:
ГОСТ Р ЕН 1822-1-2010
Описание стандарта
ГОСТ Р 71176-2023 Высокоэффективные фильтры очистки воздуха ЕРА, HEPA и ULPA. Часть 1. Классификация, методы испытаний, маркировка
Страницы стандарта























