ГОСТ Р 71494-2024 Система водяного отопления судовая. Правила и нормы проектирования
ГОСТ Р
Скачать ГОСТ в PDF или DOC бесплатно
Основная информация
Обозначение:
ГОСТ Р 71494-2024
Статус:
Действует
Тип:
ГОСТ Р
Название русское:
Система водяного отопления судовая. Правила и нормы проектирования
Название английское:
Ship water heating system. Rules and standards of designing
Даты и сроки
Дата издания:
07-17-24
Дата введения в действие:
09-01-24
Дата завершения срока действия:
-
Применение и описание
Область и условия применения:
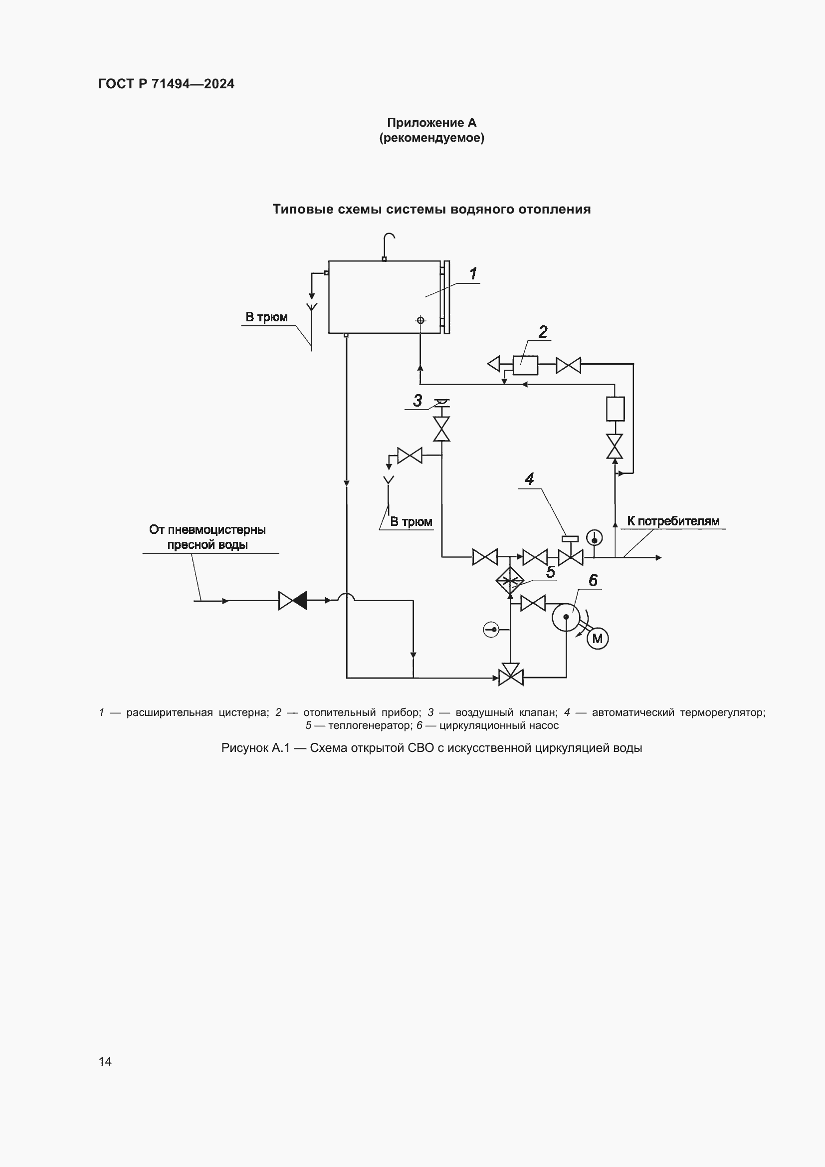
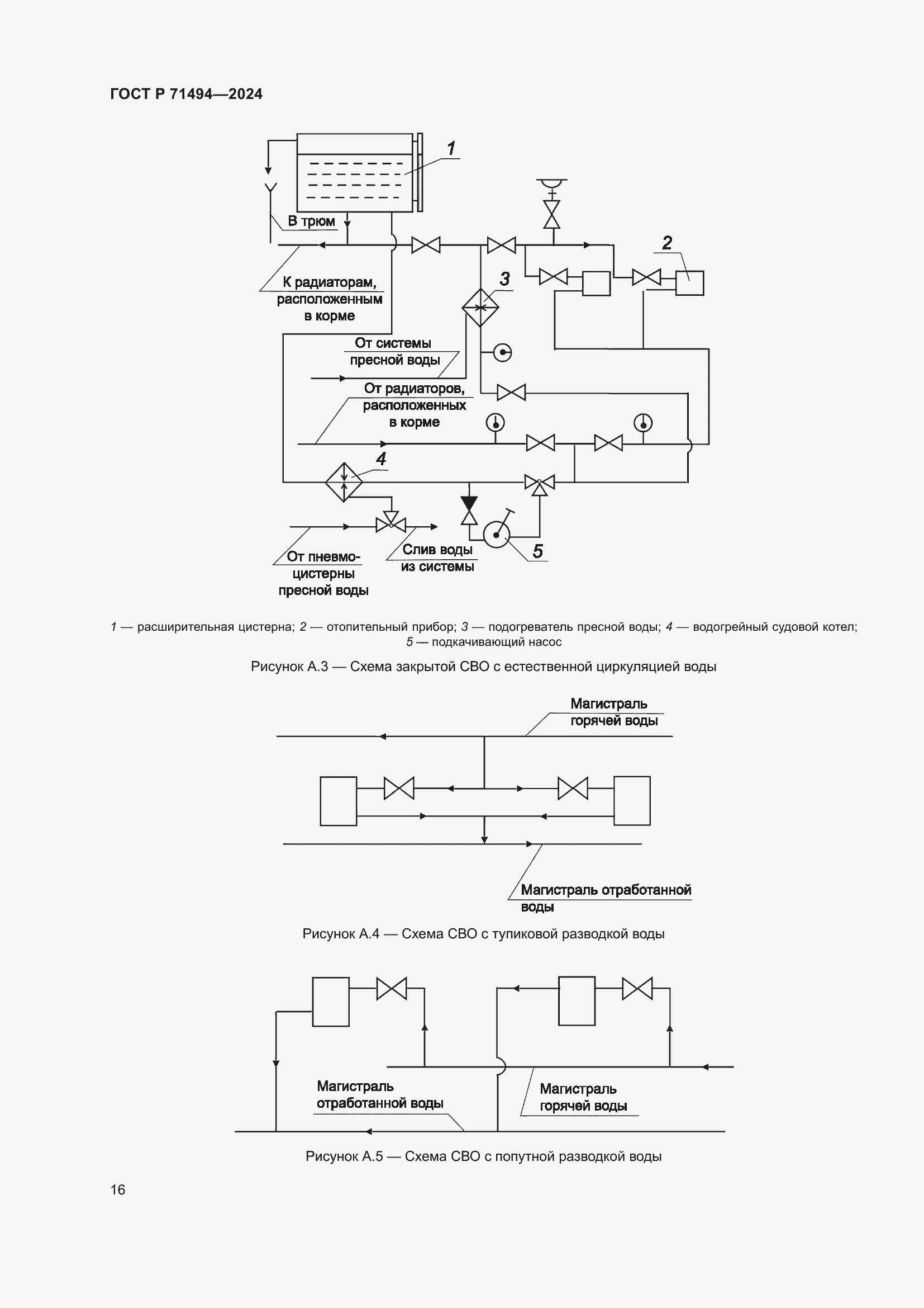
Настоящий стандарт устанавливает состав основного оборудования системы водяного отопления (СВО), правила выбора и размещения оборудования и трубопроводов в судовых помещениях, а также методику расчета СВО. Настоящий стандарт распространяется на двухтрубную СВО помещений морских судов, судов внутреннего плавания и плавсредств (далее — суда). Стандарт предназначен для проектирования систем отопления с теплоносителем водой или водным раствором
Связи и замены
Заменяющий:
-
Описание стандарта
ГОСТ Р 71494-2024 Система водяного отопления судовая. Правила и нормы проектирования
Страницы стандарта























