ГОСТ Р 71587-2024 Долбяки дисковые прямозубые для нарезания декоративных рифлений. Основные размеры
ГОСТ Р
Скачать ГОСТ в PDF или DOC бесплатно
Основная информация
Обозначение:
ГОСТ Р 71587-2024
Статус:
Действует
Тип:
ГОСТ Р
Название русское:
Долбяки дисковые прямозубые для нарезания декоративных рифлений. Основные размеры
Название английское:
Straight-toothed cutters for cutting decorative corrugations. Basic dimensions
Даты и сроки
Дата издания:
11-11-24
Дата введения в действие:
07-01-25
Дата завершения срока действия:
-
Применение и описание
Область и условия применения:
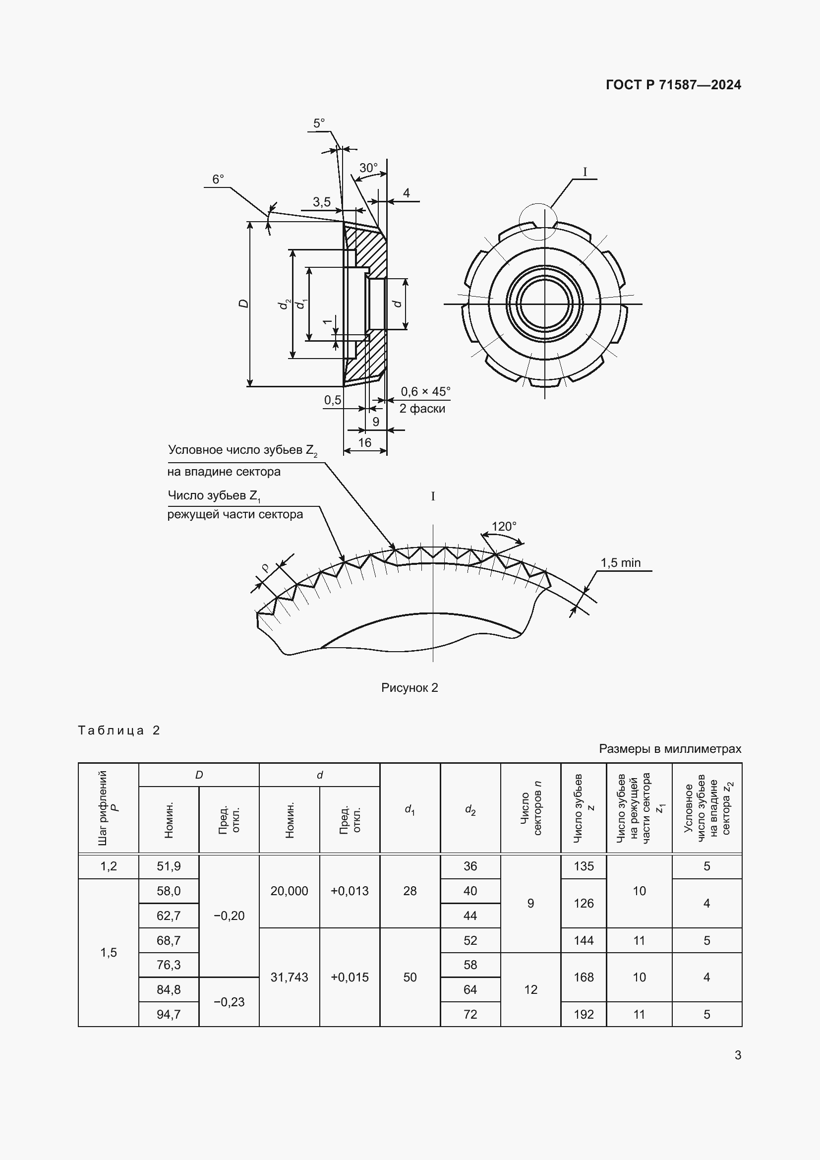
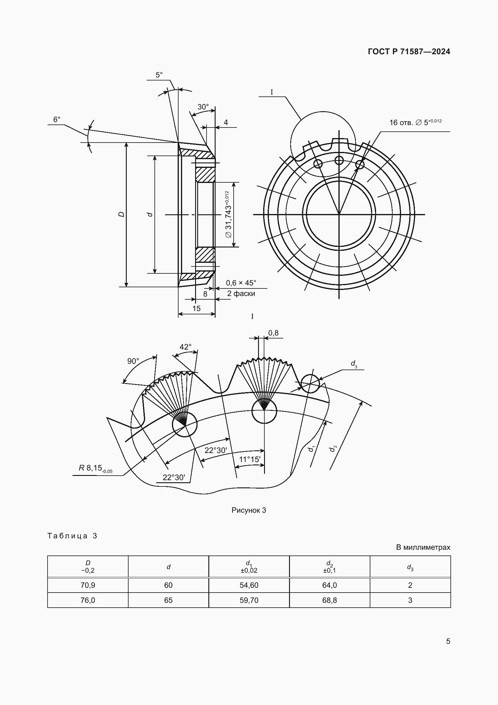
Настоящий стандарт распространяется на дисковые прямозубые долбяки для нарезания декоративных рифлений на наружные цилиндрические поверхности изделий оптического приборостроения
Связи и замены
Заменяющий:
-
Описание стандарта
ГОСТ Р 71587-2024 Долбяки дисковые прямозубые для нарезания декоративных рифлений. Основные размеры
Страницы стандарта











