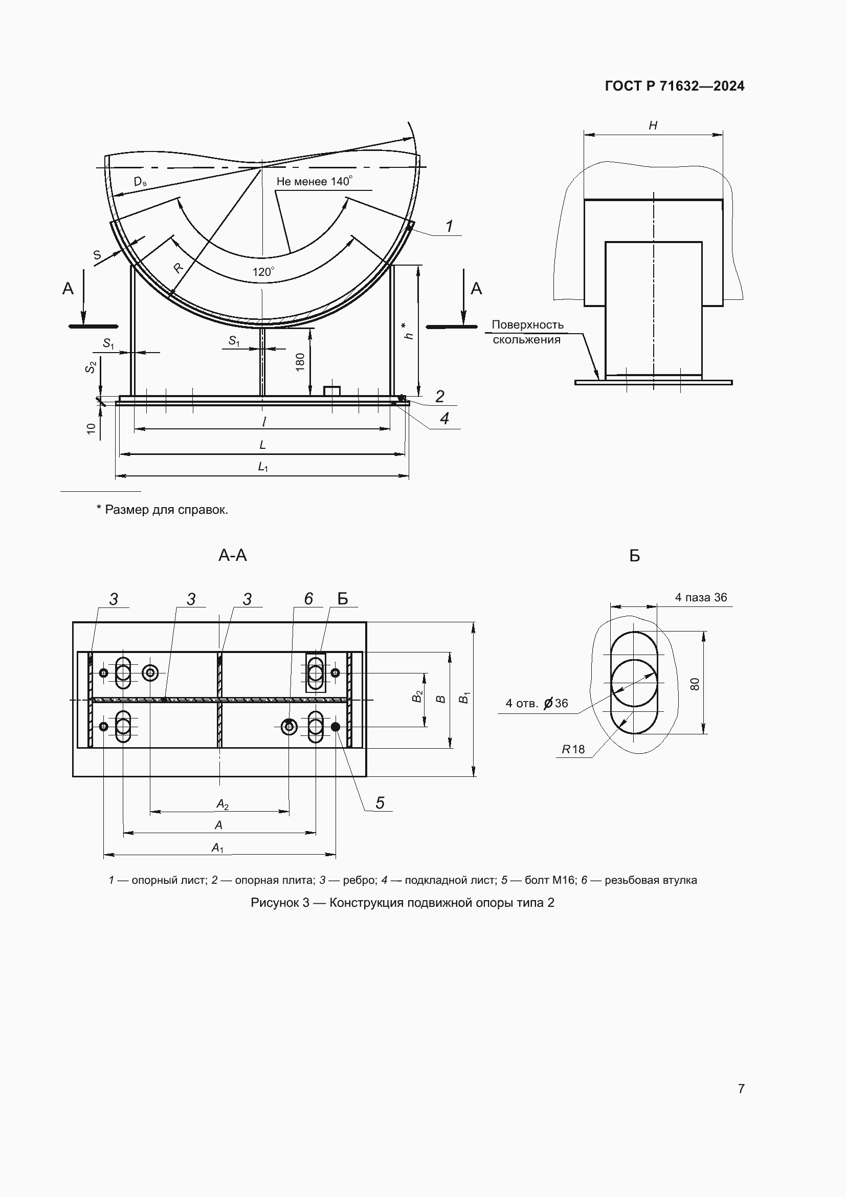
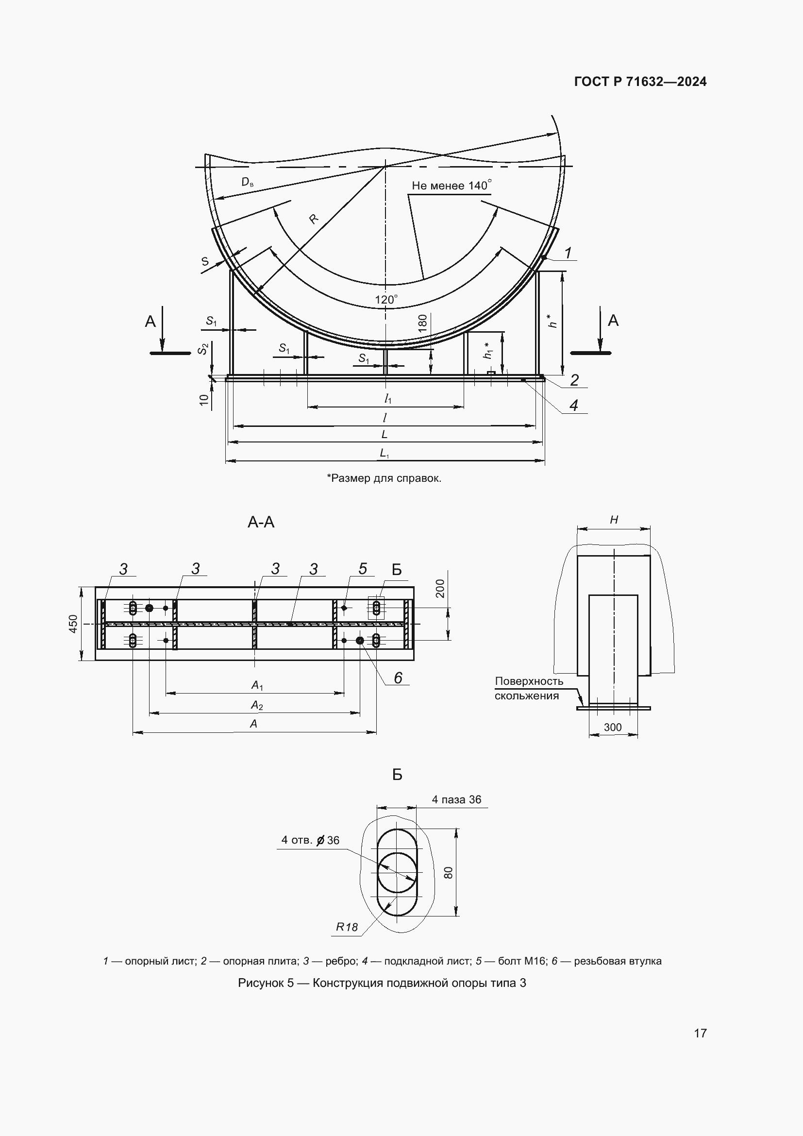
ГОСТ Р 71632-2024 Сосуды и аппараты. Опоры горизонтальных сосудов и аппаратов. Общие технические требования
ГОСТ Р
Скачать ГОСТ в PDF или DOC бесплатно
Основная информация
Обозначение:
ГОСТ Р 71632-2024
Статус:
Действует
Тип:
ГОСТ Р
Название русское:
Сосуды и аппараты. Опоры горизонтальных сосудов и аппаратов. Общие технические требования
Название английское:
Vessels and apparatus. Supports for horizontal vessels and apparatus. General technical requirements
Даты и сроки
Дата издания:
12-24-24
Дата введения в действие:
03-01-25
Дата завершения срока действия:
-
Применение и описание
Область и условия применения:
Настоящий стандарт распространяется на седловые опоры для горизонтальных сосудов и аппаратов, изготавливаемых в соответствии с ГОСТ 34347, ГОСТ 31842
Связи и замены
Заменяющий:
-
Описание стандарта
ГОСТ Р 71632-2024 Сосуды и аппараты. Опоры горизонтальных сосудов и аппаратов. Общие технические требования
Страницы стандарта



































