ГОСТ Р 71633-2024 Сосуды и аппараты. Опоры цилиндрические и конические. Общие технические требования
ГОСТ Р
Скачать ГОСТ в PDF или DOC бесплатно
Основная информация
Обозначение:
ГОСТ Р 71633-2024
Статус:
Действует
Тип:
ГОСТ Р
Название русское:
Сосуды и аппараты. Опоры цилиндрические и конические. Общие технические требования
Название английское:
Vessels and apparatus. Cylindrical and conical supports. General technical requirements
Даты и сроки
Дата издания:
12-16-24
Дата введения в действие:
03-01-25
Дата завершения срока действия:
-
Применение и описание
Область и условия применения:
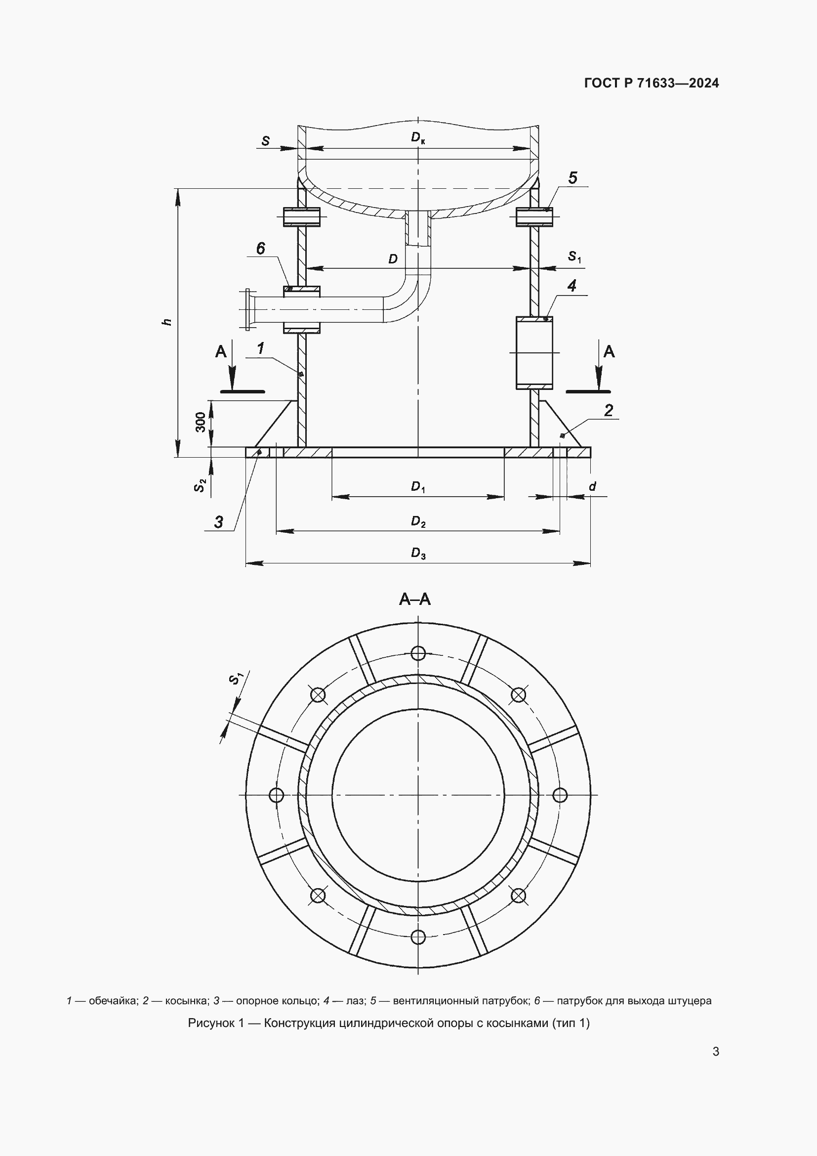
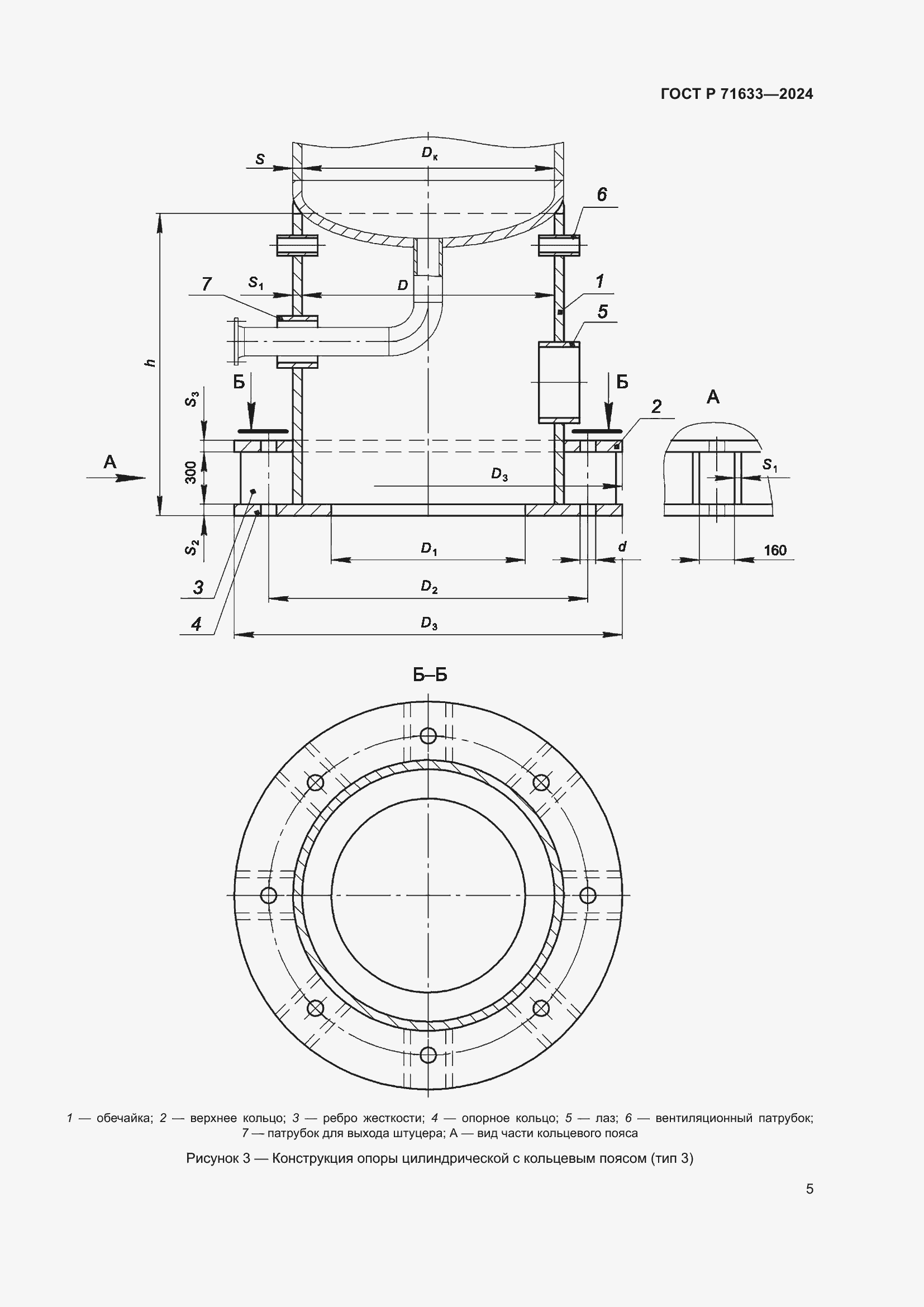
Настоящий стандарт распространяется на цилиндрические и конические опоры-юбки для вертикальных сосудов и аппаратов, изготавливаемых в соответствии с ГОСТ 34347, ГОСТ 31838
Связи и замены
Заменяющий:
-
Описание стандарта
ГОСТ Р 71633-2024 Сосуды и аппараты. Опоры цилиндрические и конические. Общие технические требования
Страницы стандарта































