ГОСТ Р ИСО 13295-2010 Инструменты стоматологические вращающиеся. Дискодержатели
ГОСТ Р ИСО
Скачать ГОСТ в PDF или DOC бесплатно
Основная информация
Обозначение:
ГОСТ Р ИСО 13295-2010
Статус:
Действует
Тип:
ГОСТ Р ИСО
Название русское:
Инструменты стоматологические вращающиеся. Дискодержатели
Название английское:
Dental rotary instruments. Mandrels
Даты и сроки
Дата издания:
01-19-12
Дата введения в действие:
03-01-12
Дата завершения срока действия:
-
Применение и описание
Область и условия применения:
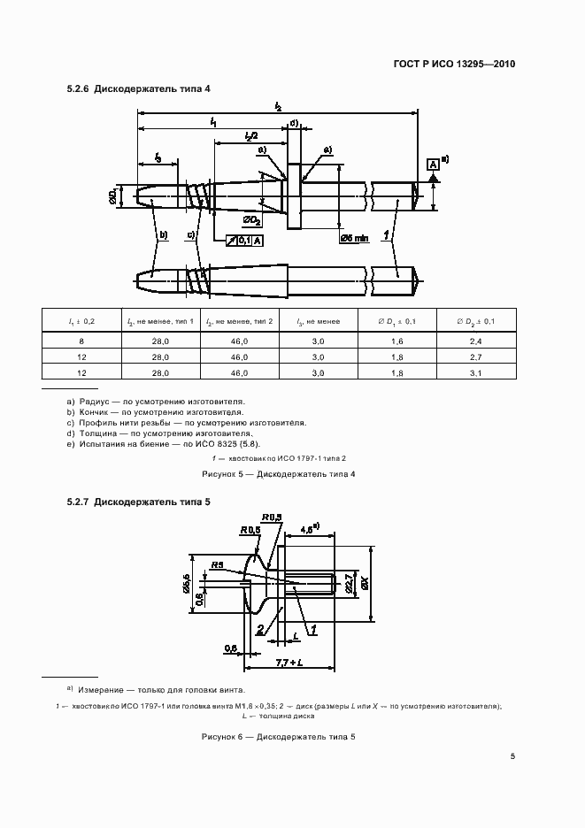
Настоящий стандарт устанавливает требования, характеристики упаковки и маркировки для дискодержателей, применяемых для закрепления дисков и полиров, используемых в стоматологии. В настоящем стандарте использована система кодирования по ИСО 6360, в которой установлен 15-значный номер для идентификации стоматологических вращающихся инструментов всех типов
Связи и замены
Заменяющий:
-
Описание стандарта
ГОСТ Р ИСО 13295-2010 Инструменты стоматологические вращающиеся. Дискодержатели
Страницы стандарта











