ГОСТ Р 8.1027-2023 Государственная система обеспечения единства измерений. Установки трубопоршневые. Методика поверки
ГОСТ Р
Скачать ГОСТ в PDF или DOC бесплатно
Основная информация
Обозначение:
ГОСТ Р 8.1027-2023
Статус:
Действует
Тип:
ГОСТ Р
Название русское:
Государственная система обеспечения единства измерений. Установки трубопоршневые. Методика поверки
Название английское:
State system for ensuring the uniformity of measurements. Pipe piston installations. Verification procedure
Даты и сроки
Дата издания:
05-12-23
Дата введения в действие:
08-01-23
Дата завершения срока действия:
-
Применение и описание
Область и условия применения:
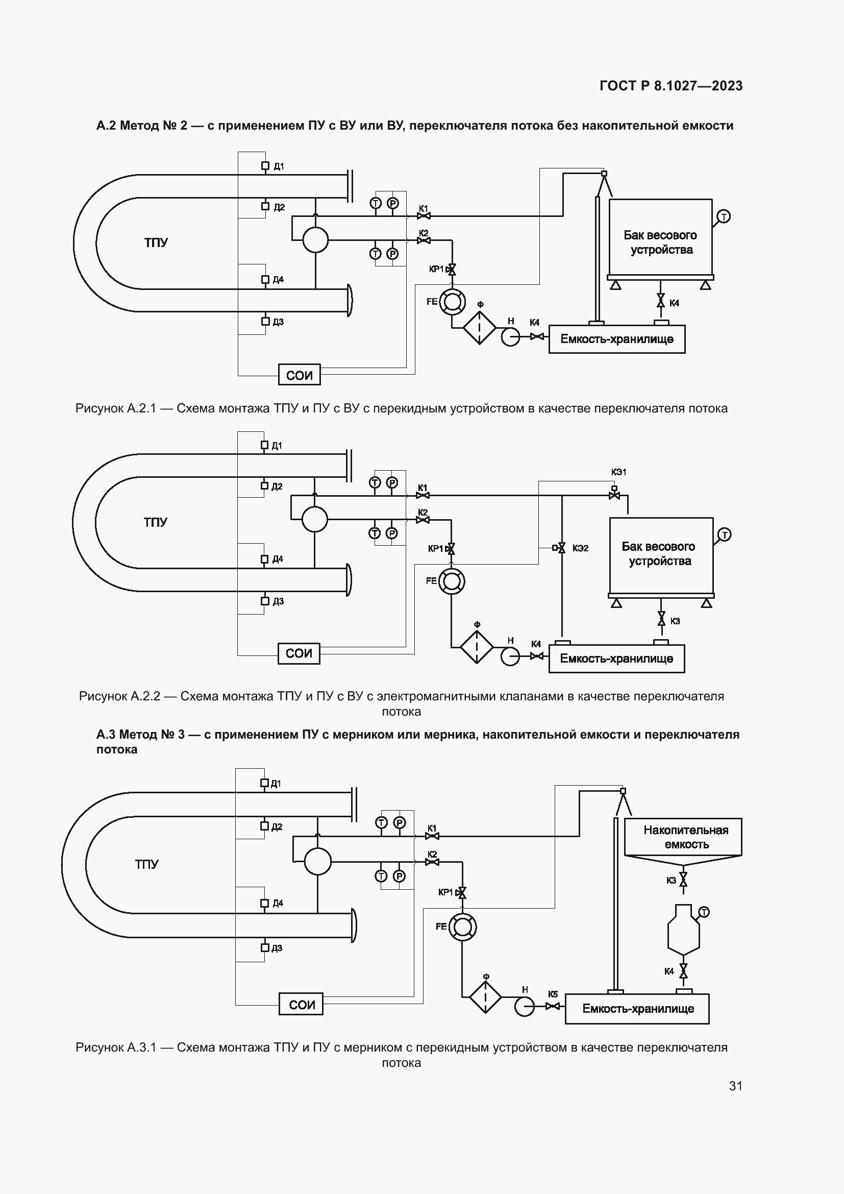
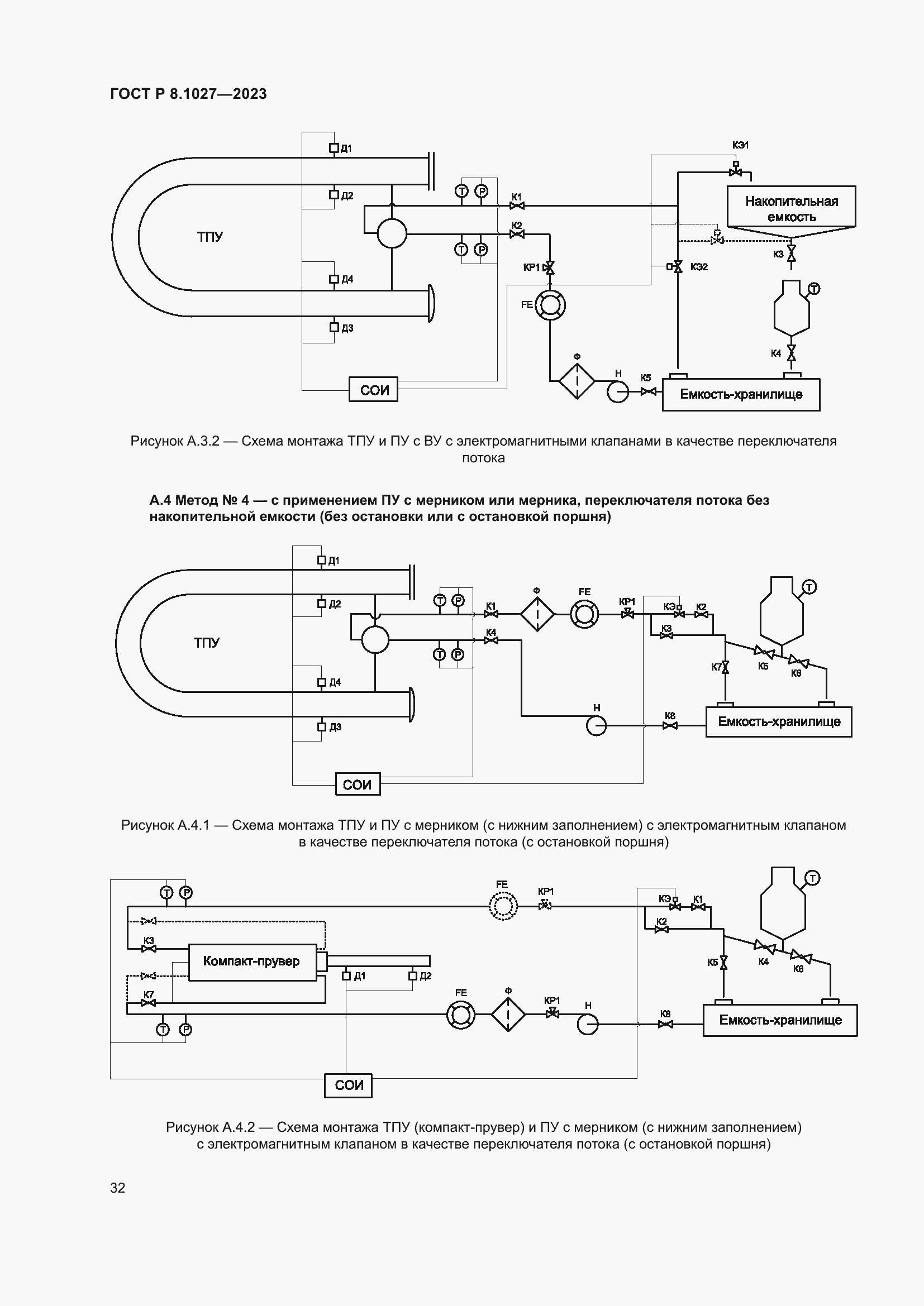
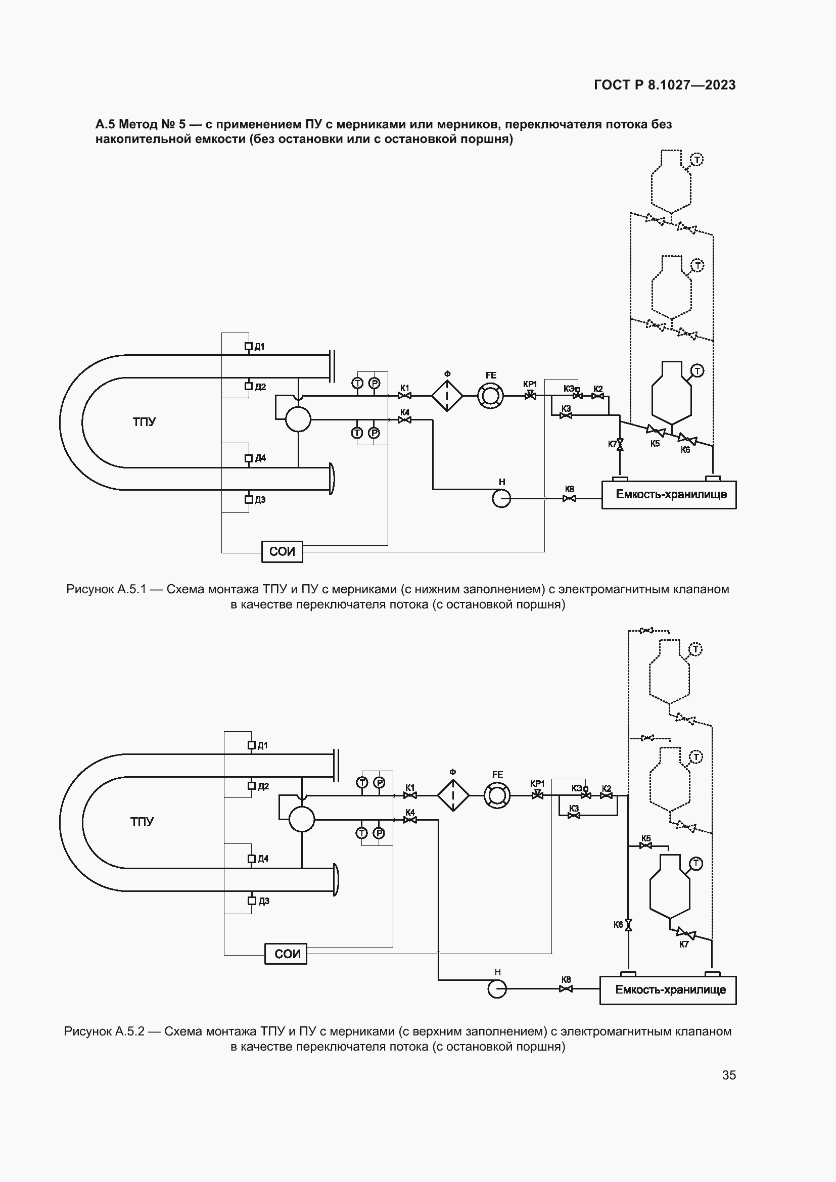
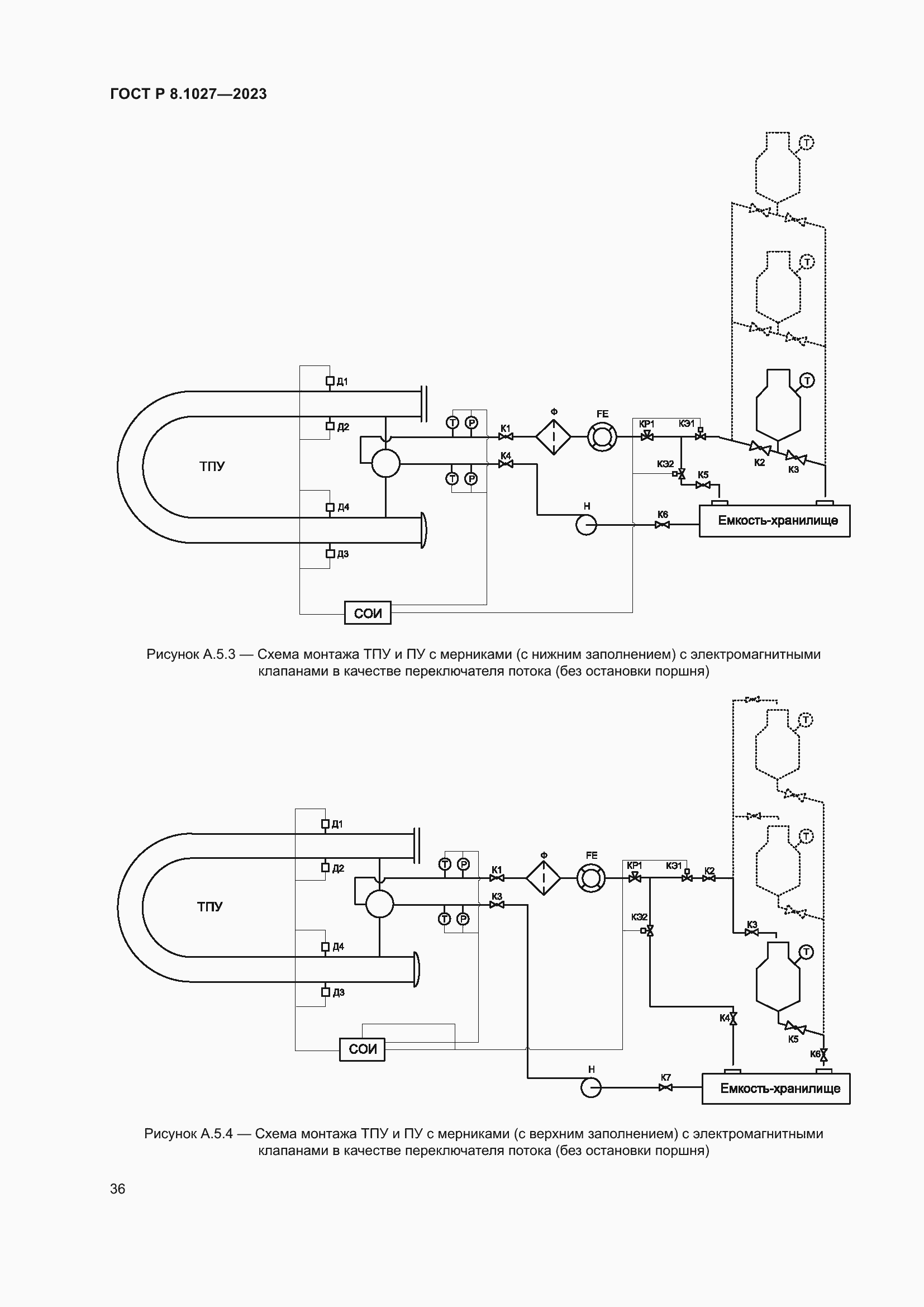
Настоящий стандарт распространяется на трубопоршневые установки всех типов, стационарного и передвижного исполнений, 1-го и 2-го разрядов в соответствии с [1] и устанавливает методику первичной и периодической поверок
Связи и замены
Заменяющий:
-
Описание стандарта
ГОСТ Р 8.1027-2023 Государственная система обеспечения единства измерений. Установки трубопоршневые. Методика поверки
Страницы стандарта































































