ГОСТ Р 8.779-2012 Государственная система обеспечения единства измерений. Преобразователи термоэлектрические платинородий-платинородиевые эталонные 1, 2 и 3-го разрядов. Методика поверки
ГОСТ Р
Скачать ГОСТ в PDF или DOC бесплатно
Основная информация
Обозначение:
ГОСТ Р 8.779-2012
Статус:
Действует
Тип:
ГОСТ Р
Название русское:
Государственная система обеспечения единства измерений. Преобразователи термоэлектрические платинородий-платинородиевые эталонные 1, 2 и 3-го разрядов. Методика поверки
Название английское:
State system for ensuring the uniformity of measurements. Standards thermoelectric platinumrhodium/platinumrhodium converters of the first, second and third grades. Verification procedure
Даты и сроки
Дата издания:
07-15-19
Дата введения в действие:
07-01-13
Дата завершения срока действия:
-
Применение и описание
Область и условия применения:
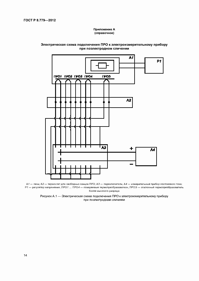
Настоящий стандарт распространяется на термоэлектрические платинородий-платинородиевые эталонные преобразователи 1, 2 и 3-го разрядов типа ПРО, предназначенные для передачи единицы температуры в диапазоне от 600 град. С до 1800 град. С по ГОСТ 8.558 и устанавливает методику их первичной и периодической поверок. Интервал между поверками термопреобразователей должен быть не более двух лет
Связи и замены
Заменяющий:
-
Описание стандарта
ГОСТ Р 8.779-2012 Государственная система обеспечения единства измерений. Преобразователи термоэлектрические платинородий-платинородиевые эталонные 1, 2 и 3-го разрядов. Методика поверки
Страницы стандарта






























