ГОСТ Р ЕН 1434-2-2011 Теплосчетчики. Часть 2. Требования к конструкции
ГОСТ Р ЕН
Скачать ГОСТ в PDF или DOC бесплатно
Основная информация
Обозначение:
ГОСТ Р ЕН 1434-2-2011
Статус:
Действует
Тип:
ГОСТ Р ЕН
Название русское:
Теплосчетчики. Часть 2. Требования к конструкции
Название английское:
Heat meters. Part 2. Constructional requirements
Даты и сроки
Дата издания:
04-23-19
Дата введения в действие:
03-01-13
Дата завершения срока действия:
-
Применение и описание
Область и условия применения:
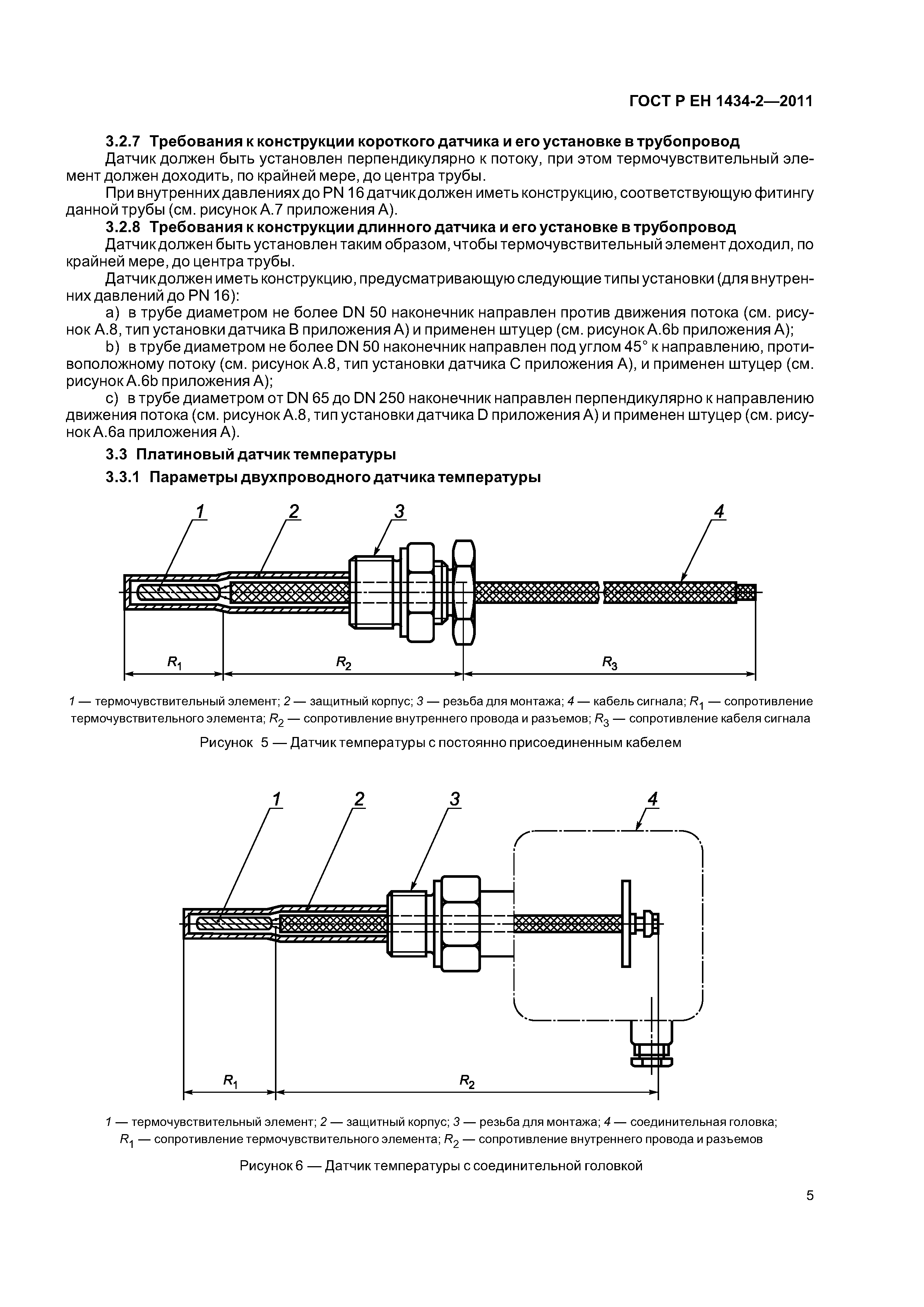
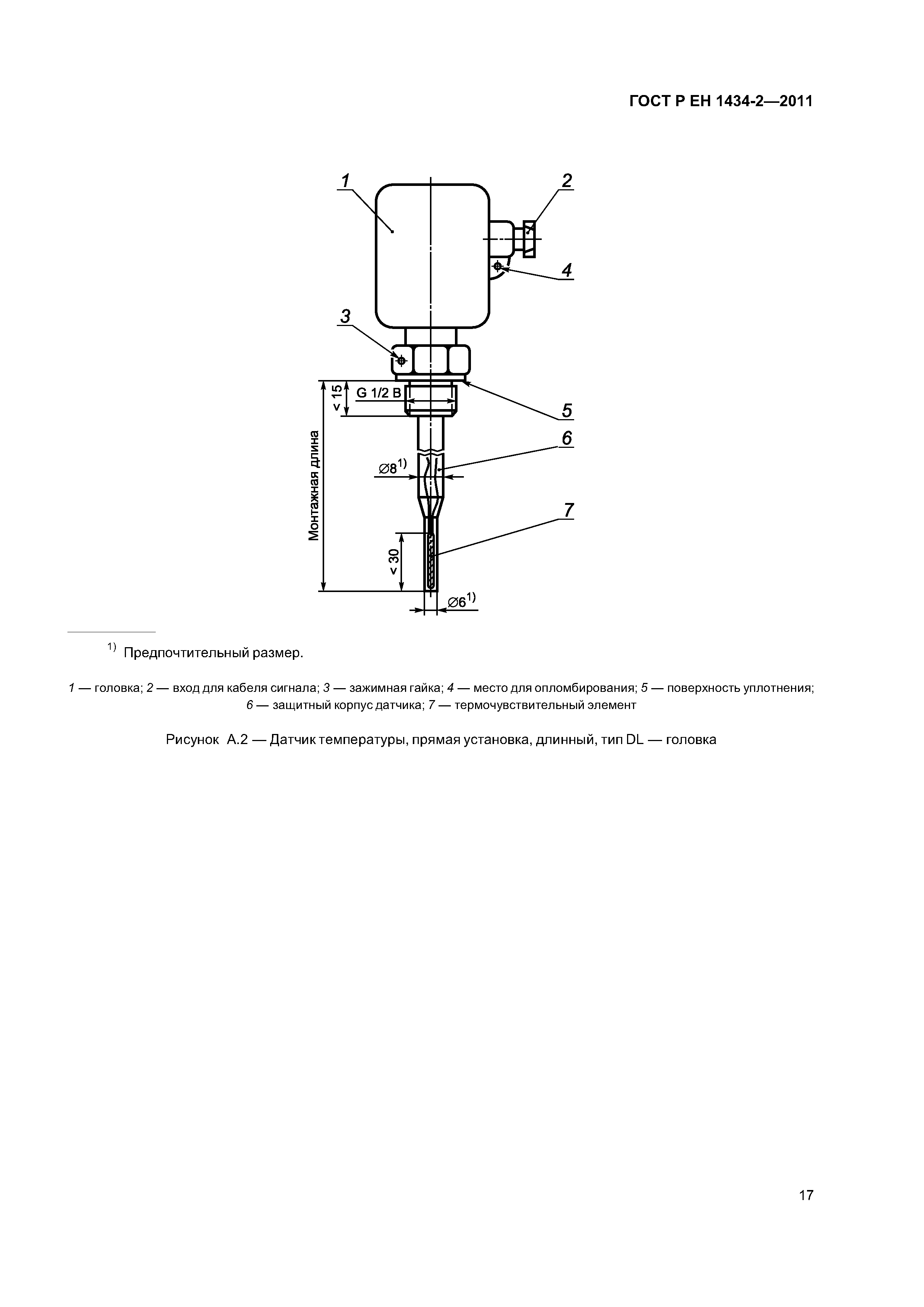
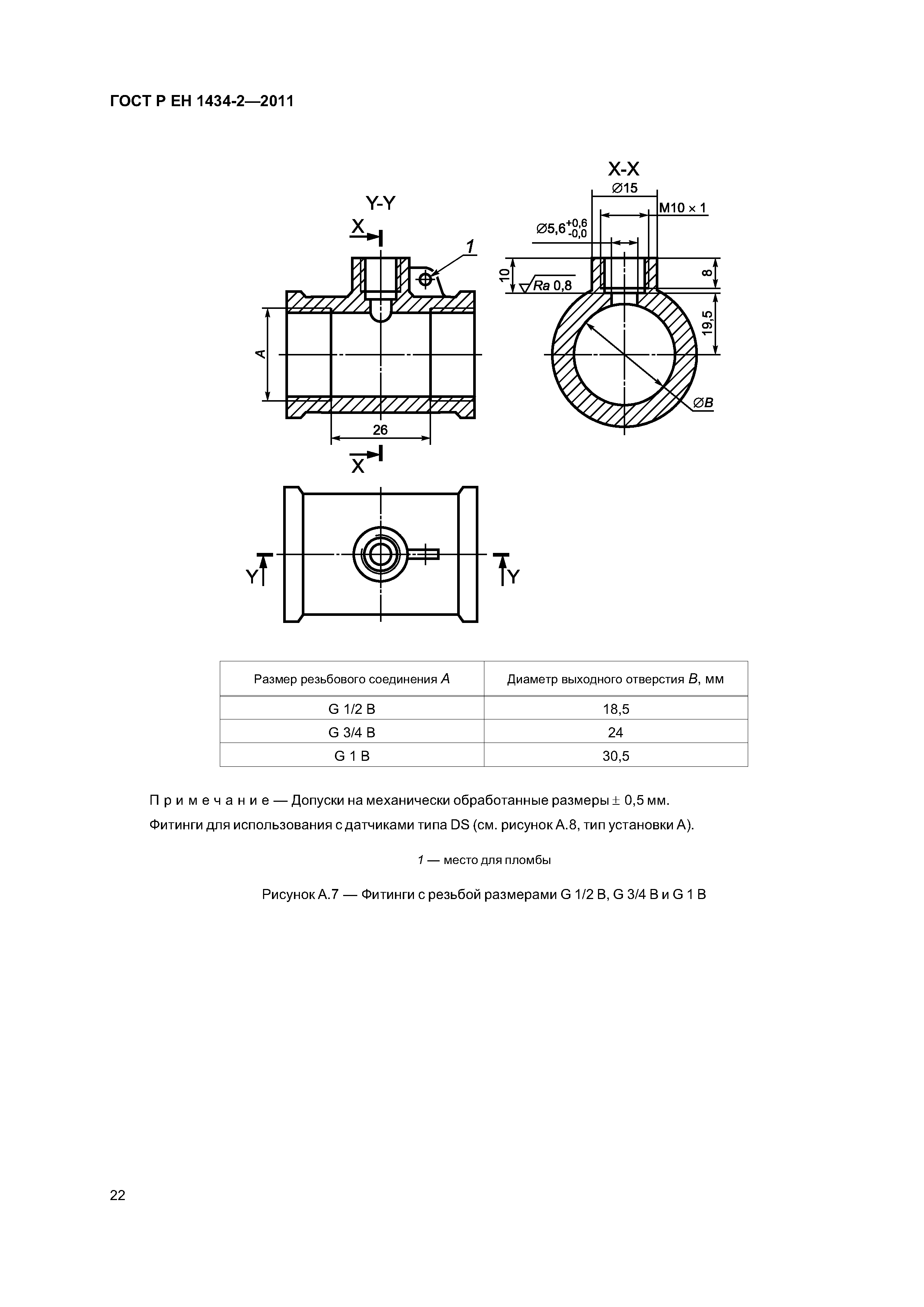
Настоящий стандарт устанавливает требования к конструкции и распространяется на теплосчетчики, предназначенные для измерений тепловой энергии, поглощаемой или отдаваемой жидкостью, называемой теплоносящей жидкостью (теплоноситель). Данные теплосчетчики отражают количество тепла в стандартных единицах измерения. Настоящий стандарт не устанавливает требования электробезопасности. Настоящий стандарт не устанавливает требования безопасности, связанные с давлением. Настоящий стандарт не распространяется на теплосчетчики с датчиками температуры, установленными на поверхности трубопроводов
Связи и замены
Заменяющий:
-
Взамен:
ГОСТ Р ЕН 1434-2-2006
Описание стандарта
ГОСТ Р ЕН 1434-2-2011 Теплосчетчики. Часть 2. Требования к конструкции
Страницы стандарта



































