ГОСТ Р ЕН 1434-3-2011 Теплосчетчики. Часть 3. Обмен данными и интерфейсы
ГОСТ Р ЕН
Скачать ГОСТ в PDF или DOC бесплатно
Основная информация
Обозначение:
ГОСТ Р ЕН 1434-3-2011
Статус:
Действует
Тип:
ГОСТ Р ЕН
Название русское:
Теплосчетчики. Часть 3. Обмен данными и интерфейсы
Название английское:
Heat meters. Part 3: Data exchange and interfaces
Даты и сроки
Дата издания:
09-27-19
Дата введения в действие:
03-01-13
Дата завершения срока действия:
-
Применение и описание
Область и условия применения:
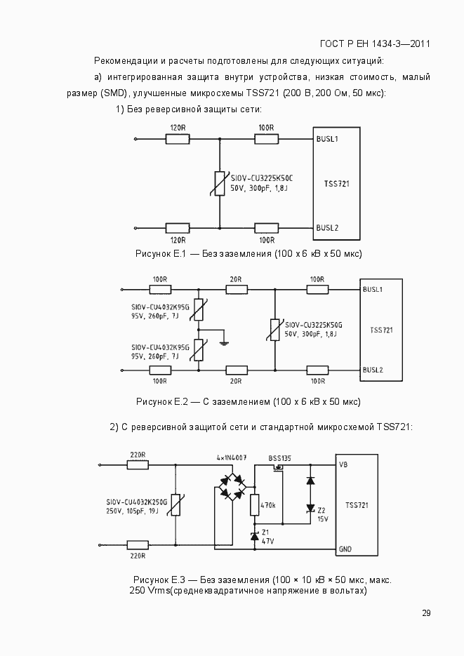
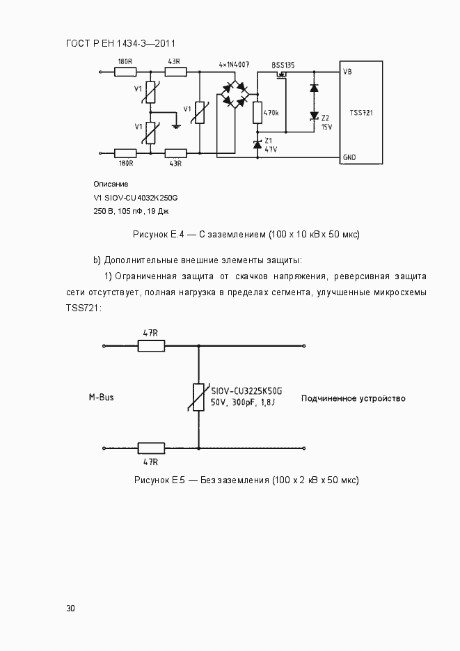
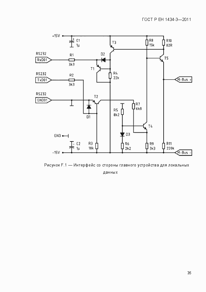
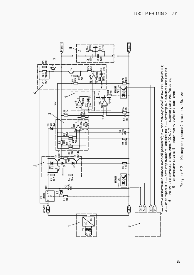
Настоящий стандарт распространяется на теплосчетчики, предназначенные для измерений тепловой энергии, поглощаемой или отдаваемой жидкостью, называемой теплоносящей жидкостью (теплоноситель). Данные теплосчетчики отражают количество тепловой энергии в стандартных единицах измерения. Настоящий стандарт не устанавливает требования электробезопасности. Настоящий стандарт устанавливает требования к обмену данными между теплосчетчиком и считывающим устройством (связь POINT/POINT). При этом рекомендуется использовать оптическую считывающую головку с протоколом передачи данных по ЕН 62056-21
Связи и замены
Заменяющий:
-
Взамен:
ГОСТ Р ЕН 1434-3-2006
Описание стандарта
ГОСТ Р ЕН 1434-3-2011 Теплосчетчики. Часть 3. Обмен данными и интерфейсы
Страницы стандарта














































