ГОСТ Р ЕН 404-2011 Система стандартов безопасности труда. Средства индивидуальной защиты органов дыхания. Самоспасатель фильтрующий для защиты от монооксида углерода с загубником. Общие технические условия
ГОСТ Р ЕН
Скачать ГОСТ в PDF или DOC бесплатно
Основная информация
Обозначение:
ГОСТ Р ЕН 404-2011
Статус:
Отменен
Тип:
ГОСТ Р ЕН
Название русское:
Система стандартов безопасности труда. Средства индивидуальной защиты органов дыхания. Самоспасатель фильтрующий для защиты от монооксида углерода с загубником. Общие технические условия
Название английское:
Occupational safety standards system. Respiratory protective devices for selfrescue. Filter selfrescuer from carbon monoxide with mouthpiece assembly. General specifications
Даты и сроки
Дата издания:
11-26-19
Дата введения в действие:
12-01-12
Дата завершения срока действия:
06-01-25
Применение и описание
Область и условия применения:
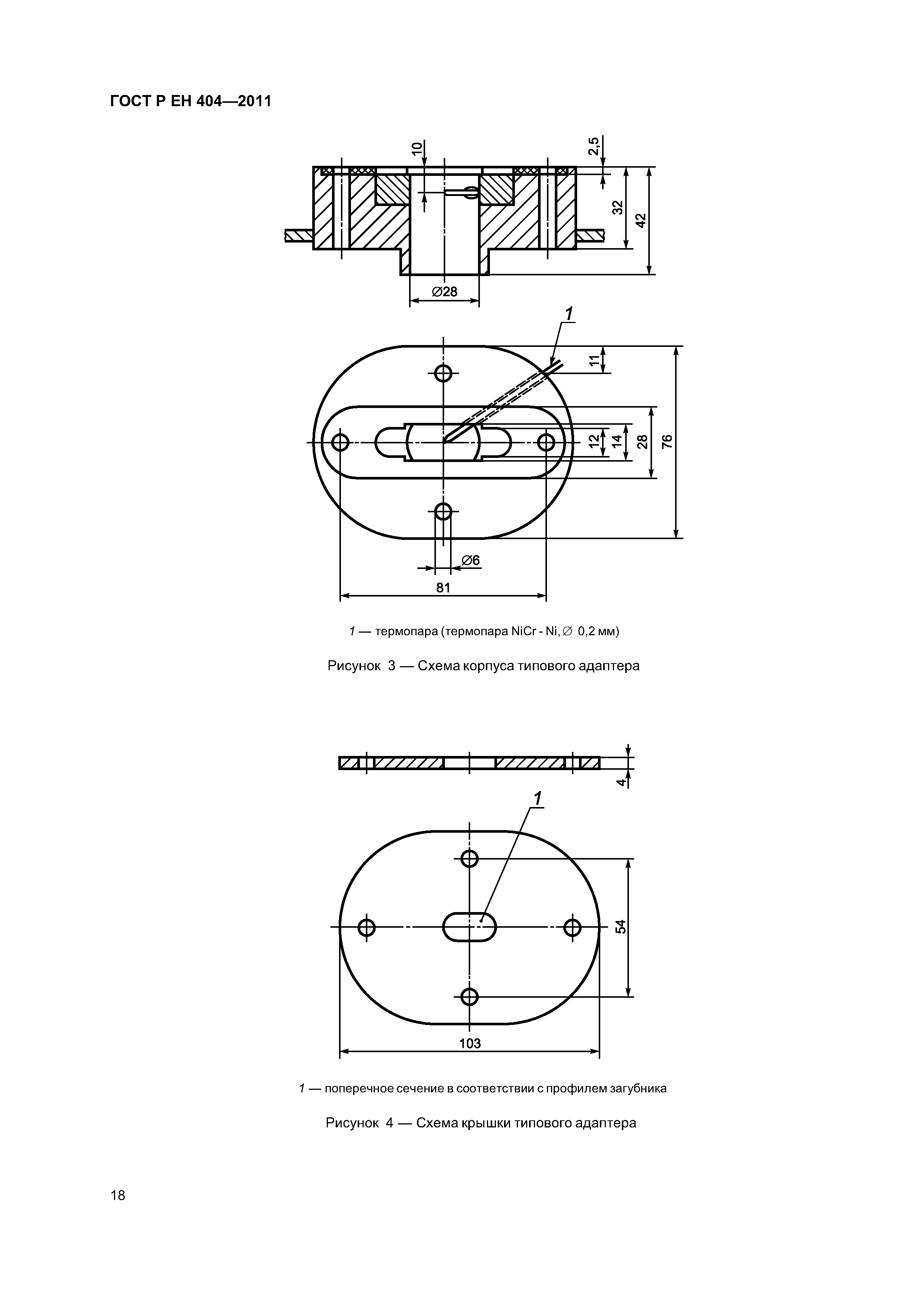
Настоящий стандарт распространяется на самоспасатели фильтрующие, предназначенные для защиты от монооксида углерода, и устанавливает минимальные требования к противогазовому фильтру, применяемому в фильтрующих самоспасателях. В настоящий стандарт включены методы лабораторных и практических испытаний эксплуатационных свойств для оценки соответствия требованиям настоящего стандарта. Стандарт не распространяется на следующие типы СИЗОД: - пожарные; - военные; - медицинские; - авиационные; - дыхательные аппараты, для аварийно-спасательных подземных работ; - для подводных работ
Связи и замены
Заменяющий:
-
Описание стандарта
ГОСТ Р ЕН 404-2011 Система стандартов безопасности труда. Средства индивидуальной защиты органов дыхания. Самоспасатель фильтрующий для защиты от монооксида углерода с загубником. Общие технические условия
Страницы стандарта






























