ГОСТ Р ИСО 11943-2010 Гидропривод объемный. Интерактивные автоматические системы подсчета частиц в жидкости. Методы калибровки и аттестации
ГОСТ Р ИСО
Скачать ГОСТ в PDF или DOC бесплатно
Основная информация
Обозначение:
ГОСТ Р ИСО 11943-2010
Статус:
Действует
Тип:
ГОСТ Р ИСО
Название русское:
Гидропривод объемный. Интерактивные автоматические системы подсчета частиц в жидкости. Методы калибровки и аттестации
Название английское:
Hydraulic fluid power. On-line automatic particle-counting systems for liquids. Methods of calibration and validation
Даты и сроки
Дата издания:
10-20-11
Дата введения в действие:
12-01-11
Дата завершения срока действия:
-
Применение и описание
Область и условия применения:
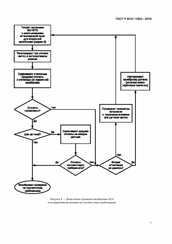
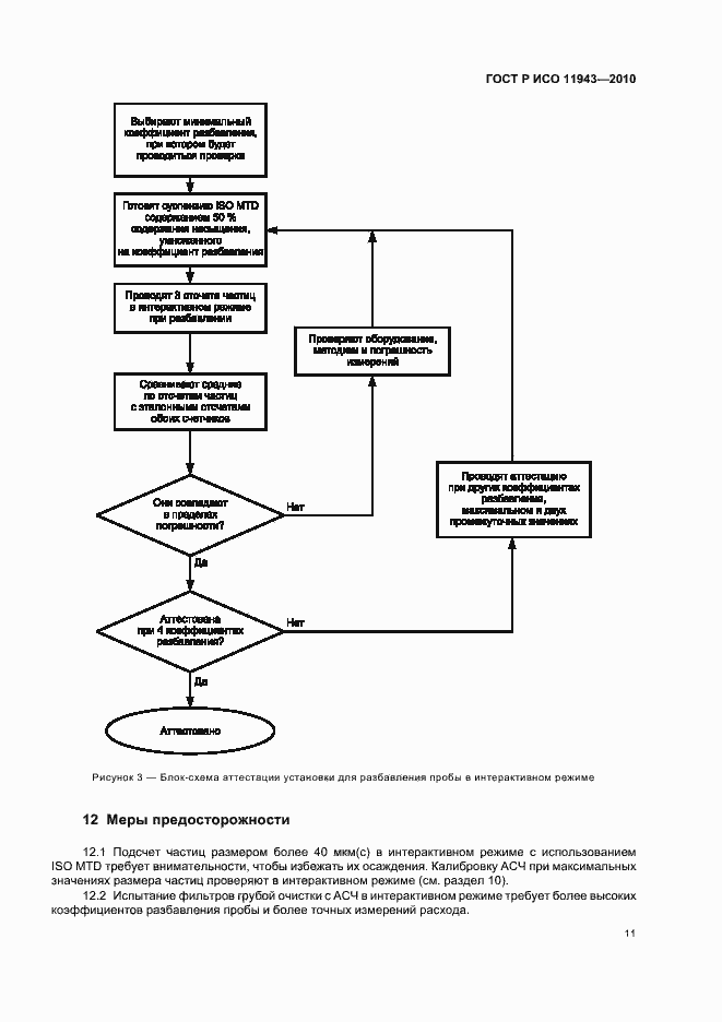
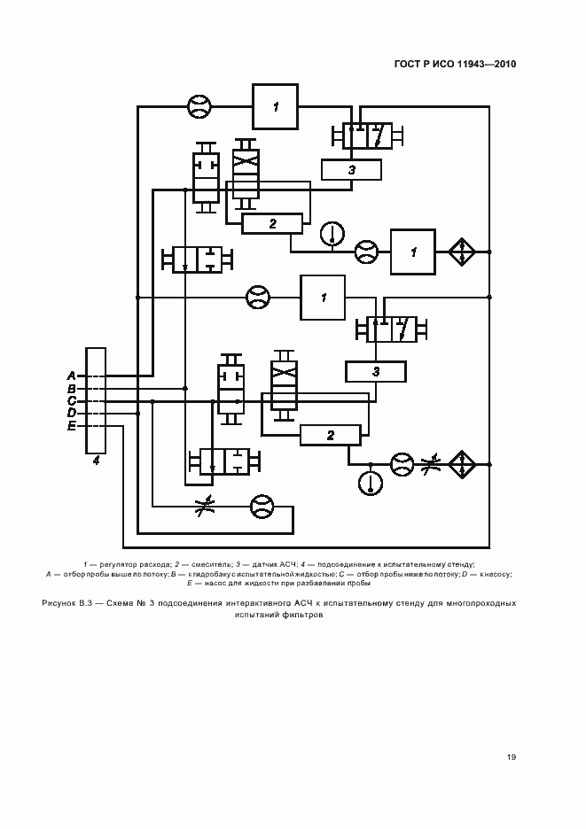
Настоящий стандарт устанавливает основные положения по калибровке и аттестации интерактивных автоматических счетчиков частиц (АСЧ) для их последующего использования при подсчете твердых частиц, взвешенных в жидкости. В основном их применяют при многопроходном испытании фильтров по ИСО 16889
Связи и замены
Заменяющий:
-
Описание стандарта
ГОСТ Р ИСО 11943-2010 Гидропривод объемный. Интерактивные автоматические системы подсчета частиц в жидкости. Методы калибровки и аттестации
Страницы стандарта







































