ГОСТ Р 52004-2003 Воск зуботехнический базисный. Технические требования. Методы испытаний
ГОСТ Р
Скачать ГОСТ в PDF или DOC бесплатно
Основная информация
Обозначение:
ГОСТ Р 52004-2003
Статус:
Отменен
Тип:
ГОСТ Р
Название русское:
Воск зуботехнический базисный. Технические требования. Методы испытаний
Название английское:
Dental baseplate wax. Technical requirements. Test methods
Даты и сроки
Дата издания:
03-05-03
Дата введения в действие:
01-01-04
Дата завершения срока действия:
01-01-15
Применение и описание
Область и условия применения:
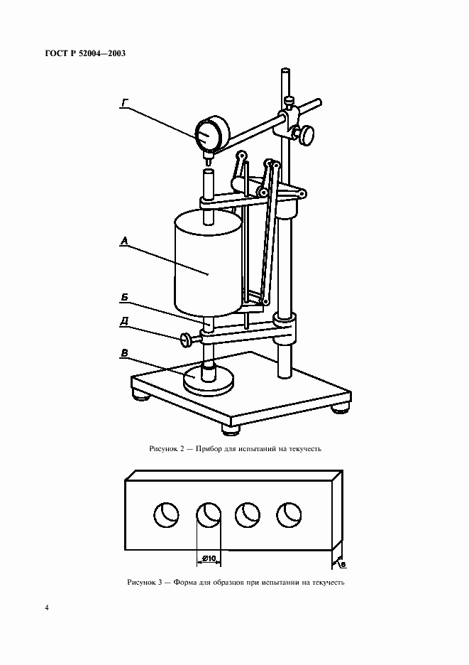
Настоящий стандарт распространяется на зуботехнический базисный воск и устанавливает технические требования к базисному воску, состоящему из натуральных и синтетических восков, применяемых в основном для моделирования съемных, полных и частичных, пластиночных зубных протезов, а также методы испытаний
Связи и замены
Заменяющий:
-
Изменения и переиздания
Список изменений:
№0 от (рег. ) «Текстовое изменение; Изменено заглавие»
Описание стандарта
ГОСТ Р 52004-2003 Воск зуботехнический базисный. Технические требования. Методы испытаний
Страницы стандарта










