ГОСТы >
01.080.40 Графические обозначения для технических чертежей, диаграмм, схем и соответствующей технической документации в области электротехники и электроники >
ГОСТ Р МЭК 60617-DB-12M-2015
ГОСТ Р МЭК 60617-DB-12M-2015 Графические символы для схем (в формате базы данных)
ГОСТ Р МЭК
Скачать ГОСТ в PDF или DOC бесплатно
Основная информация
Обозначение:
ГОСТ Р МЭК 60617-DB-12M-2015
Статус:
Действует
Тип:
ГОСТ Р МЭК
Название русское:
Графические символы для схем (в формате базы данных)
Название английское:
Graphical symbols for diagrams (in the format of data base)
Даты и сроки
Дата издания:
02-15-16
Дата введения в действие:
02-01-16
Дата завершения срока действия:
-
Применение и описание
Область и условия применения:
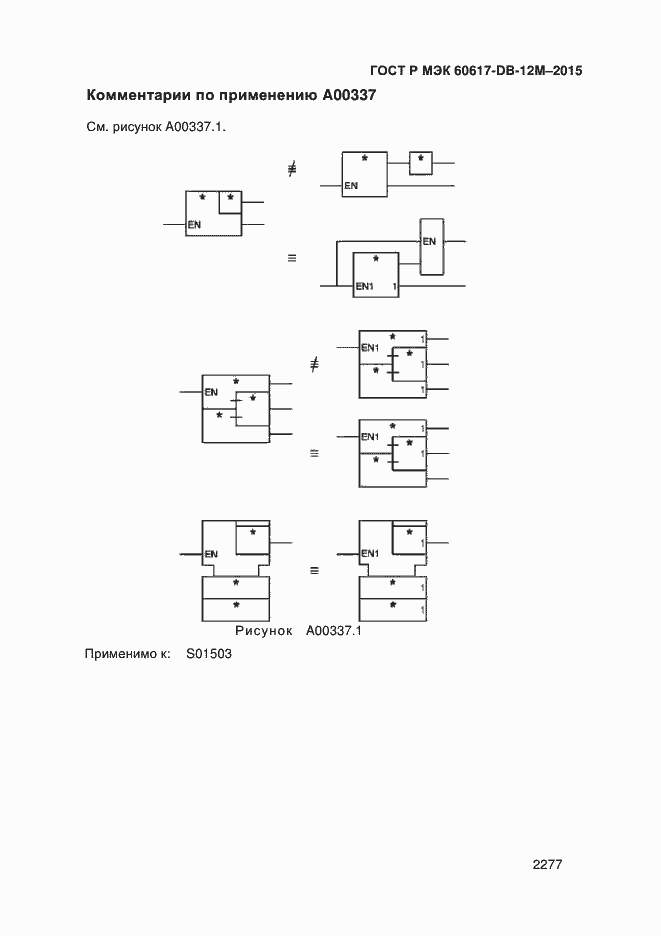
Настоящий стандарт определяет графические символы для использования в электротехнических схемах. Настоящий стандарт содержит около 1900 графических символов. Настоящий стандарт устанавливает международный «графический язык», используемый в электротехнических схемах. Так же как слова могут быть объединены в более сложные выражения и понятия, так и графические представления объекта, могут быть объединены для разработки нового более информативного или специализированного символа. Понятие «графический символ», как правило, определяется как наглядный рисунок, используемый для передачи информации независимо от языка. В настоящем стандарте понятие графического символа, несколько расширено и включает в себя объекты, содержащие информацию о понятиях, включая связанные с ними графические изображения
Связи и замены
Заменяющий:
-
Описание стандарта
ГОСТ Р МЭК 60617-DB-12M-2015 Графические символы для схем (в формате базы данных)
Страницы стандарта










































































































































































































































































































































































































































































































































































































































































































































































































































































































































































































































































































































































































































































































































































































































































































































































































































































































































































































































































































































































































































































































































































































































































































































































































