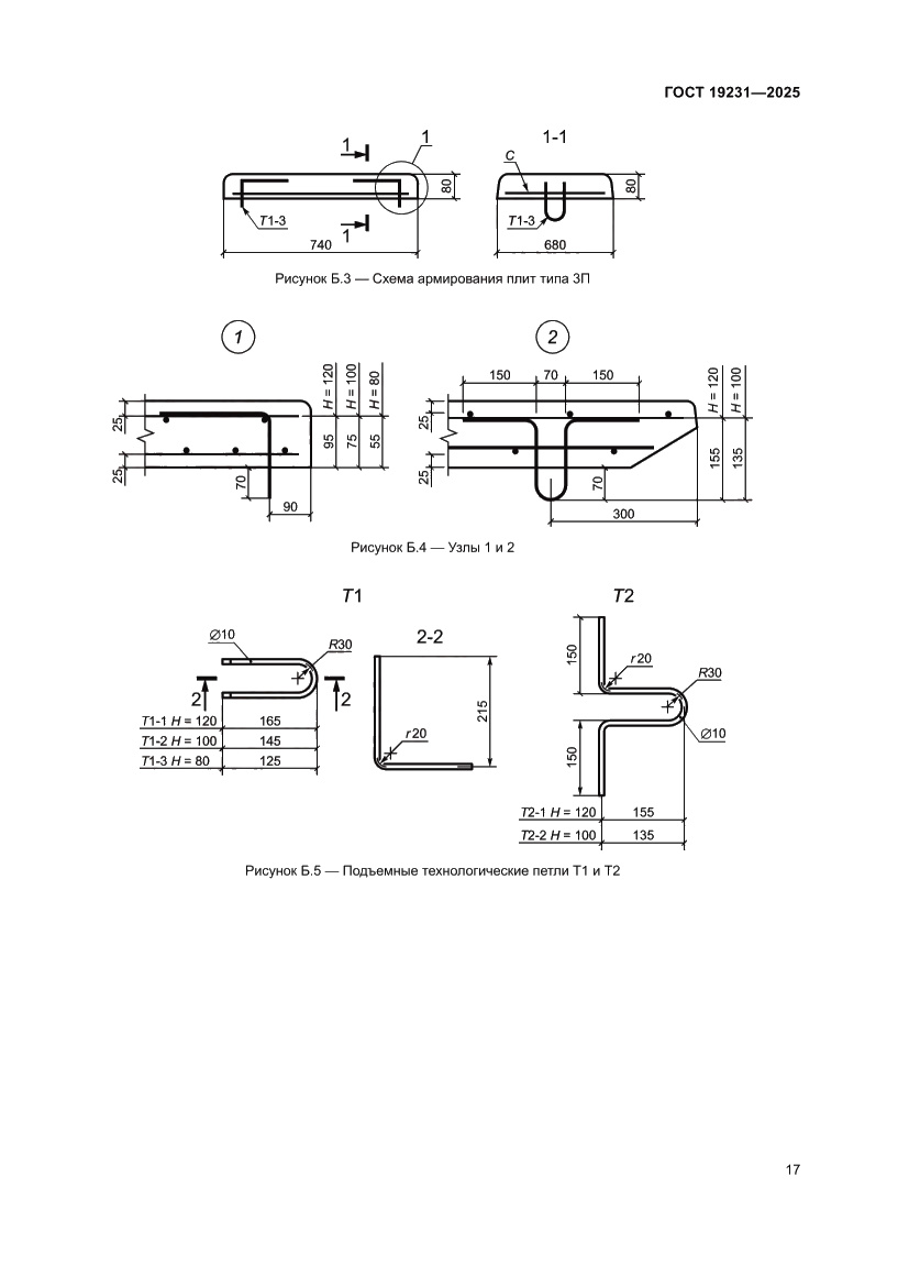
ГОСТ 19231-2025 Плиты железобетонные для покрытия трамвайных путей. Технические условия
Межгосударственный стандарт
Скачать ГОСТ в PDF или DOC бесплатно
Основная информация
Обозначение:
ГОСТ 19231-2025
Статус:
Действует
Название русское:
Плиты железобетонные для покрытия трамвайных путей. Технические условия
Название английское:
Reinforced concrete slabs for tramway track pavements. Specifications
Даты и сроки
Дата введения в действие:
01-01-26
Описание стандарта
ГОСТ 19231-2025 Плиты железобетонные для покрытия трамвайных путей. Технические условия
Страницы стандарта























