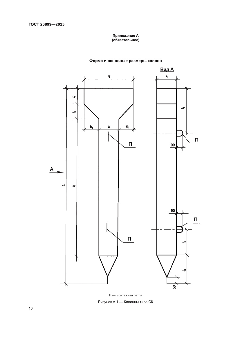
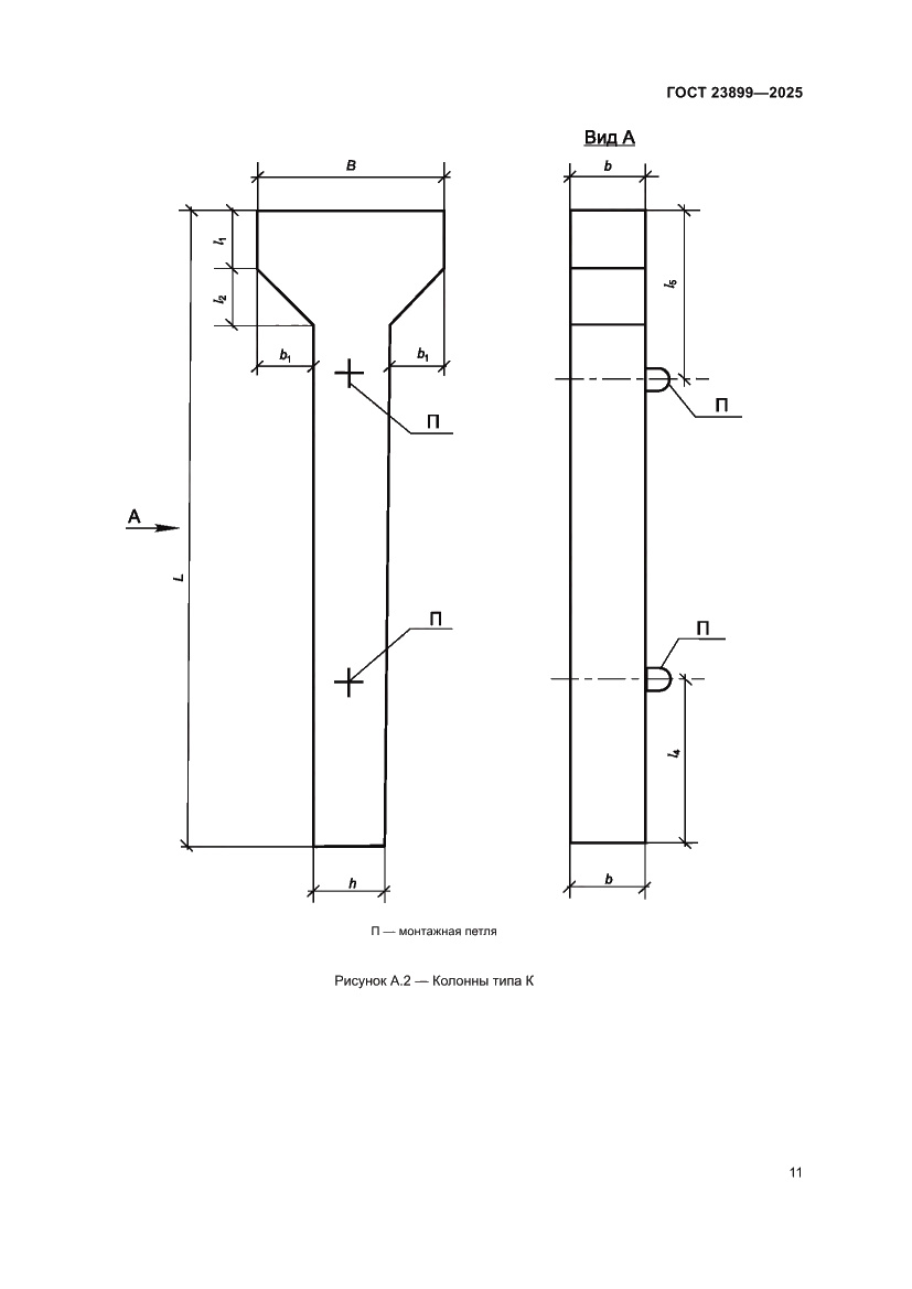
ГОСТ 23899-2025 Колонны железобетонные под параболические лотки. Технические условия
Межгосударственный стандарт
Скачать ГОСТ в PDF или DOC бесплатно
Основная информация
Обозначение:
ГОСТ 23899-2025
Статус:
Действует
Название русское:
Колонны железобетонные под параболические лотки. Технические условия
Название английское:
Column reinforced concrete for parabolic shoots. Specifications
Даты и сроки
Дата введения в действие:
01-01-26
Описание стандарта
ГОСТ 23899-2025 Колонны железобетонные под параболические лотки. Технические условия
Страницы стандарта



















