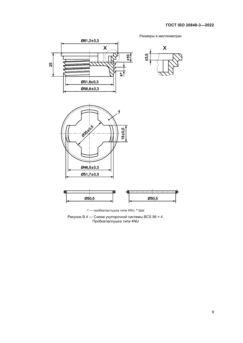
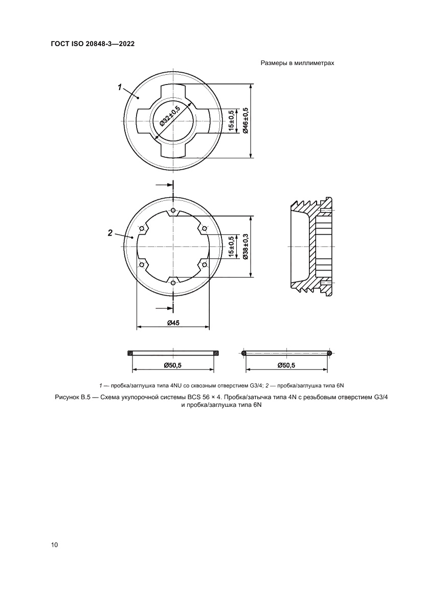
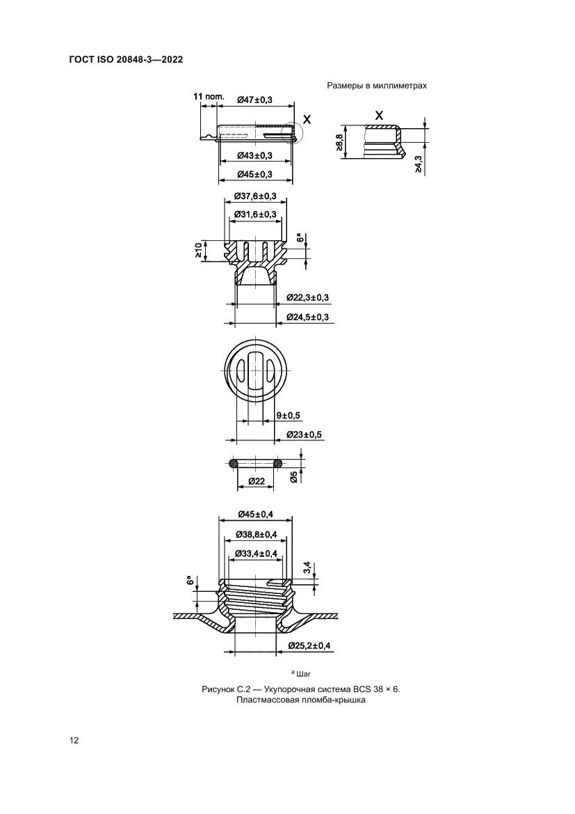
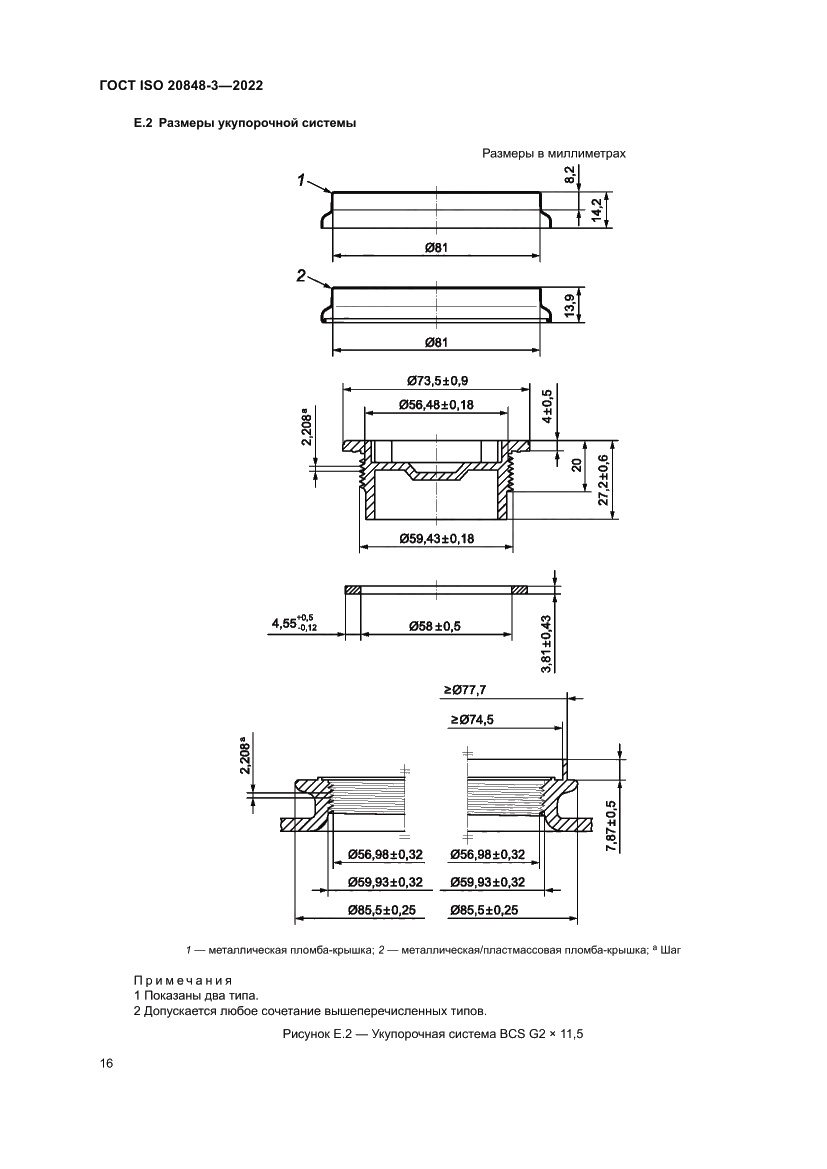
ГОСТ ISO 20848-3-2022 Упаковка. Полимерные бочки. Часть 3. Укупорочные системы для полимерных бочек номинальной вместимостью от 113,6 л до 220 л
Межгосударственный стандарт
Скачать ГОСТ в PDF или DOC бесплатно
Основная информация
Обозначение:
ГОСТ ISO 20848-3-2022
Статус:
Принят
Название русское:
Упаковка. Полимерные бочки. Часть 3. Укупорочные системы для полимерных бочек номинальной вместимостью от 113,6 л до 220 л
Название английское:
Packaging. Plastics drums. Part 3. Plug bung closure systems for plastics drums with a nominal capacity of 113,6 l to 220 l
Даты и сроки
Дата введения в действие:
05-01-26
Описание стандарта
ГОСТ ISO 20848-3-2022 Упаковка. Полимерные бочки. Часть 3. Укупорочные системы для полимерных бочек номинальной вместимостью от 113,6 л до 220 л
Страницы стандарта























