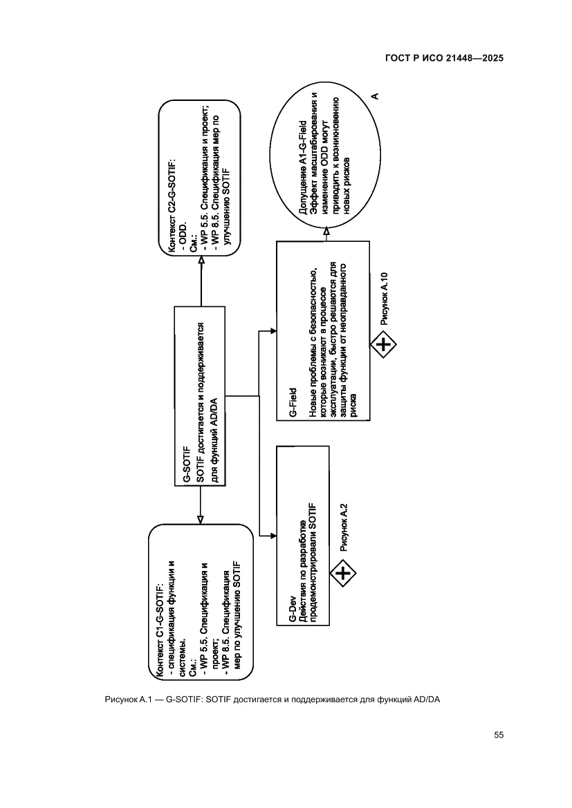
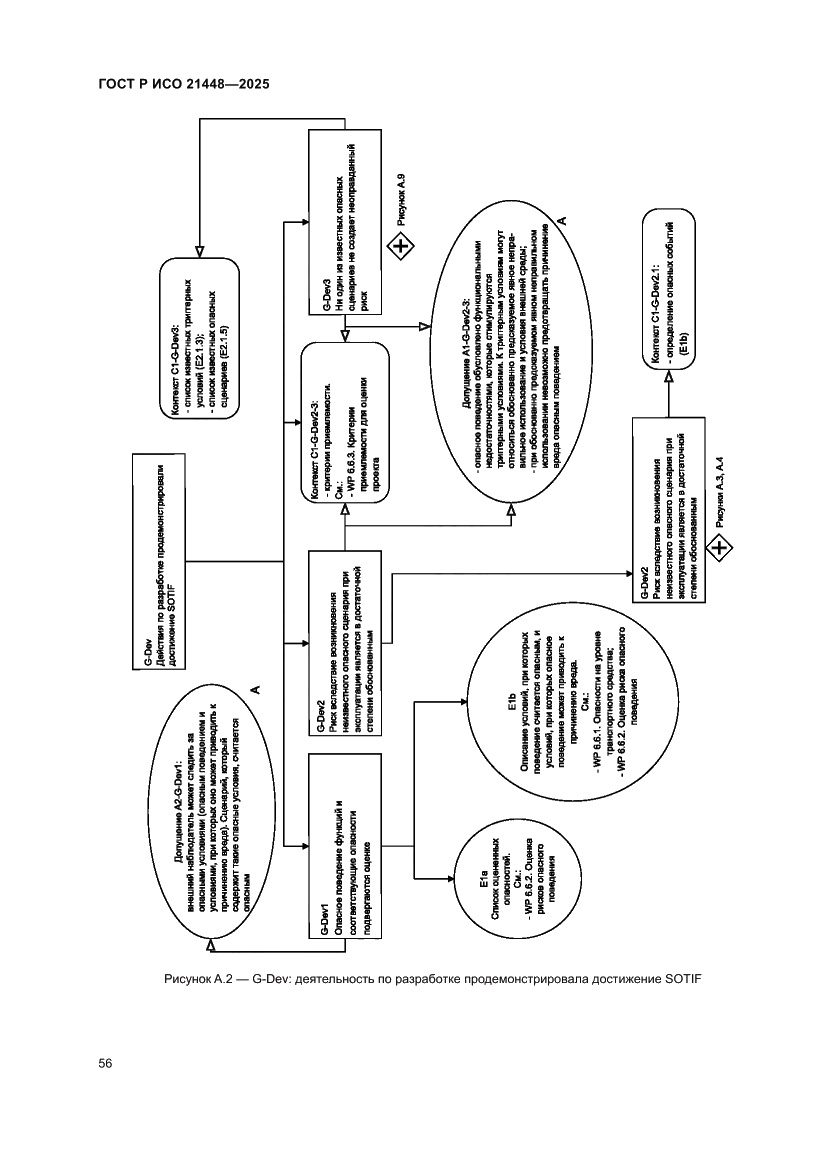
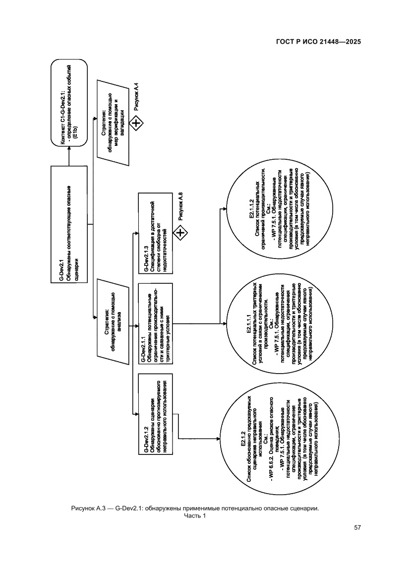
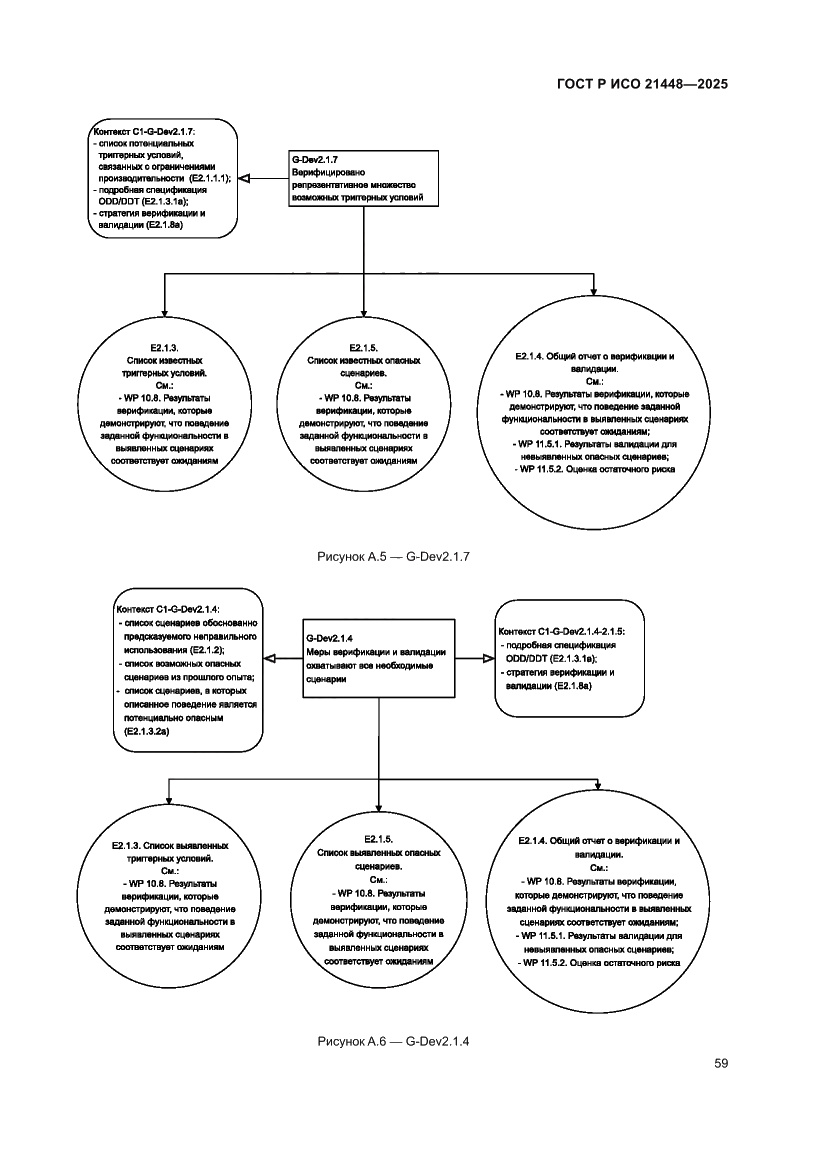
ГОСТ Р ИСО 21448-2025 Дорожные транспортные средства. Безопасность заданной функциональности
Межгосударственный стандарт
Скачать ГОСТ в PDF или DOC бесплатно
Основная информация
Обозначение:
ГОСТ Р ИСО 21448-2025
Статус:
Действует
Название русское:
Дорожные транспортные средства. Безопасность заданной функциональности
Название английское:
Road vehicles. Safety of the intended functionality
Даты и сроки
Дата введения в действие:
01-01-26
Описание стандарта
ГОСТ Р ИСО 21448-2025 Дорожные транспортные средства. Безопасность заданной функциональности
Страницы стандарта

















































































































































































