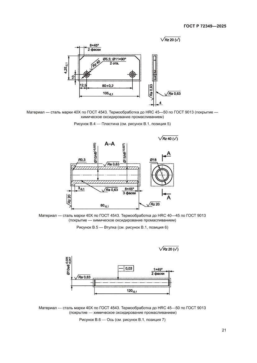
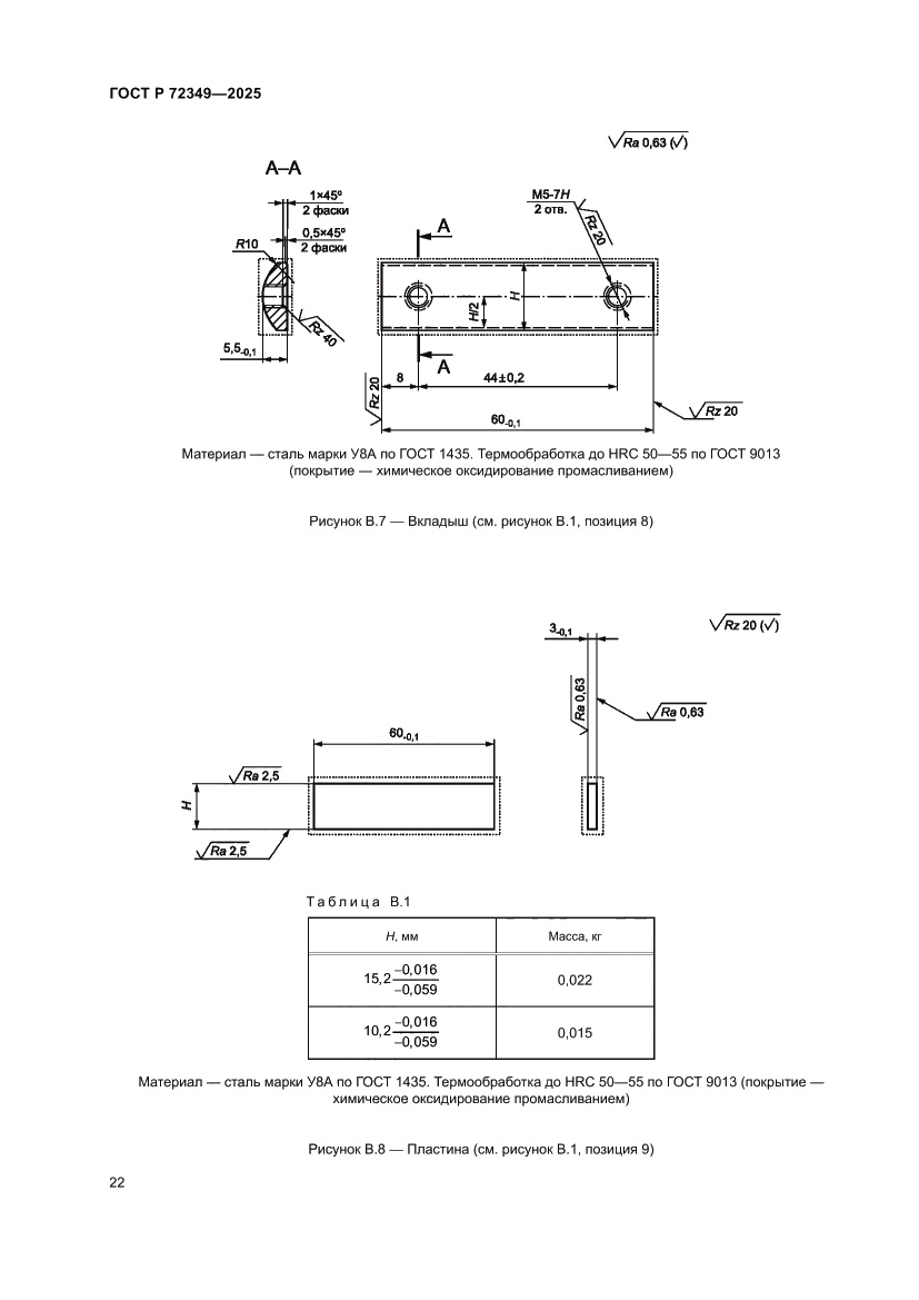
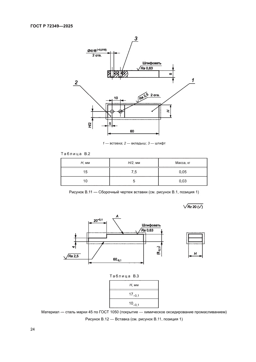
ГОСТ Р 72349-2025 Композиты полимерные. Метод испытания на сжатие при нормальной, повышенной и пониженной температурах
Межгосударственный стандарт
Скачать ГОСТ в PDF или DOC бесплатно
Основная информация
Обозначение:
ГОСТ Р 72349-2025
Статус:
Действует
Название русское:
Композиты полимерные. Метод испытания на сжатие при нормальной, повышенной и пониженной температурах
Название английское:
Polymer composites. Test method for compression at normal, low and high temperatures
Даты и сроки
Дата введения в действие:
01-12-26
Описание стандарта
ГОСТ Р 72349-2025 Композиты полимерные. Метод испытания на сжатие при нормальной, повышенной и пониженной температурах
Страницы стандарта































