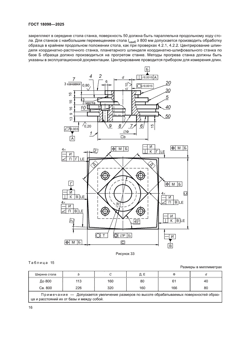
ГОСТ 18098-2025 Станки координатно-расточные и координатно-шлифовальные. Нормы точности и методы измерений
Межгосударственный стандарт
Скачать ГОСТ в PDF или DOC бесплатно
Основная информация
Обозначение:
ГОСТ 18098-2025
Статус:
Принят
Название русское:
Станки координатно-расточные и координатно-шлифовальные. Нормы точности и методы измерений
Название английское:
Jig-boring and jig-grinding machines. Standards of accuracy
Даты и сроки
Дата введения в действие:
02-01-26
Описание стандарта
ГОСТ 18098-2025 Станки координатно-расточные и координатно-шлифовальные. Нормы точности и методы измерений
Страницы стандарта































