ГОСТ 28379-2025 Шпатлевки ЭП-0010 и ЭП-0020. Технические условия
Межгосударственный стандарт
Скачать ГОСТ в PDF или DOC бесплатно
Основная информация
Обозначение:
ГОСТ 28379-2025
Статус:
Принят
Название русское:
Шпатлевки ЭП-0010 и ЭП-0020. Технические условия
Название английское:
Putties ЭП-0010 and ЭП-0020. Specifications
Даты и сроки
Дата введения в действие:
03-01-26
Описание стандарта
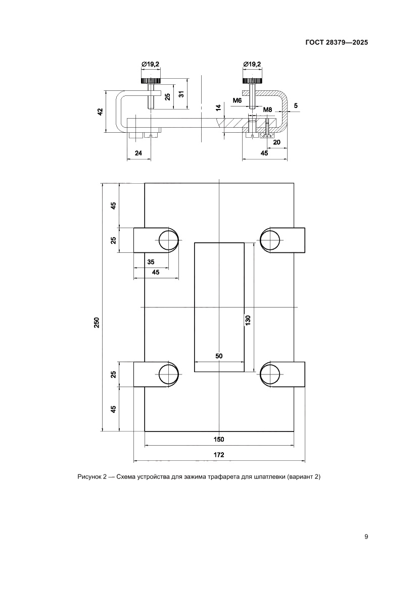
ГОСТ 28379-2025 Шпатлевки ЭП-0010 и ЭП-0020. Технические условия
Страницы стандарта



















