ГОСТы >
25.060.20 Делительные головки и зажимные приспособления для обрабатываемых деталей и инструментов >
ГОСТ ISO 3442-2-2025
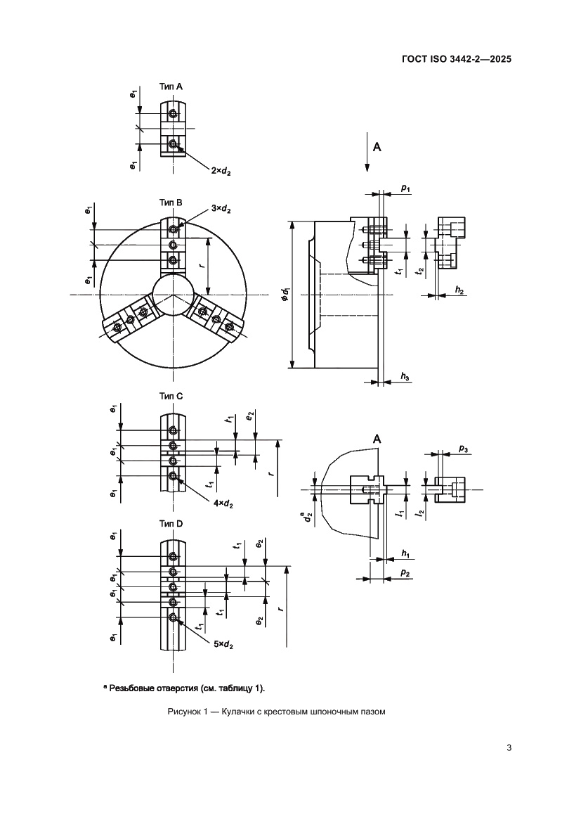
ГОСТ ISO 3442-2-2025 Станки металлорежущие. Размеры и геометрические испытания самоцентрирующих патронов с кулачками, состоящими из двух частей. Часть 2. Патроны с механизированным зажимом и креплением кулачков с помощью крестового шпоночного паза
Межгосударственный стандарт
Скачать ГОСТ в PDF или DOC бесплатно
Основная информация
Обозначение:
ГОСТ ISO 3442-2-2025
Статус:
Принят
Название русское:
Станки металлорежущие. Размеры и геометрические испытания самоцентрирующих патронов с кулачками, состоящими из двух частей. Часть 2. Патроны с механизированным зажимом и креплением кулачков с помощью крестового шпоночного паза
Название английское:
Metal cutting machine tools. Dimensions and geometric tests for self-centring chucks with two-piece jaws. Part 2. Power-operated chucks with cross keyway type jaws
Даты и сроки
Дата введения в действие:
06-01-26
Описание стандарта
ГОСТ ISO 3442-2-2025 Станки металлорежущие. Размеры и геометрические испытания самоцентрирующих патронов с кулачками, состоящими из двух частей. Часть 2. Патроны с механизированным зажимом и креплением кулачков с помощью крестового шпоночного паза
Страницы стандарта



















